Разделы презентаций


UART RS-232,422,485

UARTUniversal asynchronous receiver/transmitter (Универсальный асинхронный приёмник/передатчик).Для связи по интерфейсу UART используется две линии:RXD – для приема сообщений (Receiver);TXD – для передачи сообщений (Transmitter).

Слайды и текст этой презентации

Слайд 1UART RS-232,422,485

UART RS-232,422,485

Слайд 2UART
Universal asynchronous receiver/transmitter (Универсальный асинхронный приёмник/передатчик).



Для связи по

интерфейсу UART используется две линии:
RXD – для приема сообщений (Receiver);
TXD

– для передачи сообщений (Transmitter).

UARTUniversal asynchronous receiver/transmitter (Универсальный  асинхронный  приёмник/передатчик).Для связи по интерфейсу UART используется две линии:RXD – для

Слайд 3Формат кадра UART
старт-бит (с него начинается каждый кадр);
биты данных (может

быть от 5 до 9 бит);
бит проверки четности (проверка правильности

передачи данных);
один или два стоп-бита (сигнал об окончании кадра).
Формат кадра UARTстарт-бит (с него начинается каждый кадр);биты данных (может быть от 5 до 9 бит);бит проверки

Слайд 4UART
Контроллер UART обычно содержит:
• Источник тактирования.
• Входные и выходные

сдвиговые регистры.
• Регистры управления приемом/передачей данных; чтением/записью.
• Буферы приема/передачи.
• Параллельная

шина данных для буферов приема/передачи.
• FIFO буферы памяти (опционально).
UARTКонтроллер UART обычно содержит:• Источник  тактирования.• Входные и выходные сдвиговые регистры.• Регистры управления приемом/передачей данных; чтением/записью.•

Слайд 5Схемы соединения по RS-232
ООД – оконечное оборудование данных (DTE — Data

Terminal Equipment).
АКД – оконечная аппаратура каналов данных (DCE — Data

Communication Equipment).
Схемы соединения по RS-232ООД – оконечное оборудование данных (DTE — Data Terminal Equipment). АКД – оконечная аппаратура каналов

Слайд 6Краткие характеристики RS-232
В стандарте предусмотрены асинхронный и синхронный режимы обмена.
Стандарт

RS-232 предусматривает передачу данных при помощи электрических сигналов относительно общего

провода.
Интерфейс не обеспечивает гальванической развязки устройств.
Все линии интерфейса делятся на две группы: линии данных и линии управляющих сигналов.
Логической единице на входе-выходе данных (сигнал RxD, TxD) соответствует диапазон напряжения от –12 до –3 В; логическому нулю — от +3 до +12 В.
Для входов управляющих сигналов состоянию ON (“включено”) соответствует диапазон от +3 до +12 В, состоянию OFF (“выключено”) — от –12 до –3 В.
Диапазон от –3 до +3 В — зона нечувствительности, обусловливающая гистерезис приемника: состояние линии будет считаться измененным только после пересечения порога.
Краткие характеристики RS-232В стандарте предусмотрены асинхронный и синхронный режимы обмена.Стандарт RS-232 предусматривает передачу данных при помощи электрических

Слайд 7Структурная схема подключения RS232

Структурная схема подключения RS232

Слайд 8Прием сигналов RS-232

Прием сигналов RS-232

Слайд 9Временная диаграмма сигнала RS-232

Временная диаграмма сигнала RS-232

Слайд 10Назначение сигналов интерфейса RS-232

Назначение сигналов интерфейса RS-232

Слайд 11Последовательность управляющих сигналов интерфейса (компьютер-модем)

Последовательность управляющих сигналов интерфейса (компьютер-модем)

Слайд 12Структурная схема подключения RS-422

Структурная схема подключения RS-422

Слайд 13Основные параметры

Основные параметры

Слайд 15Четырехпроводное соединение линий интерфейса RS-485

Четырехпроводное соединение линий интерфейса RS-485

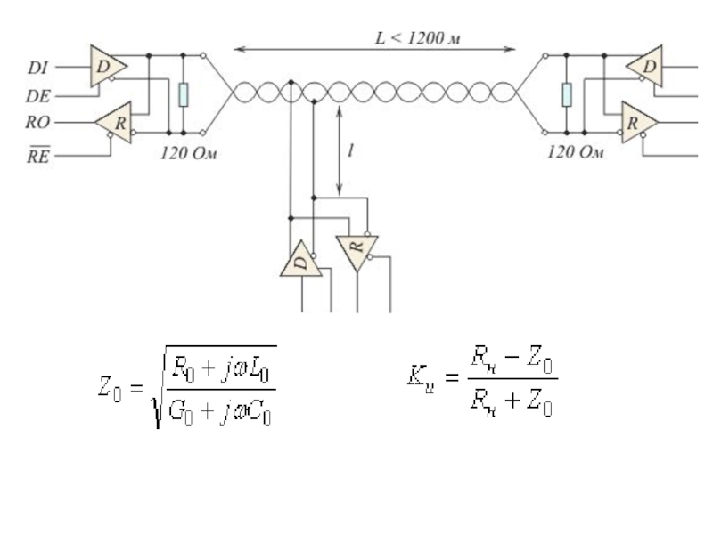
Слайд 17Двухпроводное соединение линий интерфейса RS-485

Двухпроводное соединение линий интерфейса RS-485

Слайд 20Основные параметры последовательных интерфейсов

Основные параметры последовательных интерфейсов

Обратная связь

Если не удалось найти и скачать доклад-презентацию, Вы можете заказать его на нашем сайте. Мы постараемся найти нужный Вам материал и отправим по электронной почте. Не стесняйтесь обращаться к нам, если у вас возникли вопросы или пожелания:

Email: Нажмите что бы посмотреть 

Что такое TheSlide.ru?

Это сайт презентации, докладов, проектов в PowerPoint. Здесь удобно  хранить и делиться своими презентациями с другими пользователями.


Для правообладателей

Яндекс.Метрика