Разделы презентаций


РАЗДЕЛ 4. ВЕНТИЛЯЦИЯ ВАГОНА Лекция 15. Управление вентиляционной установкой в

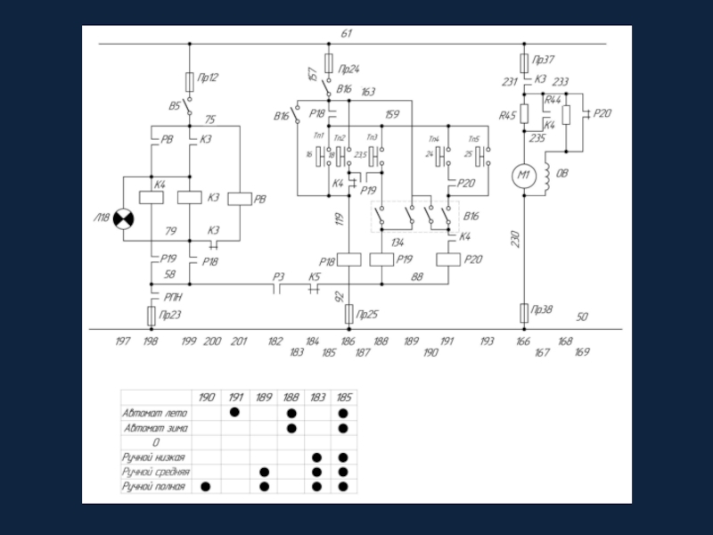
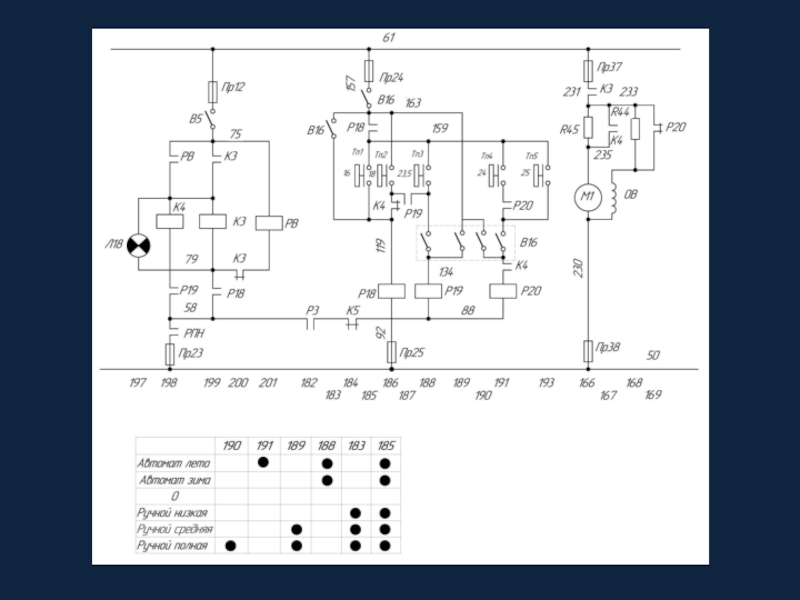
Пакетный переключатель вентиляционного агрегата В16 имеет 6 пар контактов. Все контакты имеют одинаковое обозначение В16. Для уточнения в схемах принята, так называемая, система адресов. Адрес – это номер условной воображаемой вертикали,

Слайды и текст этой презентации

Слайд 1РАЗДЕЛ 4. ВЕНТИЛЯЦИЯ ВАГОНА Лекция 15. Управление вентиляционной установкой в ручном режиме

РАЗДЕЛ 4. ВЕНТИЛЯЦИЯ ВАГОНА  Лекция 15. Управление вентиляционной установкой в ручном режиме

Слайд 2Пакетный переключатель вентиляционного агрегата В16 имеет 6 пар контактов. Все

контакты имеют одинаковое обозначение В16. Для уточнения в схемах принята,

так называемая, система адресов. Адрес – это номер условной воображаемой вертикали, на которой расположены элементы электроаппаратов. Например, контакты В16 имеют адреса: 183, 185, 189, 190, 191. Чтобы отследить замыкание контактов при различных положениях рукоятки переключателя, в схеме приведена таблица – «развёртка переключателя».
Пакетный переключатель вентиляционного агрегата В16 имеет 6 пар контактов. Все контакты имеют одинаковое обозначение В16. Для уточнения

Слайд 4В положении 0 все контакты разомкнуты.

В положении «Ручной. Низкая

скорость» замкнуты контакты на вертикалях 183 и 185. Через них

получает питание катушка реле Р18 по цепи: плюсовой провод 61, предохранитель Пр24, провод 157, контакт В16 (185), провод 163, контакт В16 (183), провод 119, катушка реле Р18, провод 92, предохранитель Пр25, минусовой провод 50.

В положении 0 все контакты разомкнуты. В положении «Ручной. Низкая скорость» замкнуты контакты на вертикалях 183 и

Слайд 5Реле Р18 включается и замыкает контакт на вертикали 199. Создается

цепь на катушку реле времени РВ (201): провод 61, предохранитель

Пр12, тумблер В5 «Управление», провод 75, катушка реле времени РВ, размыкающие контакты контактора К3, провод 79, замыкающий контакт реле Р18, провод 58, замыкающий контакт реле пониженного напряжения РПН, предохранитель Пр23, провод 50.

Реле пониженного напряжения РПН защищает АБ от чрезмерного разряда. Нормальное его положение «включено». Оно отключается и разъединяет провода 58 и 50 при напряжении АБ 44 – 40 В.

Реле Р18 включается и замыкает контакт на вертикали 199. Создается цепь на катушку реле времени РВ (201):

Слайд 6Реле времени включается и замыкает контакт на вертикали 198. Создается

цепь на катушку контактора К3: провод 75, контакт РВ,катушка К3,

контакты реле Р18, провод 58, РПН, Пр23, провод 50.
Включается контактор К3, его главные контакты создают цепь питания двигателя вентиляционной установки М1: провод 61, предохранитель Пр37, провод 231, контакты контактора К3, провод 233, резистор R45, провод 235, обмотка якоря М1, провод 230, предохранитель Пр38, провод 50. Параллельная цепь возбуждения: провод 233, размыкающие контакты реле Р20, обмотка возбуждения ОВ, провод 230. Двигатель включается, ток якоря ограничен резистором R45, возбуждение полное. При таком включении М1 вращается на низкой скорости.

Реле времени включается и замыкает контакт на вертикали 198. Создается цепь на катушку контактора К3: провод 75,

Слайд 7Также замыкается вспомогательный контакт контактора К3 на вертикали 199. Благодаря

ему контактор становится «на самоподхват», то есть цепь питания его

катушки сохранится и при выключении реле времени РВ. А РВ при этом отключится, потому что при включении контактора К3 его размыкающий контакт в минусовой цепи катушки РВ (вертикаль 200) разомкнётся. Потому и использовано реле времени, в котором контакты размыкаются через 2-3 секунды после обесточивания катушки.
Параллельно катушке контактора К3 подключена сигнальная лампа Л18 «Вентиляция».

Также замыкается вспомогательный контакт контактора К3 на вертикали 199. Благодаря ему контактор становится «на самоподхват», то есть

Слайд 9Переключаем В16 в положение «Ручной. Средняя скорость». По развёртке дополнительно

замыкается контакт на вертикали 189. От провода 163 через контакты

В16 (189), провод 134, и катушка реле Р19. Минусовая цепь катушки реле Р19: провод 88, размыкающие контакты контактора кипятильника К5 (кипятильник должен быть выключен), замыкающие контакты реле Р3 (оно замкнуто только при работающем генераторе), провод 58, замыкающий контакт РПН, Пр23, провод 50. Замыкаются контакты Р19 на вертикали 198, создается цепь на катушку контактора К4 (покажите самостоятельно). Обратите внимание, что плюс на катушку К4 подаётся через замыкающий контакт К3; тем самым обеспечивается нужная последовательность включения ступеней. Невозможно запустить вентилятор сразу на среднюю скорость, минуя низкую.

Переключаем В16 в положение «Ручной. Средняя скорость». По развёртке дополнительно замыкается контакт на вертикали 189. От провода

Слайд 10Главный контакт К4 на вертикали 167 выводит из цепи якоря

М1 резистор R45, частота вращения электродвигателя увеличивается. Отметим, что средняя

скорость вентилятора возможна только при работающем генераторе и выключенном кипятильнике.

Главный контакт К4 на вертикали 167 выводит из цепи якоря М1 резистор R45, частота вращения электродвигателя увеличивается.

Слайд 11Переключаем В16 в положение «Ручной. Высокая скорость». Дополнительно замыкается контакт

на вертикали 190, через замкнутый вспомогательный контакт К4 питается катушка

реле Р20, контакты реле выводят резистор R44 из цепи обмотки возбуждения, магнитный поток ослабевает, частота вращения электродвигателя увеличивается. Переход на полную скорость возможен только со средней скорости, но невозможен сразу с низкой. Поэтому в цепи реле Р20 имеется замыкающий контакт К4, блокирующий неправильную последовательность переключения вентилятора.

Переключаем В16 в положение «Ручной. Высокая скорость». Дополнительно замыкается контакт на вертикали 190, через замкнутый вспомогательный контакт

Слайд 13Вопросы для повторения:
1. Что такое система адресов? Развёртка переключателя?
2. Показать

схему ручного управления вентиляционной установкой на низкой скорости. Что будет,

если вместо реле времени применить обычное реле?
3. Показать схему ручного управления вентиляционной установкой на средней скорости. Можно ли включить вентилятор на среднюю скорость, минуя низкую? Можно ли включить среднюю скорость на стоянке?
4. Показать схему ручного управления вентиляционной установкой на полной скорости. Можно ли переключить вентилятор с низкой скорости на полную, минуя среднюю? Можно ли включить полную скорость на стоянке?






Вопросы для повторения: 1. Что такое система адресов? Развёртка переключателя?2. Показать схему ручного управления вентиляционной установкой на

Слайд 14Урок окончен

Урок окончен

Обратная связь

Если не удалось найти и скачать доклад-презентацию, Вы можете заказать его на нашем сайте. Мы постараемся найти нужный Вам материал и отправим по электронной почте. Не стесняйтесь обращаться к нам, если у вас возникли вопросы или пожелания:

Email: Нажмите что бы посмотреть 

Что такое TheSlide.ru?

Это сайт презентации, докладов, проектов в PowerPoint. Здесь удобно  хранить и делиться своими презентациями с другими пользователями.


Для правообладателей

Яндекс.Метрика