Разделы презентаций


Система обеспечения газом сухих газодинамических уплотнений

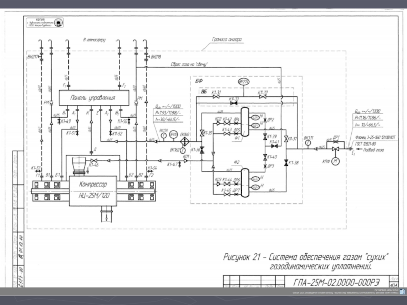
Система обеспечения газом СГУ предназначена для герметизации подшипниковых узлов, расположенных на концах вала компрессора, от транспортируемого природного газа и обеспечения заданных условий эксплуатации узлов уплотнений компрессора.

Слайды и текст этой презентации

Слайд 1Система обеспечения газом «сухих» газодинамических уплотнений

Система обеспечения газом «сухих» газодинамических уплотнений

Слайд 2Система обеспечения газом СГУ предназначена для герметизации подшипниковых узлов, расположенных

на концах вала компрессора, от транспортируемого природного газа и обеспечения

заданных условий эксплуатации узлов уплотнений компрессора.

Система обеспечения газом СГУ предназначена для герметизации подшипниковых узлов, расположенных на концах вала компрессора, от транспортируемого природного

Слайд 4Трубопроводная обвязка системы СГУ включает в себя:
- узлы уплотнений, поставляемые

совместно с компрессором (узлы уплотнений служат для предотвращения попадания транспортируемого

(технологического) газа в окружающее пространство).
- КИП СГУ (КИП СГУ предназначена для контроля параметров системы СГУ).
- трубопроводную обвязку системы СГУ ГПА-25М-02.0604-000 и трубопроводную обвязку системы СГУ в турбоблоке ГПА-25М-02.0604-500;
- линии электрической обвязки КИП СГУ (линии электрической обвязки КИП СГУ предназначены для питания измерительных преобразователей, установленных в панели, а также для передачи в САУ предупредительной сигнализации и сигналов для аварийного останова ГПА).

Трубопроводная обвязка системы СГУ включает в себя:- узлы уплотнений, поставляемые совместно с компрессором (узлы уплотнений служат для

Слайд 5Трубопроводная обвязка СГУ предназначена для:

предварительной очистки и подогрева буферного газа;

подвода

буферного газа от станционной сети к КИП СГУ (трубопроводы Е1

- Е);

- подвода буферного газа от КИП СГУ к узлам уплотнений, установленным в компрессоре (трубопроводы А1- Б1, А2-Б2);

Трубопроводная обвязка СГУ предназначена для:предварительной очистки и подогрева буферного газа;подвода буферного газа от станционной сети к КИП

Слайд 6отвода протечек буферного газа после первой ступени СГУ к КИП

СГУ (трубопроводы В1-В1 В2-В2);

отвода протечек буферного газа после первой ступени

СГУ к КИП СГУ на свечу (трубопроводы F1-БЗ, F2-B4);

отвода газа при разрыве предохранительной разрывной мембраны на свечу (трубопроводы РМ-ВЗ, РМ-В4);

- отвода газовоздушной смеси после второй ступени СГУ на свечу (трубопроводы Г1-ГЗ, Г2-Г4).

отвода протечек буферного газа после первой ступени СГУ к КИП СГУ (трубопроводы В1-В1 В2-В2);отвода протечек буферного газа

Слайд 8 Буферный (природный) газ подаваемый системами КС, подается по

трубопроводам в блок фильтров предварительной очистки буферного газа.
В

блоке фильтров происходит предварительная очистка буферного газа от механических примесей и капельной влаги. Далее газ по трубопроводам поступает в подогреватель газа ЕК160 и далее в КИП СГУ.
Включение и выключение подогревателя газа осуществляется с помощью САУ ГПА по сигналу датчика температуры ВК178, установленного в линии между подогревателем газа и КИП СГУ. В подогревателе газа имеется возможность уменьшения мощности подогревателя с шагом 4,5 кВт, а также в нём установлен регулятор температуры газа с возможностью устанавливать температуру газа в диапазоне от
0 до 140 °С.
Буферный (природный) газ подаваемый системами КС, подается по трубопроводам в блок фильтров предварительной очистки буферного

Слайд 9В панели КИП СГУ производится:

тонкая очистка буферного газа;

редуцирование давления

буферного газа, подаваемого в КИП СГУ, до давления Рсу

Рсу=Рвх+0,01 МПа,
где

Рсу - давление газа, поступающего в узлы уплотнений;

Рвх - давление газа на входе в компрессор;
регулирование давления буферного газа, поступающего в узлы уплотнений;

контроль протечек.

Далее по трубопроводам газ подводится в полости компрессора перед картриджами СГУ.

В панели КИП СГУ производится:тонкая очистка буферного газа; редуцирование давления буферного газа, подаваемого в КИП СГУ, до

Слайд 10 Часть подведенного буферного газа через лабиринтные уплотнения проходит

в газовый тракт, другая просачивается через первую ступень СГУ и

в виде протечек первой ступени отводится по трубопроводам на КИП СГУ и далее отводится в атмосферу.
Вторая ступень СГУ исполняет роль резерва на случай отказа первой ступени СГУ. Незначительное количество газа, проходящее через вторую ступень, смешивается с барьерным воздухом, надуваемым в проточку лабиринтного уплотнения между картриджем СГУ и подшипником. И далее отводится в атмосферу.

Часть подведенного буферного газа через лабиринтные уплотнения проходит в газовый тракт, другая просачивается через первую

Слайд 11При работе ГПА с помощью панели СГУ производится контроль за

следующими параметрами:
-перепад давления на фильтрах тонкой очистки буферного газа (предупредительная

сигнализация при повышенном перепаде давления);
-перепад давления «газ-газ» (предупредительная сигнализация при низком перепаде давления «газ-газ»);
-расход буферного газа после первой ступени (предупредительная сигнализация при увеличении протечек буферного газа после первой ступени);
-давление буферного газа после первой ступени СГУ (предупредительная сигнализация при низком и повышенном давлении за первой ступенью СГУ, аварийная сигнализация и команда на останов ГПА при разгерметизации узла уплотнения).

При работе ГПА с помощью панели СГУ производится контроль за следующими параметрами:-перепад давления на фильтрах тонкой очистки

Слайд 12Для защиты от превышения концентрации метана в линии сброса утечек

газа от второй ступени СГУ в линии трубопроводов отвода газовоздушной

смеси устанавливаются датчики контроля загазованности ВН217, ВН218.

Для удаления конденсата, образующегося в трубопроводах, предусмотрены краны шаровые Kl-47, К1-49...К1-54. Открытие кранов и удаление конденсата должно производиться только на остановленном ГПА.
Для защиты от превышения концентрации метана в линии сброса утечек газа от второй ступени СГУ в линии

Слайд 13В состав трубопроводной обвязки системы СГУ входит блок из двух

фильтров - коалесцеров буферного газа БФ, один основной другой резервный,

предназначенный для предварительной очистки газа от механических примесей и капельной влаги, подаваемого в СГУ

Кроме фильтров ФК в состав блока входят краны шаровые К1-35...К1-38, предназначенные для переключения между фильтрами, краны К1-39...К1-41, предназначенные для стравливания газа из фильтров, а также для плавного заполнения фильтров газом при их переключении с целью исключения разрушения фильтроэлементов.
В состав трубопроводной обвязки системы СГУ входит блок из двух фильтров - коалесцеров буферного газа БФ, один

Слайд 14 Фильтр состоит из двух камер.
В нижней камере

происходит грубая очистка газа от механических примесей и капельной влаги.

В верхней камере происходит тонкая чистка.
В каждой из камер установлены датчики уровня конденсата. Слив конденсата осуществляется автоматически во всасывающий патрубок компрессора.
Для контроля перепада давлений в полостях фильтра в блоке установлен датчик разности давлений ВР274.

Фильтр состоит из двух камер. В нижней камере происходит грубая очистка газа от механических примесей

Обратная связь

Если не удалось найти и скачать доклад-презентацию, Вы можете заказать его на нашем сайте. Мы постараемся найти нужный Вам материал и отправим по электронной почте. Не стесняйтесь обращаться к нам, если у вас возникли вопросы или пожелания:

Email: Нажмите что бы посмотреть 

Что такое TheSlide.ru?

Это сайт презентации, докладов, проектов в PowerPoint. Здесь удобно  хранить и делиться своими презентациями с другими пользователями.


Для правообладателей

Яндекс.Метрика