Разделы презентаций


Электронный курс лекций Информатика

Содержание

Цели преподавания дисциплины «Информатика»: формирование первичных, основополагающих знаний, умений, навыков и компетенций у студентов в области выбранного профиля подготовки. Задачами дисциплины «Информатика» являются: - приобретение обучающимися знаний

Слайды и текст этой презентации

Слайд 1 Электронный курс лекций «Информатика»

Электронный курс лекций    «Информатика»

Слайд 2Цели преподавания дисциплины «Информатика»: формирование первичных, основополагающих знаний, умений, навыков

и компетенций у студентов в области выбранного профиля подготовки. Задачами дисциплины

«Информатика» являются: - приобретение обучающимися знаний в области информатики, обеспечивающих изучение последующих дисциплин профессионального цикла; - формирование умений и навыков применения компьютерных технологий для решения задач, возникающих в процессе обучения в вузе, а также задач предметной области своей будущей деятельности; - воспитание ответственного отношения к соблюдению этических и правовых норм информационной деятельности.

Цели и задачи дисциплины:

Цели преподавания дисциплины «Информатика»:   формирование первичных, основополагающих знаний, умений, навыков и компетенций у студентов в

Слайд 3Знать: базовый курс среднего учебного заведения; Уметь: использовать систематизированные теоретические и

практические знания при решении поставленных задач, принимать обоснованные решения; Владеть: основными

методами исследования окружающей действительности и обработки полученной информации.

Для освоения данной дисциплины студент
должен:

Знать: базовый курс среднего учебного заведения;  Уметь: использовать систематизированные теоретические и практические знания при решении поставленных

Слайд 4Знать: - основные теоретические положения информатики; - системы кодирования и

способы представления информации в ЭВМ; - принципы функционирования локальных и глобальных

сетей; начала алгоритмизации и программирования; - о потенциальных угрозах, которые возможны при работе с электронной информацией и методах защиты от них. Уметь: - выполнять типовые операции по управлению компьютером в ОС Windows; - работать с MS Office, с информационными ресурсами сети Интернет; - работать в локальных информационных сетях; - на основе полученных знаний самостоятельно ставить исследовательские задачи и находить адекватные методы их решения. Владеть: - терминологией в области информатики; - навыками использования системных программных средств сервисного назначения (архиваторов, антивирусов и т.п.).

В результате освоения дисциплины
обучающийся должен:

Знать:  - основные теоретические положения информатики;  - системы кодирования и способы представления информации в ЭВМ;

Слайд 5Содержание:
Лекция № 1
Лекция № 2
Лекция № 3
Лекция № 4
Лекция

№ 5
Лекция № 6
Лекция № 7
Лекция № 8
Лекция № 9
Литература
Введение

в предмет

Информатика в деятельности специалиста

Экономические и правовые аспекты информационных технологий

Организация информации

Архитектура и функционирование ПК

Программное обеспечение

Информационные системы

Основы алгоритмизации

Методы защиты информации

Содержание:Лекция № 1 Лекция № 2Лекция № 3Лекция № 4Лекция № 5Лекция № 6Лекция № 7Лекция №

Слайд 6Лекция 1 (2 ч.): Введение в предмет Научно-технический прогресс и

информатизация общества. Понятие информационной культуры. Понятие информатики. История развития информатики.

Место информатики в ряду других фундаментальных наук.

Бурное развитие компьютерной техники послужило толчком к развитию общества, построенного на использовании различной информации и получившего название информационного общества.

Научно-технический прогресс (НТР) - коренное, качественное преобразование производительных сил на основе превращения науки в ведущий фактор развития общественного производства.

Информационное общество — общество, в котором большинство работающих занято производством, хранением, переработкой и реализацией информации, особенно высшей ее формы — знаний.

Ближе всех на пути к информационному обществу стоят страны с развитой информационной индустрией: США, Япония, Англия, Германия, страны Западной Европы.

Лекция 1 (2 ч.): Введение в предмет  Научно-технический прогресс и информатизация общества. Понятие информационной культуры. Понятие

Слайд 7История развития информатики

Начальный этап – освоение человеком развитой

устной речи.
Второй этап – возникновение письменности.
Третий этап – книгопечатание.

Четвертый этап

– успехи точных наук, возникновение мощных средств связи (радио, телефон, телеграф), развитие телевидения, фотографии, кино, запись информации на магнитные носители.

Начало истории – разработка первых ЭВМ.

Термин «информатика» (франц. informatique) возник в начале 60-х гг. XX в. во Франции для выделения области знаний, связанной с автоматизированной обработкой информации с помощью электронно-вычислительных машин. Он происходит от французских слов information (информация) и automatique (автоматика) и дословно означает «информационная автоматика». Широко распространён также англоязычный вариант этого термина — «Сomputer science», что означает буквально «компьютерная наука».

История развития информатикиНачальный этап –   освоение человеком развитой устной речи.Второй этап – 	возникновение письменности.Третий этап

Слайд 8 Понятие «Информационная культура» базируется на двух

фундаментальных понятиях: информация и культура. Исходя из этого, ряд исследователей

предлагают выделить «культурологический» и «информационный» подходы к трактовке этого понятия.

В рамках культурологического подхода информационная культура рассматривается как способ жизнедеятельности человека в информационном обществе, как составляющая процесса формирования культуры человечества.

В рамках информационного подхода большинство исследователей подразумевают совокупность знаний, умений и навыков поиска, отбора, хранения и анализа информации, то есть всего того, что включается в информационную деятельность, направленную на удовлетворение информационных потребностей.

В последнее время усиливается тенденция к целостному рассмотрению информационной культуры личности с позиций интеграции её информационной и культурологической компонент.

Понятие «Информационная культура» базируется на двух фундаментальных понятиях: информация и культура. Исходя из

Слайд 9Информационная культура – это и часть общей культуры, и систематизированная

совокупность знаний, умений, навыков, обеспечивающая оптимальное осуществление индивидуальной информационной деятельности,

направленной на удовлетворение собственных информационных потребностей.

Данная совокупность включает следующее:

1. Наличие информационного мировоззрения.

2. Умение формулировать свои информационные запросы.

3. Способность осуществлять самостоятельный информационный поиск различных видов документов.

4. Обладание навыками анализа и синтеза информации.

5. Владение технологией информационного самообеспечения.
Информационная культура – это и часть общей культуры, и систематизированная совокупность знаний, умений, навыков, обеспечивающая оптимальное осуществление

Слайд 10 В 1978 году международный научный конгресс

официально закрепил за понятием «информатика» области, связанные с разработкой, созданием,

использованием и материально-техническим обслуживанием систем обработки информации, включая компьютеры и их программное обеспечение, а также организационные, коммерческие, административные и социально-политические аспекты компьютеризации — массового внедрения компьютерной техники во все области жизни людей.

Информатика — это основанная на использовании компьютерной техники дисциплина, изучающая структуру и общие свойства информации, а также закономерности и методы её создания, хранения, поиска, преобразования, передачи и применения в различных сферах человеческой деятельности.
В 1978 году международный научный конгресс официально закрепил за понятием «информатика» области, связанные

Слайд 11Информатику обычно представляют состоящей из двух частей:
технические средства;
программные средства.

Технические

средства, то есть аппаратура компьютеров, в английском языке обозначаются словом

Hardware, которое буквально переводится как «твёрдые изделия».

А для программных средств выбрано (а точнее, создано) очень удачное слово Software (буквально — «мягкие изделия»), которое подчёркивает равнозначность программного обеспечения и самой машины и вместе с тем подчёркивает способность программного обеспечения модифицироваться, приспосабливаться, развиваться.

Программное обеспечение — это совокупность всех программ, используемых компьютерами, а также вся область деятельности по их созданию и применению.
Информатику обычно представляют состоящей из двух частей: технические средства;программные средства.Технические средства, то есть аппаратура компьютеров, в английском

Слайд 1212
Помимо этих двух общепринятых ветвей информатики

выделяют ещё одну существенную ветвь — алгоритмические средства. Для неё

российский академик А.А. Дородницин предложил название Brainware (от англ. brain — интеллект). Эта ветвь связана с разработкой алгоритмов и изучением методов и приёмов их построения.

Алгоритмы — это правила, предписывающие выполнение последовательностей действий, приводящих к решению задачи.
12    Помимо этих двух общепринятых ветвей информатики выделяют ещё одну существенную ветвь — алгоритмические

Слайд 13Место информатики внутри других фундаментальных наук

Как фундаментальная наука информатика связана

с:

Филологией – через учение об информации и теорию познания;

Математикой –

через теорию математического моделирования;

Математической логикой – через теорию алгоритма;

Лингвистикой – через учение о формальных я зыках и знаковых системах

Место информатики внутри других фундаментальных наукКак фундаментальная наука информатика связана с:Филологией – через учение об информации и

Слайд 14Информация в физике
В физике мерой беспорядка, хаоса для термодинамической системы

является энтропия системы, тогда как информация является мерой упорядоченности и

сложности системы. Таким образом, в физике информация рассматривается как антиэнтропия или энтропия с обратным знаком.

Информация в биологии
В биологии, которая изучает живую природу, понятие «информация» связывается с целесообразным поведением живых организмов. Такое поведение строится на основе получения и использования организмом информации об окружающей среде.

Информация в кибернетике
В кибернетике (науке об управлении) понятие «информация» связано с процессами управления в сложных системах (живых организмах или технических устройствах).
Информация в физикеВ физике мерой беспорядка, хаоса для термодинамической системы является энтропия системы, тогда как информация является

Слайд 15Лекция 2 (2 ч.): Информатика в деятельности специалиста Информационная модель объекта

деятельности специалиста. Информационный ресурс, его потенциал и возможности использования. Информатизация

управленческого решения.

Информационная модель объекта деятельности специалиста - это модель, содержащая целенаправленно отобранную и представленную в некоторой форме наиболее существенную информацию об объекте

Адекватность информационной модели - это соответствие информационной модели объекту-оригиналу по тем свойствам, которые считаются существенными для исследования.

Лекция 2 (2 ч.): Информатика в деятельности специалиста Информационная модель объекта деятельности специалиста. Информационный ресурс, его потенциал

Слайд 17Информационный ресурс, его потенциал и возможности использования
Информационные

ресурсы – в широком смысле – совокупность данных, организованных для

эффективного получения достоверной информации.

Информационные ресурсы – по законодательству РФ – отдельные документы и отдельные массивы документов, документы и массивы документов в информационных системах: библиотеках, архивах, фондах, банках данных, других видах информационных систем.


Информационный ресурс, его потенциал и возможности использования   Информационные ресурсы – в широком смысле – совокупность

Слайд 18 В понятие информационный потенциал общества включается

не только весь индустриально-технологический комплекс средств информатики той или иной

страны, но также и сеть научно-исследовательских, учебных, административных, коммерческих и других организаций и социальных институтов, деятельность которых содействует эффективному использованию информационных ресурсов, а также подготовке для этих целей необходимого количества специалистов соответствующего профиля.

В связи с этим особую актуальность приобретает проблема повышения информационной культуры общества, т.е. степени его подготовленности к эффективному использованию информационных ресурсов и продуцированию новых знаний. Суть этой проблемы заключается в том, что остро ощущается тенденция отставания темпов и уровня образования в области информатики и информационных технологий от соответствующих темпов и уровня развития инструментальных средств. Эта тенденция имеет глобальный характер. Отчасти это связано с общеизвестной инерционностью образовательной системы. Но в России эта проблема стоит особенно остро по причине низкого уровня оснащенности современными средствами информатики учебных заведений.
В понятие информационный потенциал общества включается не только весь индустриально-технологический комплекс средств информатики

Слайд 19Информатизация управленческого решения
Целью информационной технологии управления

является удовлетворение информационных потребностей всех без исключения сотрудников фирмы, имеющих

дело с принятием решений. Она может быть полезна на любом уровне управления.

Эта технология ориентирована на работу в среде информационной системы управления и используется при худшей структурированности решаемых задач, если их сравнивать с задачами, решаемыми с помощью информационной технологии обработки данных.
Информатизация управленческого решения   Целью информационной технологии управления является удовлетворение информационных потребностей всех без исключения сотрудников

Слайд 20Лекция 3 (2 ч.): Экономические и правовые аспекты информационных технологий Мировоззренческие

экономические и правовые аспекты информационных технологий. Правовые нормы защиты информации

в Российской Федерации.

Конституция Российской Федерации установила право искать, получать, передавать, производить и распространять информацию (ст. 29). Все граждане обладают равным правом на информацию. Оно может быть ограничено федеральным законом только в той мере, в какой это необходимо для защиты основ конституционного строя, нравственности, прав и законных интересов других лиц, обеспечения обороны страны и безопасности государства.

Один из ключевых моментов в реализации права на информацию - доступ к ней. Государство обеспечивает доступ путем официальной публикации информации, распространения ее через СМИ, а также путем непосредственного предоставления документов и материалов заинтересованным лицам, в том числе сведений, на основе которых приняты решения, затрагивающие права и свободы граждан.

Лекция 3 (2 ч.): Экономические и правовые аспекты информационных технологий Мировоззренческие экономические и правовые аспекты информационных технологий.

Слайд 21 Защита программного обеспечения преследует цели:

• ограничение несанкционированного доступа к программам или их преднамеренное

разрушение и хищение;
• исключение несанкционированного копирования (тиражирования) программ.

Программный продукт и базы данных должны быть защищены по нескольким направлениям от воздействия:
• человека - хищение машинных носителей и документации программного обеспечения, нарушение работоспособности программного продукта и др.;
• аппаратуры - подключение к компьютеру аппаратных средств для
считывания программ и данных или их физического разрушения;
• специализированных программ - приведение программного продукта или базы в неработоспособное состояние (например, вирусное заражение), несанкционированное копирование программ и базы данных и т.д.
Защита программного обеспечения преследует цели:   • ограничение несанкционированного доступа к программам

Слайд 22В Российской Федерации принят ряд указов, постановлений, законов

Документы, регламентирующие информацию в качестве объектов права:

1. Первая часть гражданского

кодекса Российской Федерации, принятого 21.04.94 г.: статьи 128, 138, 139, 209.

2. Законы Российской Федерации:
• «Об информации, информатизации и защите информации» от 20.01.95 г.;
• «О государственной тайне»;
• «Об авторском праве и смежных правах»;
• «О правовой охране программ для ЭВМ и баз данных»;
• «О правовой охране топологий интегральных схем»;
• «О банках и банковской деятельности» от 2.11.90 г.

3. Постановление правительства РСФСР № 35 от 05.12.91 г. «О перечне сведений, которые не могут составлять коммерческую тайну».
В Российской Федерации принят ряд указов, постановлений, законов   Документы, регламентирующие информацию в качестве объектов права:1.

Слайд 23Закон «Об информации, информатизации и защите информации» является базовым юридическим

документом информационного общества.

Закон состоит из 25 статей, сгруппированных по пяти

главам:
- Общие положения.
- Информационные ресурсы.
- Пользование информационными ресурсами.
- Информатизация, информационные системы, технологии и средства их обеспечения.
- Защита информации и прав субъектов в области информационных процессов и информатизации.

В законе определены цели и основные направления государственной политики в сфере информатизации. Информатизация определяется как важное новое стратегическое направление деятельности государства.
Закон «Об информации, информатизации и защите информации» является базовым юридическим документом информационного общества.Закон состоит из 25 статей,

Слайд 25Лекция 4 (2 ч.): Организация информации Семантика и формализация в информатизации

(источники информации, потребительские свойства, системы классификации и кодирования информации). Единицы

измерения информации. Методы измерения количества информации. Информация и энтропия. Представление информации в компьютере. Системы счисления. Логика высказываний. Форматы представления чисел с фиксированной и плавающей запятой. Коды: прямой, обратный, дополнительный, модифицированный.

В процессе переработки информации цифровые ЭВМ - компьютеры, оперируют числами, которые представляются в некоторой системе счисления.

Система счисления - это совокупность приемов и правил для записи чисел цифровыми знаками. Запись числа в некоторой системе счисления часто называют кодом числа.

Элементы (символы) алфавита, которые используются для записи чисел в некоторой системе счисления, принято называть цифрами. Каждой цифре данного числа однозначно сопоставляется ее количественный (числовой) эквивалент.

Лекция 4 (2 ч.): Организация информации Семантика и формализация в информатизации (источники информации, потребительские свойства, системы классификации

Слайд 26Различают позиционные и непозиционные системы счисления.
Непозиционная система счисления - это

система, для которой значение символа, т.е. цифры, не зависит от

его положения в числе.

К таким системам относится, в частности, римская система (правда с некоторыми оговорками). Здесь, например, символ V всегда означает пять, вне зависимости от места его появления в записи числа. Есть и другие современные непозиционные системы.

Позиционная система счисления - это система, в которой значение каждой цифры зависит от ее числового эквивалента и от ее места (позиции) в числе, т.е. один и тот же символ (цифра) может принимать различные значения.

Наиболее известной позиционной системой счисления является десятичная система счисления. Например, в десятичном числе 537 первая цифра справа означает 7 единиц, соседняя с ней - 3 десятков, а левая - 5 сотен.

Длина числа - это количество позиций (или разрядов) в записи числа.
Различают позиционные и непозиционные системы счисления. Непозиционная система счисления - это система, для которой значение символа, т.е.

Слайд 27 Римская система – пример позиционной системы счисления.


Например, IV – соответствует числу «4» в десятичной системе счисления.

При изменении порядка следования чисел на VI, изменяется и само значение числа на «6». Таким образом, значение числа зависит от позиции цифр в нем.
Римская система – пример позиционной системы счисления. Например, IV – соответствует числу «4» в

Слайд 28Методы перевода чисел
Для перевода целых чисел из десятичной системы счисления

в любую другую чаще всего применяют два метода - метод

разностей и метод поэтапного деления на основание системы счисления.
Метод разностей.
Для перевода чисел этим методом в двоичную систему счисления нам понадобится таблица степеней числа 2.

Например, переведем число 24 в двоичную систему счисления при помощи таблицы:

Таким образом: 24 10 =110002

Методы перевода чиселДля перевода целых чисел из десятичной системы счисления в любую другую чаще всего применяют два

Слайд 29Перевод чисел делением на основание новой системы (метод поэтапного деления)
Основание

позиционной системы счисления - это количество различных знаков или символов,

используемых для изображения цифр в данной системе.

При переводе чисел из десятичной системы счисления в систему с основанием P > 1 обычно используют следующий алгоритм:
если переводится целая часть числа, то она делится на P, после чего запоминается остаток от деления. Полученное частное вновь делится на P, остаток запоминается. Процедура продолжается до тех пор, пока частное не станет равным нулю. Остатки от деления на P выписываются в порядке, обратном их получению;
если переводится дробная часть числа, то она умножается на P, после чего целая часть запоминается и отбрасывается. Вновь полученная дробная часть умножается на P и т.д. Процедура продолжается до тех пор, пока дробная часть не станет равной нулю. Целые части выписываются после двоичной запятой в порядке их получения. Результатом может быть конечная либо периодическая двоичная дробь. Когда дробь является периодической, нужно обрывать умножение на каком-либо шаге и довольствоваться приближенной записью.
Перевод чисел делением на основание новой системы (метод поэтапного деления)Основание позиционной системы счисления - это количество различных

Слайд 30 Например, переведем число 61 в двоичную

систему счисления методом поэтапного деления:
Ответ: 6110 = 1011112. (от

последнего остатка (результата деления) к первому).
Например, переведем число 61 в двоичную систему счисления методом поэтапного деления: Ответ: 6110

Слайд 31Вычитание двоичных чисел.
0 - 0 = 0
1 - 0 =

1
1 - 1 = 0
0 - 1 = 10 -

1 = 1 (происходит заимствование в старшем разряде)

Умножение двоичных чисел.
0*0 = 0
0*1 = 0
1*0 = 0
1*1 = 1
Деление двоичных чисел.

Деление двоичных чисел производится по тем же правилам, что и для десятичных. При этом используются таблицы двоичного умножения и вычитания.

Двоичная арифметика
Сложение двоичных чисел.
0 + 0 = 0
1 + 0 = 1
0 + 1 = 1
1 + 1 = 10 (1 переносится в старший разряд)

Вычитание двоичных чисел.0 - 0 = 01 - 0 = 11 - 1 = 00 - 1

Слайд 32Каждому двоичному числу можно поставить в соответствие несколько видов кодов.

Существуют следующие коды двоичных чисел: прямой, обратный, дополнительный, модифицированный.

К кодам

выдвигаются следующие требования:
1) Разряды числа в коде жестко связаны с определенной разрядной сеткой.
2) Для записи кода знака в разрядной сетке отводится фиксированный, строго определенный разряд.

Прямой код – непосредственно запись двоичного числа с кодом знака. Первый, отделенный запятой разряд содержит знак (0 – «+», 1 – «–»). Рассмотрим случай, когда под число отводится 1 байт (8 разрядов – 7 на число, 1 – на знак)

Прямой код числа +1010 будет иметь вид: 0,0001010.
Прямой код числа –1010 будет иметь вид: 1,0001010.

Каждому двоичному числу можно поставить в соответствие несколько видов кодов. Существуют следующие коды двоичных чисел: прямой, обратный,

Слайд 33Обратный код - для положительного числа совпадает с прямым кодом.

Для отрицательного числа все цифры числа заменяются на противоположные (1

на 0, 0 на 1), а в знаковый разряд заносится единица.

Обратным кодом числа +1010 будет 0,0001010.
Обратным кодом числа –1010 будет 1,1110101.

Дополнительный код положительного числа совпадает с прямым кодом. Для отрицательного числа дополнительный код образуется путем получения обратного кода и добавлением к младшему разряду единицы.

Дополнительным кодом числа +1010 будет 0,0001010.

Дополнительным кодом числа –1010 будет 1,1110110.
Обратный код - для положительного числа совпадает с прямым кодом. Для отрицательного числа все цифры числа заменяются

Слайд 34 Модифицированные коды

В связи с

возможностью возникновения ошибки в случае:
X = 0,11111000 Y = 0,11110000

X + Y = 1,11101000 - изменился знак.
были введены модифицированные коды. Их суть в том, что под знак в них отводится 2 разряда. 00 – плюс, 11 – минус. Все остальные случаи (01, 10) – указывают на переполнение разрядной сетки и неверность ответа.

Пример:

X = 00,101101 Y = 00,100011 X + Y = 01,010000 – переполнение
Модифицированные коды   В связи с возможностью возникновения ошибки в случае:X = 0,11111000

Слайд 35Логика высказываний

Все компьютерные программы, демонстрирующие интеллектуальное поведение, основаны на использовании

определенного математического аппарата, опирающегося на законы математической логики. Без понимания

этих законов невозможно понимание принципов работы вычислительных машин вообще и систем искусственного интеллекта в частности.

Логика - это наука, изучающая правильность суждений, рассуждений и доказательств. Примеры суждений: «снег белый», «22=3», «Земля круглая».

Суждения могут быть истинными или ложными. Истинность или ложность суждений проверяется их соответствием действительности. Пример истинного суждения - «снег белый». Пример ложного суждения - «22=3».

Суждение истинно, если оно отражает действительное положение вещей.
Суждение ложно, если оно противоречит истинному положению вещей.
Однако существуют суждения, об истинности или ложности которых нельзя судить однозначно. Пример таких суждений: «есть жизнь на Марсе», «машина может думать», «астрология - наука».
Логика высказыванийВсе компьютерные программы, демонстрирующие интеллектуальное поведение, основаны на использовании определенного математического аппарата, опирающегося на законы математической

Слайд 36 Математическая логика - это дисциплина, изучающая

технику математических доказательств.

Основными объектами в математической логике являются -

высказывания и предикаты. Первые изучаются в исчислении выска­зываний, а вторые - в исчислении предикатов.

Высказывания - это суждения, о которых может быть известно - что они истины или ложны. В исчислении высказываний не исследуется - о чем утверждается в этих суждениях.

Высказывания обычно обозначаются отдельными буквами или буквами с возможными индексами. Примеры простых высказываний и их обозначений:

А = «снег белый»
В1 = «вода теплая»
Математическая логика - это дисциплина, изучающая технику математических доказательств. Основными объектами в математической

Слайд 37В отличии от высказываний предикаты - это суждения о некоторых

переменных объектах или их свойствах.

Примеры предикатов:
А(х) = «цвет х»;
В(х,

у) = «х < у», где х, у - это некоторые переменные (объекты).

Значениями переменных в предикатах могут быть числа, слова, вектора, списки, функции, процедуры, алгоритмы или даже программы. Для математической логики существенно, чтобы эти переменные объекты имели конструктивную форму и были бы строго определены.

С математической точки зрения предикаты - это функции, имеющие одну или несколько переменных и принимающие логические значения «истина» или «ложь». Обозначения предикатов в математической логике схожи с обозначениями обычных математических функций: Р(х), Q(x,y) и т.д.
В отличии от высказываний предикаты - это суждения о некоторых переменных объектах или их свойствах. Примеры предикатов:А(х)

Слайд 38Суждения в математической логике могут быть простыми и сложносоставными.

Сложносоставные суждения

в математической логике образуются из простых с помощью логических связок

и, или и не, выражающих три основных логических операции:
логическая связка не - отрицание суждений;
логическая связка или - конъюнкция суждений;
логическая связка и - дизъюнкция суждений.
Примеры сложносоставных суждений:

Логическая связка не используется для выражения отрицаний.
Свойства отрицаний:
1: Отрицание ложно, если суждение истинно.
2: Отрицание истинно, если суждение ложно.

Суждения в математической логике могут быть простыми и сложносоставными.Сложносоставные суждения в математической логике образуются из простых с

Слайд 39 Логическая связка и в математической логике

называется конъюнкцией. Таблица истинности конъюнкции:
1: Конъюнкция А и В истинна,

когда истинны оба суждения.
2: Конъюнкция А и В ложна, когда ложно хотя бы одно из суждений А или В.
Логическая связка или в математической логике называется дизъюнкцией.
Свойства дизъюнкции:
1: Дизъюнкция А или В истинна, когда истинно любое из суждений А или В.
2: Дизъюнкция А или В ложна, когда ложны оба суждения А и В.

Импликация АВ - это логическое следование: «если А, то В». Первое суждение в импликации называется посылкой, а второе суждение - следствием.
Свойства импликации:
1: «Импликация АВ ложна, когда посылка А истинна, а следствие В - ложно».
2: «Импликация АВ истинна, когда истинно следствие либо ложны и посылка и следствие».
Логическая связка и в математической логике называется конъюнкцией. Таблица истинности конъюнкции:1: Конъюнкция А

Слайд 40Представление чисел с фиксированной и плавающей запятой
В вычислительных машинах применяются

две формы представления чисел: - естественная форма или форма с фиксированной

запятой (точкой); - нормализованная форма или форма с плавающей запятой (точкой).

С фиксированной запятой числа изображаются в виде последовательности цифр с постоянным для всех чисел положением запятой, отделяющей целую часть от дробной. Например,  3,71;  0,0756;  –55,2.
С плавающей запятой  числа изображаются в виде:

где M –мантисса числа (правильная дробь в пределах 0,1 ≤ M < 1), 
r - порядок числа (целое),
P - основание системы счисления.

Например, приведенные выше числа с фиксированной запятой можно преобразовать в числа с плавающей запятой следующим образом: 0,371×101, 0,756×10–1, -5,552×102.

Представление чисел с фиксированной и плавающей запятойВ вычислительных машинах применяются две формы представления чисел: - естественная форма

Слайд 41Алгебраические действия над числами с плавающей и фиксированной запятой

Сложение чисел

с фиксированной запятой
Алгебраическое сложение чисел с фиксированной запятой в цифровых

машинах может производиться в одном из машинных кодов: прямом, дополнительном или обратном. Чаще всего используется либо дополнительный, либо обратный код. При этом знаковый разряд и цифровая часть числа рассматривается как единое целое, в результате чего с отрицательными числами машина оперирует как с положительными, независимо от того, представлены ли они в виде правильных дробей или в виде целых чисел.

Алгебраическое сложение многоразрядных чисел обычно организуется как регулярный процесс, состоящий из n одинаковых операций поразрядного сложения-вычитания, где n – количество разрядов в каждом из операндов.
Алгебраические действия над числами с плавающей и фиксированной запятойСложение чисел с фиксированной запятойАлгебраическое сложение чисел с фиксированной

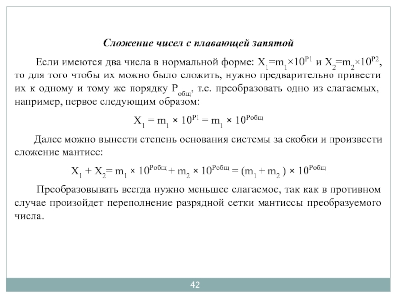
Слайд 42Сложение чисел с плавающей запятой
Если имеются

два числа в нормальной форме: Х1=m1×10P1 и Х2=m2×10P2, то для

того чтобы их можно было сложить, нужно предварительно привести их к одному и тому же порядку Робщ, т.е. преобразовать одно из слагаемых, например, первое следующим образом:
Х1 = m1 × 10P1 = m1 × 10Pобщ
Далее можно вынести степень основания системы за скобки и произвести сложение мантисс:
Х1 + Х2= m1 × 10Pобщ + m2 × 10Pобщ = (m1 + m2 ) × 10Pобщ
Преобразовывать всегда нужно меньшее слагаемое, так как в противном случае произойдет переполнение разрядной сетки мантиссы преобразуемого числа.
Сложение чисел с плавающей запятой    Если имеются два числа в нормальной форме: Х1=m1×10P1 и

Слайд 43Машинная операция сложения чисел в нормальной форме распадается таким образом,

на 4 этапа:

1. Уравниваются порядки слагаемых: меньший порядок увеличивается до

большего, мантисса преобразуемого числа сдвигается вправо (число денормализуется) на соответствующее количество разрядов. Практически в машинах производится вычитание порядков операндов. Знак и модуль разности Р1 - Р2 определяют соответственно, какое из слагаемых нужно преобразовывать и на сколько единиц следует сдвигать мантиссу преобразуемого числа.

2. Производится преобразование мантисс слагаемых в один из модифицированных кодов.

3. Мантиссы слагаемых суммируются по правилам сложения дробных чисел с фиксированной запятой.

4. В случае надобности мантисса суммы переводится в прямой код, производится нормализация суммы и округление ее мантиссы.
Машинная операция сложения чисел в нормальной форме распадается таким образом, на 4 этапа:1. Уравниваются порядки слагаемых: меньший

Слайд 44Умножение чисел с фиксированной запятой

Наиболее просто

умножение выполняется в прямом коде, независимо от того, являются ли

операнды целыми или дробными числами. В машинах с фиксированной запятой оно реализуется в два этапа:

1. Определяется знак произведения с помощью сложения знаковых цифр сомножителей по модулю два, где нуль соответствует плюсу, а единица - минусу:
0 + 0 = 0
0 + 1 = 1
1 + 0 = 1
1 + 1 = 0

2. Производиться перемножение модулей сомножителей, затем в случае необходимости округление полученного модуля произведения, после чего к модулю результата приписывается его знак, определенный на первом этапе. Умножение производится по обычным правилам арифметики согласно двоичной таблицы умножения.
Умножение чисел с фиксированной запятой    Наиболее просто умножение выполняется в прямом коде, независимо от

Слайд 45Умножение чисел с плавающей запятой

Если имеем

два сомножителя, заданные в нормальной форме Х1= m1 × 10P1

и Х2= m2 × 10P2, то их произведение определяется следующим образом:
Х1 × Х2= m1 × m2 × 10P1+P2.

Анализ этого соотношения показывает, что умножение чисел в машинах с плавающей запятой производится в четыре этапа:

1. Определение знака произведения путем сложения по модулю два знаковых цифр мантисс сомножителей.
2. Перемножение модулей мантисс сомножителей по правилам для дробных чисел с фиксированной запятой.
3. Определение порядка произведения путем алгебраического сложения порядков сомножителей с использованием либо дополнительного, либо обратного модифицированного кода.
4. Нормализация результата и округление мантиссы в случае необходимости. Поскольку сомножители обязательно являются нормализованными числами, то денормализация произведения возможна только на разряд и только вправо.
Умножение чисел с плавающей запятой    Если имеем два сомножителя, заданные в нормальной форме Х1=

Слайд 46Деление чисел с фиксированной запятой

Деление чисел

с фиксированной запятой осуществляется «в столбик». Запятая в делителе сдвигается

в крайнее правое положение (на некоторое n), к делимому «приписывается» n нулей. Далее деление представляет собой последовательные операции алгебраического сложения делимого и делителя, а затем остатков и сдвига. Сложение делимого и делителя, а затем остатков и сдвига осуществляется в обратном коде.
Деление чисел с плавающей запятой
Если имеем два числа, заданные в нормальной форме Х1=m1×10P1 и Х2= m2×10P2, то их частное определяется следующим образом:
Х1÷ Х2= m1 ÷ m2 × 10P1-P2.
1. Определяется знак путем сложения знаковых разрядов чисел без сдвига (по модулю 2).
2. По правилам деления чисел с фиксированной запятой находится m1 ÷ m2
3. Вычисляется порядок произведения путем вычисления разности P1 - P2 (в обратном или дополнительном коде)
4. Нормализуется результат.
Деление чисел с фиксированной запятой    Деление чисел с фиксированной запятой осуществляется «в столбик». Запятая

Слайд 47Единицей информации в компьютере является один бит, т.е. двоичный разряд,

который может принимать значение 0 или 1.

Байт – (byte)

более крупная единица информации, применяющаяся на практике, восьми битам. Именно восемь битов требуется для того, чтобы закодировать любой из 256 символов алфавита клавиатуры компьютера (256=28).

Более крупные производные единицы информации:
1 Килобайт (Кбайт) = 1024 байт = 210 байт;
1 Мегабайт (Мбайт) = 1024 Кбайт = 220 байт;
1 Гигабайт (Гбайт) = 1024 Мбайт = 230 байт.

В последнее время в связи с увеличением объёмов обрабатываемой информации входят в употребление такие производные единицы, как:
1 Терабайт (Тбайт) = 1024 Гбайт = 240 байт;
1 Петабайт (Пбайт) = 1024 Тбайт = 250 байт.
Единицей информации в компьютере является один бит, т.е. двоичный разряд, который может принимать значение 0 или 1.

Слайд 48В информатике используются различные подходы к измерению информации:

Содержательный подход к

измерению информации

Сообщение – информативный поток, который в процессе передачи информации

поступает к приемнику. Сообщение несет информацию для человека, если содержащиеся в нем сведения являются для него новыми и понятными. Если сообщение не информативно, то количество информации с точки зрения человека = 0.

Вероятностный подход к измерению информации.
Американский инженер Р. Хартли (1928г.) процесс получения информации рассматривает как выбор одного сообщения из конечного заданного множества равновероятных сообщений. Количество информации достигает максимального значения, если события равновероятны, поэтому количество информации можно рассчитать по формуле:
В информатике используются различные подходы к измерению информации:Содержательный подход к измерению информацииСообщение – информативный поток, который в

Слайд 49Задача: В корзине лежит 16 шаров разного цвета. Сколько информации

несет сообщение, что достали белый шар?

Решение: т.к. N = 16

шаров, то К = log2 N = log2 16 = 4 бит.
Примеры равновероятных сообщений:
- при бросании монеты: «выпала решка», «выпал орел»;
- на странице «количество букв чётное», «количество букв нечётное».

Мы рассмотрели случай, когда имеется один источник информации, рассмотрим пример с двумя независимыми источниками информации.

- эта формула выражает закон аддитивности информации.

Задача: В корзине лежит 16 шаров разного цвета. Сколько информации несет сообщение, что достали белый шар?Решение: т.к.

Слайд 50 Широкое распространение при определении среднего количества

информации, которое содержится в сообщениях от источников самой разной природы,

получил подход Клода Шеннона. Если все события происходят с различной вероятностью, то зависимость между вероятностью событий и количеством информации, полученной при совершении того или иного события можно выразить формулой, которую в 1948 году предложил Шеннон.

K – количество информации;
N – количество возможных событий;
pi – вероятности отдельных событий.

Широкое распространение при определении среднего количества информации, которое содержится в сообщениях от источников

Слайд 51Задача: Какое количество информации будет содержать зрительное сообщение о цвете

вынутого шарика, если в непрозрачном мешочке находится 50 белых, 25

красных, 25 синих шариков.

Решение:
1) всего шаров 50+25+25=100
2) вероятности шаров 50/100=1/2, 25/100=1/4, 25/100=1/4
3) K= -(1/2 log21/2 + 1/4 log21/4 + 1/4 log21/4) = -(1/2(0-1) +1/4(0-2) +1/4(0-2)) = 1,5 бит.

Алфавитный подход к измерению информации.
Количество информации зависит от объема текста и мощности алфавита. На основании алфавитного подхода можно подсчитать количество информации в сообщении, для этого необходимо умножить количество информации, которое несет один символ на количество символов в сообщении.

Например: информационная емкость буквы в русском алфавите, если не использовать букву Ё, составляет 32=2К , то есть K=5 бит, поэтому количество информации в сообщении «Светает» будет равно: бит.

Задача: Какое количество информации будет содержать зрительное сообщение о цвете вынутого шарика, если в непрозрачном мешочке находится

Слайд 52Лекция 5 (2 ч.): Архитектура и функционирование ПК
Устройства обработки данных

и их характеристики. Классическая архитектура ЭВМ, принципы фон Неймана. Архитектура

современной ЭВМ. Структура и виды команд. Функциональная и структурная организация компьютера. Назначение и виды памяти. Организация внутренней памяти. Адресация памяти. Стековая организация

Основные виды обработки данных

Классификация или группировка;
Сортировка, с помощью которой упорядочивается последовательность записей;
Вычисления, включающие арифметические и логические операции;
Укрупнение или агрегирование, служащее для уменьшения количества данных и реализуемое в форме расчетов итоговых и средних значений;
Хранение данных. Многие данные на уровне операционной деятельности необходимо сохранить для последующего использования;
Создание отчетов (документов).

Лекция 5 (2 ч.): Архитектура и функционирование ПКУстройства обработки данных и их характеристики. Классическая архитектура ЭВМ, принципы

Слайд 53К устройствам ввода информации относятся:

клавиатура – устройство для ручного ввода

числовой, текстовой и управляющей информации в ПК;

графические планшеты (диджитайзеры)- для

ручного ввода графической информации, изображенный путем перемещения по планшету специального указателя (пера);

сканеры (читающие автоматы) – для автоматического считывания с бумажных носителей и ввода в ПК машинописных текстов, графиков, рисунков, чертежей и т.д.;

манипуляторы (устройства указания): джойстик, мышь, световое перо и др. – для ввода графической информации на экран дисплея путем управления движением курсора по экрану с последующим кодированием координат курсора и вводом их в ПК;

сенсорные экраны – для ввода отдельных элементов изображения, программ или команд с полиэкрана дисплея в ПК.

К устройствам ввода информации относятся:клавиатура – устройство для ручного ввода числовой, текстовой и управляющей информации в ПК;графические

Слайд 55К устройствам вывода информации относятся:

принтеры – печатающее устройство для

регистрации информации на бумажный носитель;

графопостроители (плоттеры) – для вывода графической

информации (графиков, чертежей, рисунков) из ПК на бумажный носитель; плоттеры бывают векторные и растровые: термографические, электростатические, струйные и лазерные. По конструкции плоттеры подразделяются на планшетные и барабанные. Основные характеристики (скорость вычерчивания) всех плоттеров примерно одинаковые, у лучших моделей возможны цветное изображение и передача полутонов;

устройства связи и телекоммуникации используются для связи с приборами и другими средствами автоматизации (согласователи интерфейсов, адаптеры, преобразователи и т.п.) и для подключения ПК к каналам связи, к другим ЭВМ и вычислительным сетям (сетевые интерфейсные платы, «стыки», мультиплексоры передачи данных, модемы);
К устройствам вывода информации относятся: принтеры – печатающее устройство для регистрации информации на бумажный носитель;графопостроители (плоттеры) –

Слайд 57клавиатура – важнейшее для пользователя устройство, с помощью которого осуществляется

ввод данных, команд и управляющих воздействий в ПК;

видеотерминал состоит из

видеомонитора (дисплея) и видеоконтроллера (адаптера). Видеоконтроллера входят в состав системного блока ПК (находятся на видеокарте, устанавливаемой в разъем материнской платы). А видеомониторы – это внешние устройства ПК;

видеомонитор, дисплей или просто монитор – устройство отображения текстовой и графической информации на экране (в стационарных ПК – на экране электронно-лучевой трубки (ЭЛТ), в портативных ПК – на жидкокристаллическом плоском экране);

видеоконтроллеры (видеоадаптеры) являются внутрисистемными устройствами, непосредственно управляющими мониторами и выводом информации на экран;
клавиатура – важнейшее для пользователя устройство, с помощью которого осуществляется ввод данных, команд и управляющих воздействий в

Слайд 58Классическая структура ЭВМ - модель фон Неймана
Двоичная система счисления

- компьютеры на электронных элементах должны работать не в десятичной,

а в двоичной системе счисления;
Принцип программного управления и хранимой в памяти программы - компьютер работает под управлением программы, программа должна размещаться в одном из блоков компьютера - в запоминающем устройстве (первоначально программа задавалась путем установки перемычек на коммутационной панели);
Принцип однородности - команды, так же как и данные, с которыми оперирует компьютер, хранятся в одном блоке памяти и записываются в двоичном коде, то есть по форме представления команды и данные однотипны и хранятся в одной и той же области памяти;
Принцип адресности – основная память структурно состоит из нумерованных ячеек, т.е. доступ к командам и данным осуществляется по адресу. Трудности физической реализации запоминающего устройства большого быстродействия и большой памяти требуют иерархической организации памяти;
В компьютере используется параллельный принцип организации вычислительного процесса (операции над двоичными кодами осуществляются одновременно над всеми разрядами).
Классическая структура ЭВМ - модель фон Неймана Двоичная система счисления - компьютеры на электронных элементах должны работать

Слайд 59Архитектура компьютера

Применительно к вычислительным системам в целом термин «архитектура» можно

интерпретировать как распределение функций, реализуемых системой, по ее уровням и

определение интерфейсов между этими уровнями. Очевидно, архитектура вычислительной системы предполагает многоуровневую, иерархическую организацию. Взаимодействие между различными уровнями осуществляется посредством интерфейсов.
На самом нижнем уровне (нулевом) – цифровом логическом уровне, объекты называются вентилями или переключателями. Эти переключатели могут находиться в одном из двух устойчивых состояний: переключатель включен или выключен, конденсатор заряжен или разряжен, магнитный домен намагничен или нет, транзистор находится в проводящем состоянии или непроводящем и т.п.
Следующий уровень – микроархитектурный уровень. На этом уровне можно анализировать совокупности логических схем, например АЛУ, оперативную память, регистры.
Архитектура компьютераПрименительно к вычислительным системам в целом термин «архитектура» можно интерпретировать как распределение функций, реализуемых системой, по

Слайд 60Второй уровень называется уровнем архитектуры системы команд. В процессе работы

МП обслуживает данные, находящиеся в его регистрах, в поле ОП,

а также во внешних портах ЭВМ. Часть данных он интерпретирует как непосредственно данные, часть как адресные данные, а часть как команды.

Совокупность всех возможных команд образует систему команд процессора. Машинная команда состоит из двух частей: операционной и адресной.

Операционная часть команды – это группа разрядов в команде, предназначенная для предоставления кода операции машины (КОП).

Адресная часть команды – это группа разрядов, в которых записываются коды адреса ячеек памяти машины. Часто эти адреса называются адресами операндов, т.е. чисел, участвующих в операции.
Второй уровень называется уровнем архитектуры системы команд. В процессе работы МП обслуживает данные, находящиеся в его регистрах,

Слайд 61По количеству адресов, записываемых в команде, команды делятся на безадресные,

одно -, двух- и трехадресные.

Типовая структура трехадресной команды:
Типовая структура

двухадресной команды:

В этом случае, результат операции записывается на место 1-го операнда.

Типовая структура одноадресной команды:

Типовая структура безадресной команды:

По количеству адресов, записываемых в команде, команды делятся на безадресные, одно -, двух- и трехадресные.Типовая структура трехадресной

Слайд 62Современные ЭВМ выполняют несколько сотен различных команд, структура команд, их

сложность и длина определяют архитектуру процессора.

Все машинные команды можно разделить

на группы по видам выполняемых операций:
операции пересылки информации внутри ЭВМ;
арифметические операции над информацией;
логические операции над информацией;
операции обращения к внешним устройствам ЭВМ;
операции передачи управления;
обслуживающие и вспомогательные операции.

Следующий уровень – уровень ОС обычно гибридный. Большинство команд в его языке есть также и на уровне архитектуры системы команд. Далее идут высокоуровневые блоки, которые уже предназначены для прикладных программистов, первые три для системных программистов.
Современные ЭВМ выполняют несколько сотен различных команд, структура команд, их сложность и длина определяют архитектуру процессора.Все машинные

Слайд 63Шестиуровневое представление компьютера

Шестиуровневое представление компьютера

Слайд 64Функционально-структурная организация ПК

Микропроцессор (МП). Это центральный блок ПК, предназначенный для

управления работой всех блоков машины и для выполнения арифметических и

логических операций над информацией.

В состав микропроцессора входят:

устройство управления (УУ) — формирует и подает во все блоки машины в нужные моменты времени определенные сигналы управления (управляющие импульсы);
арифметико-логическое устройство (АЛУ) — предназначено для выполнения всех арифметических и логических операций над числовой и символьной информацией;
микропроцессорная память (МПП) — служит дня кратковременного хранения, записи и выдачи информации, непосредственно используемой в вычислениях в ближайшие такты работы машины;
интерфейсная система микропроцессора — реализует сопряжение и связь с другими устройствами ПК.
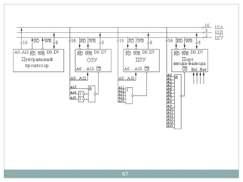
Функционально-структурная организация ПКМикропроцессор (МП). Это центральный блок ПК, предназначенный для управления работой всех блоков машины и для

Слайд 65Микропроцессор

Микропроцессор

Слайд 66Генератор тактовых импульсов. Генерирует последовательность электрических импульсов; частота генерируемых импульсов

определяет тактовую частоту машины, которая является одной из основных характеристик

персонального компьютера и во многом определяет скорость его работы, так как каждая операция в машине выполняется за определенное количество тактов.
Системная шина - это основная интерфейсная система компьютера, обеспечивающая сопряжение и связь всех его устройств между собой.
Системная шина включает в себя:
кодовую шину данных (КШД);
кодовую шину адреса (КША);
кодовую шину инструкций (КШИ);
шину питания
Системная шина обеспечивает три направления передачи информации:
между микропроцессором и основной памятью;
между микропроцессором и портами ввода-вывода внешних устройств;
между основной памятью и портами ввода-вывода внешних устройств (в режиме прямого доступа к памяти).

Генератор тактовых импульсов. Генерирует последовательность электрических импульсов; частота генерируемых импульсов определяет тактовую частоту машины, которая является одной

Слайд 68Основная память (ОП). Она предназначена для хранения и оперативного обмена

информацией с прочими блоками машины. ОП содержит два вида запоминающих

устройств: постоянное запоминающее устройство (ПЗУ) и оперативное запоминающее устройство (ОЗУ).

Внешняя память. Она относится к внешним устройствам ПК и используется для долговременного хранения любой информации. В частности, во внешней памяти хранится все программное обеспечение компьютера. Внешняя память содержит разнообразные виды запоминающих устройств, назначение этих накопителей — хранение больших объемов информации.

Источник питания. Это блок, содержащий системы автономного и сетевого энергопитания ПК.

Таймер. Это внутримашинные электронные часы, обеспечивающие при необходимости автоматический съем текущего момента времени (год, месяц, часы, минуты, секунды и доли секунд). Таймер подключается к автономному источнику питания — аккумулятору и при отключении машины от сети продолжает работать.

Основная память (ОП). Она предназначена для хранения и оперативного обмена информацией с прочими блоками машины. ОП содержит

Слайд 69Внешние устройства (ВУ)

По назначению можно выделить следующие виды ВУ:
внешние запоминающие

устройства (ВЗУ) или внешняя память ПК;
диалоговые средства пользователя;
устройства ввода информации;
устройства

вывода информации;
средства связи и телекоммуникации.

Диалоговые средства пользователя включают в свой состав видеомониторы (дисплеи), реже пультовые пишущие машинки (принтеры с клавиатурой) и устройства речевого ввода-вывода информации.

Дополнительные схемы. К системной шине и к МП ПК наряду с типовыми внешними устройствами могут быть подключены и некоторые дополнительные платы с интегральными микросхемами, расширяющие и улучшающие функциональные возможности микропроцессора: математический сопроцессор, контроллер прямого доступа к памяти, сопроцессор ввода-вывода, контроллер прерываний и др.
Внешние устройства (ВУ)По назначению можно выделить следующие виды ВУ:внешние запоминающие устройства (ВЗУ) или внешняя память ПК;диалоговые средства

Слайд 70 Компактная микроэлектронная «память» широко применяется в

современной аппаратуре самого различного назначения. Основная память как правило состоит

из запоминающих устройств двух видов оперативного (ОЗУ) и постоянного (ПЗУ).

Память – среда или функциональная часть ЭВМ, предназначенная для приема, хранения и избирательной выдачи данных. Различают оперативную (главную, основную, внутреннюю), регистровую, кэш- и внешнюю память.

Запоминающее устройство (ЗУ) – техническое средство, реализующее функции памяти ЭВМ.
Компактная микроэлектронная «память» широко применяется в современной аппаратуре самого различного назначения. Основная память

Слайд 71ОЗУ предназначено для хранения переменной информации; оно допускает изменение своего

содержимого в ходе выполнения вычислительного процесса. Таким образом, процессор берёт

из ОЗУ код команды и, после обработки каких-либо данных, результат обратно помещается в ОЗУ.

ПЗУ содержит такой вид информации, которая не должна изменяться в ходе выполнения процессором программы. Такую информацию составляют стандартные подпрограммы, табличные данные, коды физических констант и постоянных коэффициентов. ПЗУ работает только в режимах хранения и считывания.

Ячейка памяти – минимальная адресуемая область памяти (в том числе запоминающего устройства и регистра).

Каждая ячейка памяти имеет свой уникальный (отличный от всех других) адрес. Основная память имеет для ОЗУ и ПЗУ единое адресное пространство.
ОЗУ предназначено для хранения переменной информации; оно допускает изменение своего содержимого в ходе выполнения вычислительного процесса. Таким

Слайд 72ОЗУ
ПЗУ

ОЗУПЗУ

Слайд 73Классификация видов памяти

В зависимости от возможности записи и перезаписи данных

устройства памяти подразделяются на следующие типы:

- память (ЗУ) с записью-считыванием

(read/write memory) – тип памяти, дающей возможность пользователю помимо считывания данных производить их исходную запись, стирание и/или обновление.
- программируемая постоянная память (PROM, Programmable Read-Only Memory) – постоянная память или ПЗУ, в которых возможна запись или смена данных путем воздействия на носитель информации электрическими, магнитными и/или электромагнитными (в том числе ультрафиолетовыми или другими) полями под управлением специальной программы. Различают ППЗУ с однократной записью и стираемые ППЗУ (EPROM, Erasable PROM), в том числе:
электрически программируемое ПЗУ, ЭППЗУ (EAROM, Alterable Read Only Memory);
электрически стираемое программируемое ПЗУ, ЭСПЗУ (EEPROMб, Electrically Erasable Programmable Read-Only Memory).
Классификация видов памятиВ зависимости от возможности записи и перезаписи данных устройства памяти подразделяются на следующие типы:- память

Слайд 74По способу доступа к информации все ВЗУ делятся на накопители

с последовательным (НМЛ) и прямым (произвольным) доступом (НГМД, НЖМД).

Виды памяти,

различаемые по признаку зависимости сохранения записи при снятии электропитания:

энергонезависимая (не разрушаемая) память (ЗУ) (non-volatile storage) – память или ЗУ, записи в которых не стираются (не разрушаются) при снятии электропитания;

динамическая память (dynamic storage) – разновидность энергозависимой полупроводниковой памяти, в которой хранимая информация с течением времени разрушается, поэтому для сохранения записей, необходимо производить их периодическое восстановление (регенерацию), которое выполняется под управлением специальных внешних схемных элементов.
По способу доступа к информации все ВЗУ делятся на накопители с последовательным (НМЛ) и прямым (произвольным) доступом

Слайд 75 По назначению, организации памяти и/или доступа к ней различают

следующие виды памяти:

автономная память, автономное ЗУ (off-line storage) – вид

памяти (ЗУ), не допускающий прямого доступа к ней а также управление центрального процессора: обращение к ней, а также управление ею производится вводом в систему специальных команд и через посредство оперативной памяти;

адресуемая память (addressed memory) – вид памяти (ЗУ), к которой может непосредственно обращаться центральный процессор;

ассоциативная память, ассоциативное ЗУ (АЗУ) (associative memory, content-addressable memory (CAM)) – вид памяти (ЗУ), в котором адресация осуществляется на основе содержания данных, а не их местоположения, чем обеспечивается ускорение поиска необходимых записей;

буферная память, буферное ЗУ (buffer storage) – предназначена для временного хранения данных при обмене ими между различными устройствами ЭВМ;
По назначению, организации памяти и/или доступа к ней различают следующие виды памяти:автономная память, автономное ЗУ (off-line

Слайд 76- виртуальная память (virtual memory): 1)способ организации памяти, в соответствии

с которым часть внешней памяти ЭВМ используется для расширения ее

внутренней (основной) памяти; 2) область памяти, предоставляемая отдельному пользователю или группе пользователей и состоящая из основной и внешней памяти ЭВМ, между которыми организован так называемый постраничный обмен данными;
- временная память (temporary storage) – специальное запоминающее устройство или часть оперативной памяти, резервируемые для хранения промежуточных результатов обработки;
- вспомогательная память (auxiliary storage) – часть памяти ЭВМ, охватывающая внешнюю и наращенную оперативную память;
- вторичная память (secondary storage) – вид памяти, который в отличие от основной памяти имеет большее время доступа, основывается на большем обмене, характеризуется большим объемом и служит для разгрузки основной памяти;
- гибкая память (elastic storage) – вид памяти, позволяющей хранить переменное число данных, пересылать (выдавать) их в той же последовательности, в которой принимает и варьировать скорость вывода и т.п.
- виртуальная память (virtual memory): 1)способ организации памяти, в соответствии с которым часть внешней памяти ЭВМ используется

Слайд 77Внешняя (долговременная) память — это место длительного хранения данных (программ,

результатов расчётов, текстов и т.д.), не используемых в данный момент

в оперативной памяти компьютера. Внешняя память, в отличие от оперативной, является энергонезависимой. Носители внешней памяти, кроме того, обеспечивают транспортировку данных в тех случаях, когда компьютеры не объединены в сети (локальные или глобальные).

К основным внешним запоминающим устройствам относятся следующие: винчестеры, дискеты, стримеры, флэш-карты памяти, MO-накопители, оптические: CD-R, CD-RW, DVD-R, DVD-RW, и новейшие запоминающие устройства.

По типу носителя различают ВЗУ с подвижным и неподвижным носителем. Если поиск, запись и считывание информации сопровождаются механическим перемещением носителя, то такие ВЗУ называют накопителями с подвижным носителем.
Внешняя (долговременная) память — это место длительного хранения данных (программ, результатов расчётов, текстов и т.д.), не используемых

Слайд 79Лекция 6 (2 ч.): Программное обеспечение Понятия о программном обеспечении.

Классификация и виды программного обеспечения. Операционные системы, этапы и история развития.

Прикладные программы. Пакеты офисных приложений. Программирование в офисных приложениях. Системы управления базами данных (СУБД). Обзор современных СУБД. Связи в базах данных. OLAP, OLTP.

Вся совокупность программ, хранящихся на всех устройствах долговременной памяти компьютера, составляет его программное обеспечение (ПО).

Программное обеспечение компьютера постоянно пополняется, развивается, совершенствуется. Стоимость установленных программ на современном ПК зачастую превышает стоимость его технических устройств. Разработка современного ПО требует очень высокой квалификации от программистов.

Лекция 6 (2 ч.): Программное обеспечение  Понятия о программном обеспечении. Классификация и виды программного обеспечения. Операционные

Слайд 80Классификация ПО

Классификация ПО

Слайд 81Системное ПО
Операционная система - это комплекс программ,

обеспечивающий управление компьютером как единым целым, его взаимодействие с окружающей

средой (человеком, прикладными программами, другими системами).
Операционная система является главной частью системного программного обеспечения и управляется командами.
Основные функции операционных систем:
- ведение файловой системы;
- распределение оперативной памяти;
- динамическая компоновка выполняемых программ;
- обработка прерываний;
- обеспечение многозадачной работы.
Системное ПО   Операционная система - это комплекс программ, обеспечивающий управление компьютером как единым целым, его

Слайд 82 Файловый менеджер (англ. file manager) — компьютерная

программа, предоставляющая интерфейс пользователя для работы с файловой системой и

файлами. Файловый менеджер позволяет выполнять наиболее частые операции над файлами — создание, открытие/проигрывание/просмотр, редактирование, перемещение, переименование, копирование, удаление, изменение атрибутов и свойств, поиск файлов и назначение прав. Помимо основных функций, многие файловые менеджеры включают ряд дополнительных возможностей, например, таких как работа с сетью (через FTP, NFS и т. п.), резервное копирование, управление принтерами и пр.

Total Commander 7.50

Файловый менеджер (англ. file manager) — компьютерная программа, предоставляющая интерфейс пользователя для работы с

Слайд 83Сервисное программное обеспечение
Программа, которая управляет работой всех частей компьютера и

ведёт диалог с пользователем компьютера.
Программы, обслуживания дисков компьютера, сжатия файлов,

антивирусные программы.
Программы, позволяющие программисту создавать свои собственные компьютерные программы.
Программы, позволяющие пользователю писать, рисовать на компьютере, создавать таблицы, базы данных и т.д.
Программы бухгалтерские, конструкторские, педагогические. Компьютерные игры и т.д.

Microsoft Visual Basic

Сервисное программное обеспечениеПрограмма, которая управляет работой всех частей компьютера и ведёт диалог с пользователем компьютера.Программы, обслуживания дисков

Слайд 84Программы, для использования сервиса Интернет
Веб-обозреваатель, браузер (от

англ. Web browser)— программное обеспечение для просмотра веб-сайтов, то есть

для запроса веб-страниц, их обработки, вывода и перехода от одной страницы к другой.

Большинство браузеров умеют также показывать оглавление FTP-серверов.
Программы, для использования сервиса Интернет   Веб-обозреваатель, браузер (от англ. Web browser)— программное обеспечение для просмотра

Слайд 85Прикладное ПО
Это комплекс программ, с помощью которых

пользователь может решать свои информационные задачи из самых разных предметных

областей, не прибегая к программированию.
Это программы, которые управляют работой всех частей компьютера и ведут диалог с пользователем компьютера.
Это программы, обслуживания дисков компьютера, сжатия файлов, антивирусные программы.
Это программы, позволяющие программисту создавать свои собственные компьютерные программы.
Это программы, выполняющие роль посредника между пользователем и программным обеспечением компьютера.
Прикладное ПО   Это комплекс программ, с помощью которых пользователь может решать свои информационные задачи из

Слайд 86Прикладное ПО специального назначения
Прикладное ПО специального назначения

часто называют пакетами прикладных программ. Это, например, бухгалтерские программы, производящие

начисления заработной платы и другие расчеты, которые делаются в бухгалтериях; системы автоматизированного проектирования, которые помогают конструкторам разрабатывать проекты различных технических устройств; пакеты, позволяющие решать сложные математические задачи без составления программ; обучающие программы по разным школьным предметам и многое другое.
Прикладное ПО специального назначения   Прикладное ПО специального назначения часто называют пакетами прикладных программ. Это, например,

Слайд 87История и этапы ОС
1969г. - Кен Томпсон и Деннис Ритчи

разработали ОС Unix.
1974г. - Гари Кидалл разработал ОС CP/M.
1981г. -

Microsoft: разработка ОС MS-DOS.
1982г. - Microsoft: выпуск ОС MS-DOS.
1984г. - Apple: выпуск ОС Mac OS.
1985г. - Microsoft: выпуск ОС Windows 1.0.
1987г. - Microsoft: выпуск версии 2.0 ОС Windows.
1989г. - Выпуск ОС NeXTSTEP корпорации NeXT.
1991г. - Linux: разработка первого ядра версии 0.01 ОС Linux.
1991г. - Apple: выход ОС System 7.
1992г. - Microsoft: выход Windows 3.1 и 3.11
1993г. - Microsoft: выпуск ОС Windows NT.
1995г. - Microsoft: выпуск ОС Windows 95.
1995г. - Linux: выход версии 1.2 ядра ОС Linux.
1996г. - Microsoft: выход ОС Windows NT 4.
1997г. - Apple: выход ОС Mac OS 8
1999г. - Microsoft: выход ОС Windows 98.
2000г. - Microsoft: выход ОС Windows 2000 и ОС Windows Me.
История и этапы ОС1969г. - Кен Томпсон и Деннис Ритчи разработали ОС Unix.1974г. - Гари Кидалл разработал

Слайд 882001г. - Microsoft: выход ОС Windows XP.
2001г. - Apple: выпуск

ОС Mac OS X 10.0 Гепард и ОС Mac OS

X 10.1 Пума.
2002г. -Microsoft: выпуск серверной ОС Windows Server 2003.
2002г. - Apple: выход ой системы Mac OS X 10.2 Ягуар.
2003г. - Linux: выход версии 2.6 ядра ОС Linux, последней стабильной версии в настоящее время.
2003г. - Apple: выход ПК Power Mac G5 и ОС Mac OS X 10.3 Пантера.
2007г. - Microsoft: выпуск ОС Windows Vista.
2007г. - Apple: выпуск ОС Mac OS X 10.5 «Леопард».
2009г. - Microsoft выпускает ОС Windows 7.

Офисный пакет — набор приложений, предназначенных для обработки электронной документации на персональном компьютере. Компоненты офисных пакетов распространяются, как правило, только вместе, имеют схожий интерфейс и хорошо взаимодействуют друг с другом.

2001г. - Microsoft: выход ОС Windows XP.2001г. - Apple: выпуск ОС Mac OS X 10.0 Гепард и

Слайд 89 Как правило, офисный пакет содержит следующий набор

компонентов (или некоторые его элементы):

Текстовый редактор
Табличный редактор — средство для

обработки объёмных таблиц данных

В дополнение к этому, некоторые пакеты содержат ещё и следующие типы приложений:

Создатель презентаций — позволяет создавать красочные и впечатляющие электронные презентации
Система управления базами данных — позволяет управлять базами данных
Графическая программа — позволяет редактировать графические форматы файлов
Редактор формул — позволяет создавать и редактировать математические формулы
Microsoft Office — один из наиболее известных офисных пакетов, на данный момент последней является четырнадцатая версия, известная также, как Microsoft Office 2010
Как правило, офисный пакет содержит следующий набор компонентов (или некоторые его элементы):Текстовый редакторТабличный редактор

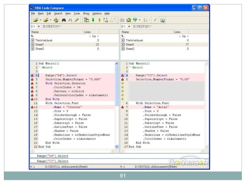
Слайд 90 VBA – это язык программирования, встроенный во

множество программ, от приложений Microsoft Office, Microsoft Project, Visio и

AutoCad до многочисленных специализированных приложений, предназначенных для управления производственными процессами, учета финансовых ресурсов или информационной поддержки клиентов.

VBA представляет собой набор средств программирования для создания собственных программ и подгонки имеющихся приложений под запросы пользователя.

Приложение – это полномасштабная программа, выполняющая конкретную практическую работу (например, текстовый процессор, электронные таблицы или приложение баз данных).

С помощью VBA можно изменять внешний вид или способ применения имеющихся средств приложения, а также добавлять свои, совершенно новые возможности.

Программирование в офисных приложениях

VBA – это язык программирования, встроенный во множество программ, от приложений Microsoft Office, Microsoft

Слайд 92Система управления базами данных (СУБД) — совокупность программных и лингвистических

средств общего или специального назначения, обеспечивающих управление созданием и использованием

баз данных

Основные функции СУБД

управление данными во внешней памяти (на дисках);
управление данными в оперативной памяти с использованием дискового кэша;

журнализация изменений, резервное копирование и восстановление базы данных после сбоев;

поддержка языков БД (язык определения данных, язык манипулирования данными).
Система управления базами данных (СУБД) — совокупность программных и лингвистических средств общего или специального назначения, обеспечивающих управление

Слайд 93 Обычно современная СУБД содержит следующие компоненты:

ядро, которое

отвечает за управление данными во внешней и оперативной памяти, и

журнализацию,

процессор языка базы данных, обеспечивающий оптимизацию запросов на извлечение и изменение данных и создание, как правило, машинно-независимого исполняемого внутреннего кода,

подсистему поддержки времени исполнения, которая интерпретирует программы манипуляции данными, создающие пользовательский интерфейс с СУБД,

а также сервисные программы (внешние утилиты), обеспечивающие ряд дополнительных возможностей по обслуживанию информационной системы.
Обычно современная СУБД содержит следующие компоненты:ядро, которое отвечает за управление данными во внешней и

Слайд 94Современные СУБД
Microsoft Access — реляционная СУБД корпорации Microsoft. Имеет широкий

спектр функций, включая связанные запросы, связь с внешними таблицами и

базами данных.
Paradox — реляционная СУБД, ныне выпускаемая компанией Corel. Входит в пакет WordPerfect Office.
dBase — семейство широко распространённых систем управления базами данных, а также язык программирования, используемый в них. Самая первая СУБД этого семейства называлась dBase II
FoxPro — один из диалектов языка программирования xBase, применяемый в одноименном программном пакете. В настоящее время используется в среде разработки Microsoft Visual FoxPro.
Oracle Database — объектно-реляционная система управления базами данных компании Oracle.
MySQL — свободная система управления базами данных . MySQL является собственностью компании Oracle Corporation, получившей её вместе с поглощённой Sun Microsystems.
Современные СУБДMicrosoft Access — реляционная СУБД корпорации Microsoft. Имеет широкий спектр функций, включая связанные запросы, связь с

Слайд 95Связи в Базе данных
Связи "один ко многим»

- наиболее распространенный вид связи. При такой связи каждой строке

таблицы А может соответствовать множество строк таблицы Б, однако каждой строке таблицы Б может соответствовать только одна строка таблицы А. Связь "один ко многим" создается в том случае, когда только на один из связываемых столбцов наложено ограничение уникальности или он является первичным ключом.
Связи "многие ко многим«. При установлении связи "многие ко многим" каждой строке таблицы А может соответствовать множество строк таблицы Б и наоборот. Такая связь создается при помощи третьей таблицы, называемой соединительной, первичный ключ которой состоит из внешних ключей, связанных с таблицами А и Б.
Связи "один к одному". При установлении связи "один к одному" каждой строке таблицы А может соответствовать только одна строка таблицы Б и наоборот. Связь "один к одному" создается в том случае, когда оба связанные столбца являются первичными ключами или на них наложены ограничения уникальности.
Этот вид связи используется редко, поскольку в такой ситуации связываемые данные обычно можно хранить в одной таблице.
Связи в Базе данных   Связи

Слайд 961 ко многим
многие ко многим

1 ко многиммногие ко многим

Слайд 97OLAP, OLTP
OLAP (англ. online analytical processing) аналитическая

обработка в реальном времени) — технология обработки данных, заключающаяся в

подготовке суммарной (агрегированной) информации на основе больших массивов данных, структурированных по многомерному принципу. Реализации технологии OLAP являются компонентами программных решений класса Business Intelligence
Причина использования OLAP для обработки запросов — это скорость. Реляционные БД хранят сущности в отдельных таблицах, которые обычно хорошо нормализованы. Эта структура удобна для операционных БД (системы OLTP), но сложные многотабличные запросы в ней выполняются относительно медленно.

OLTP (Online Transaction Processing) — обработка операций в реальном времени. Способ организации БД, при котором система работает с небольшими по размерам совокупностями операций, но идущими большим потоком, и при этом клиенту требуется от системы максимально быстрое время ответа.
OLAP, OLTP   OLAP (англ. online analytical processing) аналитическая обработка в реальном времени) — технология обработки

Слайд 98Лекция 7 (2 ч.): Информационные системы Основные формы, принципы, организация личного

и корпоративного информационного обеспечения. Взаимосвязь процессов компьютеризации и информатизации. Информационные

системы (классификация, структуры, назначение, общая характеристика, эффективность). назначение автоматизированных информационных систем (АИС). Представление знаний в АИС.

Информационное обеспечение (ИО) - совокупность единой системы классификации и кодирования информации, унифицированных систем документации, схем информационных потоков, циркулирующих в организации, а также методология построения баз данных.

ИО автоматизированных информационных систем состоит из внемашинного (информация, которая воспринимается человеком без каких-либо технических средств) и внутримашинного ИО (совокупность всех данных, записанных на машинных носителях, сгруппированных по определенным признакам).

Лекция 7 (2 ч.): Информационные системы Основные формы, принципы, организация личного и корпоративного информационного обеспечения. Взаимосвязь процессов

Слайд 99Для создания информационного обеспечения необходимо:

ясное понимание целей, задач, функций

всей системы управления организацией;

выявление движения информации от момента возникновения

и до ее использования на различных уровнях управления, представленной для анализа в виде схем информационных потоков;

совершенствование системы документооборота;

наличие и использование системы классификации и кодирования;

владение методологией создания концептуальных информационно-логических моделей, отражающих взаимосвязь информации;

создание массивов информации на машинных носителях, что требует наличия современного технического обеспечения.
Для создания информационного обеспечения необходимо: ясное понимание целей, задач, функций всей системы управления организацией; выявление движения информации

Слайд 100 Информатизация общества – организованный социально-экономический и научно-технический

процесс создания оптимальных условий для удовлетворения информационных потребностей и реализации

прав граждан, органов государственной власти, органов местного самоуправления, организаций, общественных объединений на основе формирования и использования информационных ресурсов.

Современное материальное производство и другие сферы деятельности все больше нуждаются в информационном обслуживании, переработке огромного количества информации. Универсальным техническим средством обработки любой информации является компьютер, который играет роль усилителя интеллектуальных возможностей человека я общества в целом, а коммуникационные средства, использующие компьютеры, служат для связи и передачи информации. Появление и развитие компьютеров – это необходимая сотавляющая процесса информатизации общества.
Информатизация общества – организованный социально-экономический и научно-технический процесс создания оптимальных условий для удовлетворения информационных

Слайд 101 При компьютеризации общества основное внимание уделяется развитию

и внедрению технической базы компьютеров, обеспечивающих оперативное получение результатов переработки

информации и ее накопление

При информатизации общества основное внимание уделяется комплексу мер, направленных на обеспечение полного использования достоверного, исчерпывающего и своевременного знания вовсех видах человеческой деятельности.

Таким образом, "информатизация общества" является более широким понятием, чем "компьютеризация общества", и направлена на скорейшее овладение информацией для удовлетворения своих потребностей. В понятии "информатизация общества" акцент надо делать не столько на технических средствах, сколько на сущности и цели социально-технического прогресса. Компьютеры являются базовой технической составляющей процесса информатизации общества.
При компьютеризации общества основное внимание уделяется развитию и внедрению технической базы компьютеров, обеспечивающих оперативное

Слайд 102 Информационной системой называется комплекс, включающий вычислительное и

коммуникационное оборудование, программное обеспечение, лингвистические средства и информационные ресурсы, а

также системный персонал и обеспечивающий поддержку динамической информационной модели некоторой части реального мира для удовлетворения информационных потребностей пользователей

В любом случае основной задачей ИС является удовлетворение конкретных информационных потребностей в рамках конкретной предметной области. Современные ИС де-факто немыслимы без использования баз данных и СУБД, поэтому термин «информационная система» на практике сливается по смыслу с термином «система баз данных».
Информационной системой называется комплекс, включающий вычислительное и коммуникационное оборудование, программное обеспечение, лингвистические средства и

Слайд 103Классификация ИС
Классификация по архитектуре

По степени распределённости отличают:

настольные (desktop), или локальные ИС,

в которых все компоненты (БД, СУБД, клиентские приложения) находятся на одном компьютере;

распределённые (distributed) ИС, в которых компоненты распределены по нескольким компьютерам.

Распределённые ИС, в свою очередь, разделяют на:

файл-серверные ИС (ИС с архитектурой «файл-сервер»);

клиент-серверные ИС (ИС с архитектурой «клиент-сервер»).
Классификация ИС    Классификация по архитектуре    По степени распределённости отличают: настольные (desktop),

Слайд 104 В файл-серверных ИС база данных находится на

файловом сервере, а СУБД и клиентские приложения находятся на рабочих

станциях.

В клиент-серверных ИС база данных и СУБД находятся на сервере, а на рабочих станциях находятся клиентские приложения.
В свою очередь, клиент-серверные ИС разделяют на двухзвенные и многозвенные.
В двухзвенных (англ. two-tier) ИС всего два типа «звеньев»: сервер баз данных, на котором находятся БД и СУБД (back-end), и рабочие станции, на которых находятся клиентские приложения (front-end). Клиентские приложения обращаются к СУБД напрямую.
В многозвенных ИС добавляются промежуточные «звенья»: серверы приложений . Пользовательские клиентские приложения не обращаются к СУБД напрямую, они взаимодействуют с промежуточными звеньями. Типичный пример применения многозвенности — современные веб-приложения, использующие базы данных. В таких приложениях помимо звена СУБД и клиентского звена, выполняющегося в веб-браузере, имеется как минимум одно промежуточное звено — веб-сервер с соответствующим серверным ПО.
В файл-серверных ИС база данных находится на файловом сервере, а СУБД и клиентские приложения

Слайд 105Классификация по степени автоматизации

По степени автоматизации ИС делятся на:

автоматизированные: информационные

системы, в которых автоматизация может быть неполной (то есть требуется

постоянное вмешательство персонала);

автоматические: информационные системы, в которых автоматизация является полной, то есть вмешательство персонала не требуется или требуется только эпизодически.

«Ручные ИС» («без компьютера») существовать не могут, поскольку существующие определения предписывают обязательное наличие в составе ИС аппаратно-программных средств. Вследствие этого понятия «автоматизированная информационная система», «компьютерная информационная система» и просто «информационная система» являются синонимами
Классификация по степени автоматизацииПо степени автоматизации ИС делятся на:автоматизированные: информационные системы, в которых автоматизация может быть неполной

Слайд 106Классификация по характеру обработки данных

По характеру обработки

данных ИС делятся на:

информационно-справочные, или информационно-поисковые ИС, в которых

нет сложных алгоритмов обработки данных, а целью системы является поиск и выдача информации в удобном виде;

ИС обработки данных, или решающие ИС, в которых данные подвергаются обработке по сложным алгоритмам. К таким системам в первую очередь относят автоматизированные системы управления и системы поддержки принятия решений.
Классификация по характеру обработки данных   По характеру обработки данных ИС делятся на: информационно-справочные, или информационно-поисковые

Слайд 107Классификация по сфере применения

Поскольку ИС создаются для

удовлетворения информационных потребностей в рамках конкретной предметной области, то каждой

предметной области (сфере применения) соответствует свой тип ИС. Перечислять все эти типы не имеет смысла, так как количество предметных областей велико, но можно указать в качестве примера следующие типы ИС:

Экономическая информационная система — информационная система, предназначенная для выполнения функций управления на предприятии.

Медицинская информационная система — информационная система, предназначенная для использования в лечебном или лечебно-профилактическом учреждении.

Географическая информационная система — информационная система, обеспечивающая сбор, хранение, обработку, доступ, отображение и распространение пространственно-координированных данных (пространственных данных).
Классификация по сфере применения   Поскольку ИС создаются для удовлетворения информационных потребностей в рамках конкретной предметной

Слайд 108Классификация по охвату задач (масштабности)

Персональная ИС предназначена для решения некоторого

круга задач одного человека.

Групповая ИС ориентирована на коллективное использование информации

членами рабочей группы или подразделения.

Корпоративная ИС в идеале охватывает все информационные процессы целого предприятия, достигая их полной согласованности, безызбыточности и прозрачности. Такие системы иногда называют системами комплексной автоматизации предприятия.
Классификация по охвату задач (масштабности)Персональная ИС предназначена для решения некоторого круга задач одного человека.Групповая ИС ориентирована на

Слайд 109Структура ИС

Структура ИС

Слайд 110 В качестве измеримых (экономических) показателей эффективности внедрения

информационной системы (ИС) управления часто рассматриваются:

сокращение производственного цикла ;
увеличение выручки;
уменьшение

оборотных средств в запасах;
повышение эффективности использования ресурсов;
повышение уровня обслуживания клиентов;
ускорение вывода нового товара на рынок;
снижение затрат;
снижение производственного брака;
сокращение производственного цикла;
увеличение оборачиваемости средств в расчетах.

Эффективность ИС

В качестве измеримых (экономических) показателей эффективности внедрения информационной системы (ИС) управления часто рассматриваются:сокращение производственного

Слайд 111 Использование современных информационных систем позволяет нам:



1. Работать с огромными объемами данных;

2. Хранить какие-либо данные

в течение довольно длительного временного периода;

3. Связать несколько компонентов, которые имеют свои определенные локальные цели, задачи и разнообразные приемы функционирования, в одну систему для работы с информацией;

4. Существенно снизить затраты на доступ и хранение к любым необходимым нам данным;

5. Быстро найти всю необходимую нам информацию и т. д.

В качестве классического примера современной информационной системы, стоит упомянуть банковские системы
Использование современных информационных систем позволяет нам: 1. Работать с огромными объемами данных; 2.

Слайд 112 Полностью автоматизированная информационная система или АИС —

это совокупность различных программно-аппаратных средств, которые предназначены для автоматизации какой-либо

деятельности, связанной с передачей, хранением и обработкой различной информации.

В автоматизированных информационных системах за хранение любой информации отвечают:

1. На физическом уровне
a. внешние накопители;
b. встроенные устройства памяти (RAM);
c. массивы дисков;

2. на программном уровне
a. СУБД;
b. файловая система ОС;
c. Системы хранения мультимедиа, документов и т. д.

Автоматизированная информационная система

Полностью автоматизированная информационная система или АИС — это совокупность различных программно-аппаратных средств, которые предназначены

Слайд 113Состав АИС

Состав АИС

Слайд 114Состав АИС
Комплекс технических средств (КТС) включает совокупность

средств вычислительной техники (ЭВМ разных уровней, рабочие места операторов, каналы

связи, запасные элементы и приборы) и специальный комплекс (средства получения информации о состоянии объекта управления, локальные средства регулирования, исполнительные устройства, датчики и устройства контроля и наладки технических средств).

Программное обеспечение (ПО) состоит из общего ПО (операционные системы, локальные и глобальные сети и комплексы программ технического обслуживания, специальные вычислительные программы) и специального ПО (организующие программы и программы, реализующие алгоритмы контроля и управления).
Персонал и инструктивно-методические материалы составляют организационное обеспечение системы.
Процедуры и технологии разрабатываются на основе логико-математических моделей и алгоритмов, составляющих основу математического обеспечения системы, и реализуются с помощью ПО и КТС, а также интерфейса, обеспечивающего доступ пользователя к информации.
Состав АИС   Комплекс технических средств (КТС) включает совокупность средств вычислительной техники (ЭВМ разных уровней, рабочие

Слайд 115Структура АИС

Структура АИС

Слайд 116 Математическое обеспечение — «совокупность математических методов, моделей

и алгоритмов, примененных в АС» (ГОСТ 34.03-90).
Программное

обеспечение — совокупность общесистемных и прикладных программ, инструктивно-методической документации по их применению.
Техническое обеспечение — комплекс технических средств, обеспечивающих работу системы. Это технические средства сбора, регистрации, передачи, обработки, отображения, размножения информации.
Правовое обеспечение — совокупность нормативно-правовых документов, определяющих права и обязанности персонала в условиях функционирования системы, а также комплекс документов, регламентирующих порядок хранения и защиты информации, правил ревизии данных и т.п.
Организационно-методическое обеспечение — совокупность документов, определяющих организационную структуру системы автоматизации для выполнения конкретных автоматизируемых функций.
Эргономическое обеспечение — совокупность методов и средств по созданию оптимальных условий для работы специалистов в рамках АИС.
Метрологическое обеспечение — методы и средства метрологии и инструкции по их применению для всех компонентов АИС.

Обеспечивающая часть

Математическое обеспечение — «совокупность математических методов, моделей и алгоритмов, примененных в АС» (ГОСТ 34.03-90).

Слайд 117 При автоматизированной реализации функций различают следующие режимы

:
диалоговый (персонал имеет возможность влиять на выработку рекомендаций по

управлению объектом с помощью ПО и КТС);
советчика (персонал принимает решение об использовании рекомендаций, выданных системой);
ручной (персонал принимает управляющие решения на основе контрольно-измерительной информации).

Подсистемы функциональной части системы строят в соответствии с информационными и управляющими функциями.

Подсистема сбора информации осуществляет сбор информации по каналам связи разными способами: ручным, автоматизированным, иногда автоматическим.

Функциональная часть

При автоматизированной реализации функций различают следующие режимы : диалоговый (персонал имеет возможность влиять на

Слайд 118 База знаний (БЗ) – формализованная система сведений

о некоторой предметной области, содержащая данные о свойствах объектов, закономерностях

процессов и явлений и правила использования в задаваемых ситуациях этих данных для принятия новых решений.

В БЗ центральным понятием является – представление знаний в информационных системах, т.е. формализация метапроцедур, используемых биологическими объектами при решении интеллектуальных задач.

Представление знаний в АИС

База знаний (БЗ) – формализованная система сведений о некоторой предметной области, содержащая данные о

Слайд 119Лекция 8 (2 ч.): Основы алгоритмизации Понятие алгоритма и его

свойства. Типовые структуры алгоритмов. Этапы решения задач на ЭВМ. Языки

программирования и их классификация.

Алгоритм - описанная на некотором языке точная конечная система правил, определяющая содержание и порядок действий над некоторыми объектами, строгое выполнение которых дает решение поставленной задачи.

Понятие алгоритма, являющееся фундаментальным в математике и информатике, возникло задолго до появления средств вычислительной техники. Слово «алгоритм» появилось в средние века, когда европейцы познакомились со способами выполнения арифметических действий в десятичной системе счисления, описанными узбекским математиком Муххамедом бен Аль-Хорезми. Слово алгоритм - есть результат европейского произношения слов Аль-Хорезми.

Лекция 8 (2 ч.): Основы алгоритмизации  Понятие алгоритма и его свойства. Типовые структуры алгоритмов. Этапы решения

Слайд 120Свойства алгоритма
Дискретность - это свойство алгоритма, характеризующее его структуру:

каждый алгоритм состоит из отдельных законченных действий.
Массовость - применимость

алгоритма ко всем задачам рассматриваемого типа, при любых исходных данных.
Определенность (детерминированность, точность) - свойство алгоритма, указывающее на то, что каждый шаг алгоритма должен быть строго определен и не допускать различных толкований. Также строго должен быть определен порядок выполнения отдельных шагов.
Результативность - свойство, состоящее в том, что любой алгоритм должен завершаться за конечное (может быть очень большое) число шагов.
Формальность - это свойство указывает на то, что любой исполнитель, способный воспринимать и выполнять инструкции алгоритма, действует формально, т.е. отвлекается от содержания поставленной задачи и лишь строго выполняет инструкции. Рассуждать «что, как и почему?» должен разработчик алгоритма, а исполнитель формально (не думая) поочередно исполняет предложенные команды и получает необходимый результат.
Свойства алгоритма Дискретность - это свойство алгоритма, характеризующее его структуру: каждый алгоритм состоит из отдельных законченных действий.

Слайд 121Типовые структуры алгоритма
1. Следование. Последовательное размещение блоков и групп блоков.

В программе реализуется последовательным размещением операторов.
2. Цикл с постусловием. Применяется

при необходимости выполнить какие-либо вычисления несколько раз до выполнения некоторого условия. Особенность этого цикла в том, что он всегда выполняется хотя бы один раз, так как первая проверка условия выхода из цикла происходит после того, как тело цикла выполнено. Тело цикла — последовательность действий, которая выполняется многократно (в цикле). Начальные присвоения — задание начальных значений тем переменным, которые используются в теле цикла.
3. Цикл с предусловием. проверка условия проводится до выполнения тела цикла, и если при первой проверке условие выхода из цикла выполняется, то тело цикла не выполняется ни разу.
4. Циклы со счетчиком составляют такой класс, в которых выполнение исполнительной части должно повторяться заранее определенное число раз. Циклы со счетчиком используются довольно часто
5. Ветвление. Применяется, когда в зависимости от условия нужно выполнить либо одно, либо другое действие. Действие 1 или действие 2 может в свою очередь содержать несколько этапов.
Типовые структуры алгоритма1. Следование. Последовательное размещение блоков и групп блоков. В программе реализуется последовательным размещением операторов.2. Цикл

Слайд 122Цикл с постусловием
1. Операторы начальных присвоений

2. Операторы тела цикла

3. Если

условие идти к 2

Цикл с постусловием1. Операторы начальных присвоений2. Операторы тела цикла3. Если условие идти к 2

Слайд 123Цикл с Предусловием
1. Операторы начальных присвоений

2. Если условие идти к

5

3. Операторы тела цикла

4. Идти к 2

5. ...

Цикл с Предусловием1. Операторы начальных присвоений2. Если условие идти к 53. Операторы тела цикла4. Идти к 25.

Слайд 124Цикл со счетчиком
1. Параметру присваивается начальное значение N;
2. Проверка:

Если значение параметра не больше (не меньше) конечного значения K,

то переход на п.3 иначе п.6.
3. Выполняется тело цикла
4. Параметр цикла увеличивается (уменьшается) на 1
5. Переход на п.2
6. Выход из цикла
Цикл со счетчиком1. Параметру присваивается начальное значение N; 2. Проверка: Если значение параметра не больше (не меньше)

Слайд 1251. Постановка задачи

2. Математическая формализация

3. Построение алгоритма

4.

Запись алгоритма на языке программирования

5. Отладка и тестирование

6.

Анализ полученных результатов


Непосредственно к программированию в этом списке относятся пункты 3, 4, 5.

Этапы решения задач на ЭВМ

1. Постановка задачи 2. Математическая формализация 3. Построение алгоритма 4. Запись алгоритма на языке программирования 5. Отладка

Слайд 126 На этапе постановки задачи должно быть

четко сформулировано, что дано, и что требуется найти. Здесь очень

важно определить полный набор исходных данных, необходимых для получения решения.

Второй этап – формализация задачи. Здесь чаще всего задача переводится на язык математических формул, уравнений, отношений. Если решение требует математического описания какого-то реального объекта, явления или процесса, то формализация равносильна получению соответствующей математической модели.

Третий этап – построение алгоритма. Опытные программисты часто сразу пишут программы на языках, не прибегая к каким-либо специальным способам описания алгоритмов (блок-схемам, псевдокодам). Однако в учебных целях полезно использовать эти средства, а затем переводить полученный алгоритм на язык программирования.

Первые три этапа предусматривают работу без компьютера. Дальше следует собственно программирование на определенном языке, в определенной системе программирования. Последний (шестой) этап – это использование уже разработанной программы в практических целях.
На этапе постановки задачи должно быть четко сформулировано, что дано, и что требуется

Слайд 127Языки программирования и их классификация

Языки программирования и их классификация

Слайд 128 Если язык близок к естественному языку программирования,

то он называется языком высокого уровня, если ближе к машинным

командам, – языком низкого уровня.
В группу языков низкого уровня входят машинные языки и языки символического кодирования: Автокод, Ассемблер. Операторы этого языка – это те же машинные команды, но записанные мнемоническими кодами, а в качестве операндов используются не конкретные адреса, а символические имена. Все языки низкого уровня ориентированы на определенный тип компьютера, т. е. являются машинно–зависимыми.
Программу, написанную на языке программирования высокого уровня, ЭВМ не понимает, поскольку ей доступен только машинный язык. Поэтому для перевода программы с языка программирования на язык машинных кодов используют специальные программы – трансляторы.
Существует три вида транслятора: интерпретаторы (это транслятор, который производит пооператорную обработку и выполнение исходного кода программы), компиляторы (преобразует всю программу в модуль на машинном языке, после чего программа записывается в память компьютера и лишь потом исполняется) и ассемблеры (переводят программу, записанную на языке ассемблера, в программу на машинном языке).
Если язык близок к естественному языку программирования, то он называется языком высокого уровня, если

Слайд 129Языки программирования также можно разделять на поколения:

– языки первого

поколения: машинно–ориентированные с ручным управлением памяти на компьютерах первого поколения.


– языки второго поколения: с мнемоническим представлением команд, так называемые автокоды.
– языки третьего поколения: общего назначения, используемые для создания прикладных программ любого типа. Например, Бейсик, Кобол, Си и Паскаль.
– языки четвертого поколения: усовершенствованные, разработанные для создания специальных прикладных программ, для управления базами данных.
– языки программирования пятого поколения: языки декларативные, объектно–ориентированные и визуальные. Например, Пролог, ЛИСП (используется для построения программ с использованием методов искусственного интеллекта), Си++, Visual Basic, Delphi.
Языки программирования также можно разделять на поколения: – языки первого поколения: машинно–ориентированные с ручным управлением памяти на

Слайд 130 В процедурных языках программа явно описывает действия,

которые необходимо выполнить, а результат задается только способом получения его

при помощи некоторой процедуры, которая представляет собой определенную последовательность действий.

Среди процедурных языков выделяют в свою очередь структурные и операционные языки. В структурных языках одним оператором записываются целые алгоритмические структуры: ветвления, циклы и т.д. В операционных языках для этого используются несколько операций. Широко распространены следующие структурные языки: Паскаль, Си, Ада, ПЛ/1. Среди операционных известны Фортран, Бейсик, Фокал.

Непроцедурное (декларативное) программирование появилось в начале 70-х годов 20 века, К непроцедурному программированию относятся функциональные и логические языки.
В процедурных языках программа явно описывает действия, которые необходимо выполнить, а результат задается только

Слайд 131 В функциональных языках программа описывает вычисление некоторой

функции. Обычно эта функция задается как композиция других, более простых,

те в свою очередь делятся на еще более простые задачи и т.д. Один из основных элементов функциональных языков – рекурсия. Оператора присваивания и циклов в классических функциональных языках нет.
В логических языках программа вообще не описывает действий. Она задает данные и соотношения между ними. После этого системе можно задавать вопросы. Машина перебирает известные и заданные в программе данные и находит ответ на вопрос. Порядок перебора не описывается в программе, а неявно задается самим языком. Классическим языком логического программирования считается Пролог. Программа на Прологе содержит, набор предикатов–утверждений, которые образуют проблемно–ориентированную базу данных и правила, имеющие вид условий.
Можно выделить еще один класс языков программирования – объектно–ориентированные языки высокого уровня. На таких языках не описывают подробной последовательности действий для решения задачи, хотя они содержат элементы процедурного программирования. Объектно–ориентированные языки, благодаря богатому пользовательскому интерфейсу, предлагают человеку решить задачу в удобной для него форме.
В функциональных языках программа описывает вычисление некоторой функции. Обычно эта функция задается как композиция

Слайд 132Лекция 9 (2 ч.): Методы защиты информации Компьютерные вирусы. Способы

предотвращения воздействия вирусов на компьютер. Возможные нежелательные последствия передачи файлов по

сети. Виды угроз безопасности информационной технологии. Технология защиты информации.

Компьютерный вирус - это специально написанная, небольшая по размерам программа (т.е. некоторая совокупность выполняемого кода), которая может "приписывать" себя к другим программам ("заражать" их), создавать свои копии и внедрять их в файлы, системные области компьютера и т.д., а также выполнять различные нежелательные действия на компьютере.

Их можно классифицировать по следующим признакам:
среде обитания
способу заражения среды обитания
воздействию
особенностям алгоритма

Лекция 9 (2 ч.): Методы защиты информации  Компьютерные вирусы. Способы предотвращения воздействия вирусов на компьютер. Возможные

Слайд 133 В зависимости от среды обитания вирусы

можно разделить на сетевые, файловые, загрузочные и файлово-загрузочные.

Сетевые вирусы распространяются по различным компьютерным сетям.
Файловые вирусы внедряются главным образом в исполняемые модули, т. е. В файлы, имеющие расширения COM и EXE. Файловые вирусы могут внедряться и в другие типы файлов, но, как правило, записанные в таких файлах, они никогда не получают управление и, следовательно, теряют способность к размножению.
Загрузочные вирусы внедряются в загрузочный сектор диска (Boot-сектор) или в сектор, содержащий программу загрузки системного диска (Master Boot Re-
cord).
Файлово-загрузочные вирусы заражают как файлы, так и загрузочные сектора дисков.
В зависимости от среды обитания вирусы можно разделить на сетевые, файловые, загрузочные и

Слайд 134 По способу заражения вирусы делятся на резидентные

и нерезидентные. Резидентный вирус при заражении (инфицировании) компьютера оставляет в

оперативной памяти свою резидентную часть, которая потом перехватывает обращение операционной системы к объектам заражения (файлам, загрузочным секторам дисков и т. п.) и внедряется в них. Резидентные вирусы находятся в памяти и являются активными вплоть до выключения или перезагрузки компьютера. Нерезидентные вирусы не заражают память компьютера и являются активными ограниченное время.

По степени воздействия вирусы можно разделить на следующие виды:

неопасные, не мешающие работе компьютера, но уменьшающие объем свободной оперативной памяти и памяти на дисках, действия таких вирусов проявляются в каких-либо графических или звуковых эффектах;
опасные вирусы, которые могут привести к различным нарушениям в работе компьютера;
очень опасные, воздействие которых может привести к потере программ, уничтожению данных, стиранию информации в системных областях диска.
По способу заражения вирусы делятся на резидентные и нерезидентные. Резидентный вирус при заражении (инфицировании)

Слайд 135 По особенностям алгоритма вирусы трудно классифицировать из-за

большого разнообразия.
Простейшие вирусы - паразитические, они

изменяют содержимое файлов и секторов диска и могут быть достаточно легко обнаружены и уничтожены.
Можно отметить вирусы-репликаторы, называемые червями, которые распространяются по компьютерным сетям, вычисляют адреса сетевых компьютеров и записывают по этим адресам свои копии.
Известны вирусы-невидимки, называемые стелс-вирусами, которые очень трудно обнаружить и обезвредить, так как они перехватывают обращения операционной системы к пораженным файлам и секторам дисков и подставляют вместо своего тела незараженные участки диска.
Наиболее трудно обнаружить вирусы-мутанты, содержащие алгоритмы шифровки-расшифровки, благодаря которым копии одного и того же вируса не имеют ни одной повторяющейся цепочки байтов.
Имеются и так называемые квазивирусные или "троянские" программы, которые хотя и не способны к самораспространению, но очень опасны, так как, маскируясь под полезную программу, разрушают загрузочный сектор и файловую систему дисков.
По особенностям алгоритма вирусы трудно классифицировать из-за большого разнообразия.   Простейшие вирусы -

Слайд 136Способы предотвращения действия вирусов на компьютер
Для обнаружения,

удаления и защиты от компьютерных вирусов разработано несколько видов специальных

программ, которые позволяют обнаруживать и уничтожать вирусы. Такие программы называются антивирусными. Различают следующие виды антивирусных программ:

программы-детекторы
программы-доктора или фаги
программы-ревизоры
программы-фильтры
программы-вакцины или иммунизаторы
Способы предотвращения действия вирусов на компьютер   Для обнаружения, удаления и защиты от компьютерных вирусов разработано

Слайд 137 Программы-детекторы осуществляют поиск характерной для конкретного вируса

сигнатуры в оперативной памяти и в файлах и при обнаружении

выдают соответствующее сообщение. Недостатком таких антивирусных программ является то, что они могут находить только те вирусы, которые известны разработчикам таких программ.
Программы-доктора или фаги, а также программы-вакцины не только находят зараженные вирусами файлы, но и "лечат" их, т.е. удаляют из файла тело программы-вируса, возвращая файлы в исходное состояние.
Программы-ревизоры относятся к самым надежным средствам защиты от вирусов. Ревизоры запоминают исходное состояние программ, каталогов и системных областей диска тогда, когда компьютер не заражен вирусом, а затем периодически или по желанию пользователя сравнивают текущее состояние с исходным. Обнаруженные изменения выводятся на экран монитора. Как правило, сравнение состояний производят сразу после загрузки операционной системы. При сравнении проверяются длина файла, код циклического контроля (контрольная сумма файла), дата и время модификации, другие параметры
Программы-фильтры или "сторожа" представляют собой небольшие резидентные программы, предназначенные для обнаружения подозрительных действий при работе компьютера, характерных для вирусов.
Программы-детекторы осуществляют поиск характерной для конкретного вируса сигнатуры в оперативной памяти и в файлах

Слайд 138оснастите свой компьютер современными антивирусными программами, например Aidstest, Doctor Web,

и постоянно возобновляйте их версии
перед считыванием с носителей информации, записанной

на других компьютерах, всегда проверяйте эти носители на наличие вирусов, запуская антивирусные программы своего компьютера
при переносе на свой компьютер файлов в архивированном виде проверяйте их сразу же после разархивации на жестком диске, ограничивая область проверки только вновь записанными файлами
периодически проверяйте на наличие вирусов жесткие диски компьютера, запуская антивирусные программы для тестирования файлов, памяти и системных областей дисков с защищенной от записи флэш-карты, предварительно загрузив операционную систему с защищенной от записи системной флэш-карты
обязательно делайте архивные копии на дискетах ценной для вас информации
используйте антивирусные программы для входного контроля всех исполняемых файлов, получаемых из компьютерных сетей
для обеспечения большей безопасности применения антивирусов необходимо сочетать с повседневным использованием ревизора диска.

Основные меры защиты от вирусов

оснастите свой компьютер современными антивирусными программами, например Aidstest, Doctor Web, и постоянно возобновляйте их версииперед считыванием с

Слайд 139Нежелательные последствия передачи файлов по сети
Интернет стал

наиболее широко используемой формой получения и отправки информации. К сожалению,

он также является самым быстрым способом распространения вирусов и других компьютерных угроз.

Электронная почта. Наиболее часто используемый путь распространения вируса или другой угрозы, и та область, откуда происходят почти 80% вирусных заражений. Главными опасностями распространения вируса через электронную почту являются:
Быстрая передача. Одно зараженное сообщение может за несколько минут поразить тысячи компьютеров.
Растущее использование соединенных между собой компьютеров для того, чтобы пользователи могли получать и отправлять сообщения с любого компьютера или платформы.
Сложные методы, используемые современными вирусами, заключаются в возможности их самостоятельной рассылки всем пользователям Вашей адресной книги, путем заражения при открытии сообщения или использования уязвимостей в почтовых программах для автоматического запуска.
Нежелательные последствия передачи файлов по сети   Интернет стал наиболее широко используемой формой получения и отправки

Слайд 140 Придерживаясь принятой классификации будем разделять все

источники угроз на внешние и внутренние.

Источниками внутренних угроз являются:

1. Сотрудники организации;
2. Программное обеспечение;
3. Аппаратные средства.

Внутренние угрозы могут проявляться в следующих формах:
- ошибки пользователей и системных администраторов;
- нарушения сотрудниками фирмы установленных регламентов сбора, обработки, передачи и уничтожения информации;
- ошибки в работе программного обеспечения;
- отказы и сбои в работе компьютерного оборудования.

К внешним источникам угроз относятся:
1. Kомпьютерные вирусы и вредоносные программы;
2. Организации и отдельные лица;
3. Стихийные бедствия.

Угрозы информационной безопасности

Придерживаясь принятой классификации будем разделять все источники угроз на внешние и внутренние. Источниками

Слайд 141 Формами проявления внешних угроз являются:
заражение компьютеров

вирусами или вредоносными программами;
несанкционированный доступ (НСД) к корпоративной информации;

информационный мониторинг со стороны конкурирующих структур, разведывательных и специальных служб;
действия государственных структур и служб, сопровождающиеся сбором, модификацией, изъятием и уничтожением информации;
аварии, пожары, техногенные катастрофы.

Все перечисленные виды угроз (формы проявления) можно разделить на умышленные и неумышленные.

Угрозы информационной безопасности

Формами проявления внешних угроз являются: заражение компьютеров вирусами или вредоносными программами; несанкционированный доступ (НСД)

Слайд 142 По способам воздействия на объекты информационной

безопасности угрозы подлежат следующей классификации: информационные, программные, физические, радиоэлектронные и

организационно-правовые.

К информационным угрозам относятся:
несанкционированный доступ к информационным ресурсам;
незаконное копирование данных в информационных системах;
хищение информации из библиотек, архивов, банков и баз данных;
нарушение технологии обработки информации;
противозаконный сбор и использование информации;
использование информационного оружия.

К программным угрозам относятся:
использование ошибок и "дыр" в ПО;
компьютерные вирусы и вредоносные программы;
установка "закладных" устройств;

По способам воздействия на объекты информационной безопасности угрозы подлежат следующей классификации: информационные, программные,

Слайд 143 К физическим угрозам относятся:
уничтожение или разрушение

средств обработки информации и связи;
хищение носителей информации;
хищение программных

или аппаратных ключей и средств криптографической защиты данных;
воздействие на персонал;

К радиоэлектронным угрозам относятся:
внедрение электронных устройств перехвата информации в технические средства и помещения;
перехват, расшифровка, подмена и уничтожение информации в каналах связи.

К организационно-правовым угрозам относятся:
закупки несовершенных или устаревших информационных технологий и средств информатизации;
нарушение требований законодательства и задержка в принятии необходимых нормативно-правовых решений в информационной сфере.
К физическим угрозам относятся: уничтожение или разрушение средств обработки информации и связи; хищение носителей

Слайд 144 Задачи по защите от угроз каждого вида

одинаковы:
запрещение несанкционированного доступа к ресурсам вычислительных систем;
невозможность несанкционированного

использования компьютерных ресурсов при осуществлении доступа;
своевременное обнаружение факта несанкционированных действий, устранение их причин и последствий.

Основным способом запрещения несанкционированного доступа к ресурсам вычислительных систем является подтверждение подлинности пользователей и разграничение их доступа к информационным ресурсам, включающего следующие этапы:
идентификация - указание компьютерной системе уникального идентификатора;
аутентификация - проверка истинности полномочий пользователя;
определение полномочий для последующего контроля и разграничения доступа к компьютерным ресурсам.

Технология защиты информации

Задачи по защите от угроз каждого вида одинаковы: запрещение несанкционированного доступа к ресурсам вычислительных

Слайд 145 Различают следующие виды прав пользователей по доступу

к ресурсам:
всеобщее (полное предоставление ресурса);
функциональное или частичное;
временное.

Наиболее распространенными способами разграничения доступа являются:
разграничение по спискам (пользователей или ресурсов);
использование матрицы установления полномочий (строки матрицы - идентификаторы пользователей, столбцы - ресурсы компьютерной системы);
разграничение по уровням секретности и категориям (например, общий доступ, конфиденциально, секретно);
парольное разграничение.

Технология защиты информации

Различают следующие виды прав пользователей по доступу к ресурсам: всеобщее (полное предоставление ресурса); функциональное

Слайд 146 Защита информации от исследования и копирования

предполагает криптографическое закрытие защищаемых от хищения данных.

Задачей криптографии является обратимое преобразование некоторого понятного исходного текста (открытого текста) в кажущуюся случайной последовательность некоторых знаков, часто называемых шифротекстом, или криптограммой.

В шифре выделяют два основных элемента - алгоритм и ключ.
Алгоритм шифрования представляет собой последовательность преобразований обрабатываемых данных, зависящих от ключа шифрования.
Ключ задает значения некоторых параметров алгоритма шифрования, обеспечивающих шифрование и дешифрование информации.
В криптографической системе информация I и ключ К являются входными данными для шифрования и дешифрования информации. При похищении информации необходимо знать ключ и алгоритм шифрования.

Технология защиты информации

Защита информации от исследования и копирования предполагает криптографическое закрытие защищаемых от хищения данных.

Слайд 147 Широкое внедрение в повседневную практику компьютерных сетей,

их открытость, масштабность делают проблему защиты информации исключительно сложной. Выделяют

две базовые подзадачи:
обеспечение безопасности обработки и хранения информации в каждом из компьютеров, входящих в сеть;
защита информации, передаваемой между компьютерами сети.

Международное признание для защиты передаваемых сообщений получила программная система PGP (Pretty Good Privacy - очень высокая секретность), разработанная в США и объединяющая асимметричные и симметричные шифры. Являясь самой популярной программной криптосистемой в мире, PGP реализована для множества операционных сред -MS DOS, Windows 95, Windows NT, OS/2, UNIX, Linux, Mac OS, Amiga, Atari и др.

Технология защиты информации

Широкое внедрение в повседневную практику компьютерных сетей, их открытость, масштабность делают проблему защиты информации

Слайд 148Рекомендуемая литература
Основная литература:
Информатика. Базовый курс: учеб. пособие / под

ред. С.В. Симоновича.- 2-е изд.- CПб.: Питер, 2007.- 640 с.

Калугина, О.Б. Работа с электронными таблицами. Microsoft Office Excel 2003: учеб. пособие / О.Б. Калугина, В.С. Люцарев. - М. : ИНТУИТ.РУ, 2006. - 240 с.
Гладкий, А.А. Excel 2007/А.А. Гладкий, А.А. Чиртик. - CПб.: Питер, 2007.– 368 с.
Степанов, А.Н. Информатика: учеб. пособие для вузов / А.Н. Степанов. - Санкт Петербург: Питер, 2008. - 765 с.
Могилев, А.В. Информатика: учеб. пособие для вузов / А.В. Могилев, Н.И. Пак, Е.К. Хеннер.- 5-е изд., стер. - Москва: Академия, 2007.-848 с.
Гуров, В.В. Основы теории и организации ЭВМ: учеб. Пособие / В.В. Гуров, В.О. Чуканов. - М.: ИНТУИТ.РУ: БИНОМ. ЛЗ, 2006. - 272 с.
Цилькер, Б.Я. Организация ЭВМ и систем: учебник для вузов / Б.Я. Цилькер, С.А. Орлов. - CПб.: Питер, 2006. - 668 с.
Рекомендуемая литератураОсновная литература: Информатика. Базовый курс: учеб. пособие / под ред. С.В. Симоновича.- 2-е изд.- CПб.: Питер,

Слайд 149Дополнительная литература:
Информатика: Учебник / Под редакцией проф. Макаровой Н.В. –

М.: Финансы и статистика, 1997.-768 с.
Бородин, В.Б. Микропроцессоры, архитектура, программирование,

интерфейс/ В.Б. Бородин, И.И. Шагурин – М., 1996.-400 с.
Нортон, П. Программно-аппаратная организация компьютера IBM PC / П. Нортон – М.: Айсберг, 1991.
Борзенко, Т.И. ЭВМ ПК: устройство, ремонт, модернизация / Т.И. Борзенко. - М.: 1996.-344 с.
Нортон, П. Персональные компьютеры фирмы IBM и операционная система Ms-Dos / П. Нортон – М.: Радио и связь, 1991.-415 с.
Дополнительная литература:Информатика: Учебник / Под редакцией проф. Макаровой Н.В. – М.: Финансы и статистика, 1997.-768 с.Бородин, В.Б.

Обратная связь

Если не удалось найти и скачать доклад-презентацию, Вы можете заказать его на нашем сайте. Мы постараемся найти нужный Вам материал и отправим по электронной почте. Не стесняйтесь обращаться к нам, если у вас возникли вопросы или пожелания:

Email: Нажмите что бы посмотреть 

Что такое TheSlide.ru?

Это сайт презентации, докладов, проектов в PowerPoint. Здесь удобно  хранить и делиться своими презентациями с другими пользователями.


Для правообладателей

Яндекс.Метрика