Разделы презентаций


ИЗМЕРЕНИЕ СОСТАВА И ФИЗИКО-ХИМИЧЕСКИХ СВОЙСТВ ТЕХНОЛОГИЧЕСКИХ СРЕД

Содержание

ПЛОТНОСТЬАбсолютнаяОтносительнаяЖидкость: отношение ее плотности, взятой при нормальной температуре (20 °С), к плотности дистиллирован-ной воды при температуре 4 °С Газ: отношение его плотности к плотности сухого воздуха, взятых при нормальных условиях

Слайды и текст этой презентации

Слайд 1 ИЗМЕРЕНИЕ СОСТАВА И ФИЗИКО-ХИМИЧЕСКИХ СВОЙСТВ ТЕХНОЛОГИЧЕСКИХ СРЕД

ИЗМЕРЕНИЕ СОСТАВА И ФИЗИКО-ХИМИЧЕСКИХ СВОЙСТВ ТЕХНОЛОГИЧЕСКИХ СРЕД

Слайд 2ПЛОТНОСТЬ
Абсолютная
Относительная
Жидкость: отношение ее плотности, взятой при нормальной температуре (20 °С),

к плотности дистиллирован-ной воды при температуре 4 °С
Газ:

отношение его плотности к плотности сухого воздуха, взятых при нормальных условиях (температура 20 0С и давление 760 мм рт. ст.)
ПЛОТНОСТЬАбсолютнаяОтносительнаяЖидкость: отношение ее плотности, взятой при нормальной температуре (20 °С), к плотности дистиллирован-ной воды при температуре 4

Слайд 31 – U-образная трубка;
2 – сильфоны;
3 – преобразователь

силы;
4 – вторичный прибор
ВЕСОВЫЕ ПЛОТНОМЕРЫ
0,5 – 2,5 г/см3 с выделением

поддиапазона 0,05 – 0,3 г/см3 в любой части основного интервала.
Классы точности 1 – 1,5
1 – U-образная трубка; 2 – сильфоны; 3 – преобразователь силы;4 – вторичный приборВЕСОВЫЕ ПЛОТНОМЕРЫ0,5 – 2,5

Слайд 4ПОПЛАВКОВЫЕ ПЛОТНОМЕРЫ
от 0,005 до 0,01 г/см3 с погрешностью 1,5 –

3%
от 0,5 до 1,2 г/см3 с поддиапазоном 0,05 –

0,2 г/см3 в любой части основного интервала; класс точности 1.

1 – поплавок;
2 – стержень;
3 – емкость;
4 – преобразователь линейных перемещений

1 – поплавок;
2 – емкость;
3 – сильфон;
4 – преобразователь усилия

ПОПЛАВКОВЫЕ ПЛОТНОМЕРЫот 0,005 до 0,01 г/см3 с погрешностью 1,5 – 3% от 0,5 до 1,2 г/см3 с

Слайд 5ГИДРО- И АЭРОСТАТИЧЕСКИЕ ПЛОТНОМЕРЫ

ГИДРО- И АЭРОСТАТИЧЕСКИЕ ПЛОТНОМЕРЫ

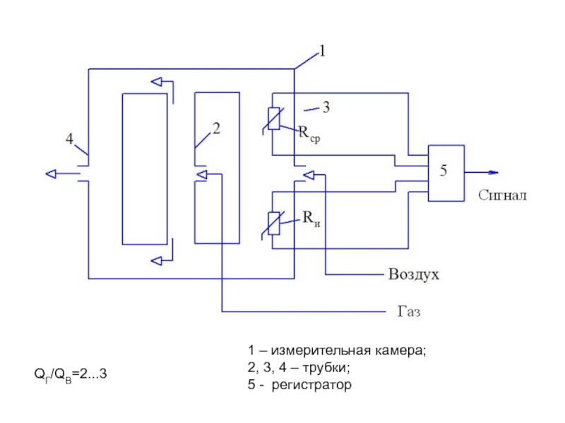
Слайд 6QГ/QB=2...3
1 – измерительная камера;
2, 3, 4 – трубки;
5 -

регистратор

QГ/QB=2...3 1 – измерительная камера;2, 3, 4 – трубки;5 - регистратор

Слайд 71,2 – трубки резонатора;
3 – сильфоны;
4 – катушка

возбуждения;

5 – измерительная катушка;
6 – усилитель;
7 – вторичный прибор

ВИБРАЦИОННЫЕ ПЛОТНОМЕРЫ

0,69 – 1,05 г/см3 0,5% 6,4 МПа

1,2 – трубки резонатора; 3 – сильфоны; 4 – катушка возбуждения;

Слайд 81 - корпус из нержавеющей стали; 2, 3 - тонкостенные

ферромагнитные цилиндры; 4

– сильфон; 5 - терморезистор

1 – катушки возбуждения; 2 – измерительный цилиндр; 3 – компенсирующий цилиндр; 4 – сильфон; 5 – терморезистор; 6 – измерительные катушки; 7 – фазосдвигающие устройства; 8 – усилители-ограничители; 9 – усилитель; 10 – узел вычитания; 11 – блок термокомпенсации; 12 - устройство линеаризации; 13 – устройство индикации

1 - корпус из нержавеющей стали; 2, 3 - тонкостенные ферромагнитные цилиндры;

Слайд 91 П = 10-1 Па∙с;
1 Ст = 10-4 м2/с


Механизм образования вязкости
в газах
в жидкостях
ВЯЗКОСТЬ
динамическая η (Па∙с, П (пуаз))
кинематическая

ν (м2/с, Ст (стокс))

условная (градусы ВУ)

Δрх/Δt=F – сила соп-ротивления движению. Она зависит от массы молекул, их концент-рации (частота пере-носа импульсов) и температуры (скорость молекул)

1 П = 10-1 Па∙с; 1 Ст = 10-4 м2/с Механизм образования вязкостив газахв жидкостяхВЯЗКОСТЬ динамическая η

Слайд 10КАПИЛЛЯРНЫЕ ВИСКОЗИМЕТРЫ
1 – змеевик; 2 – термостат;
3 –

капилляр; Н – насос;
ДМ – дифманометр
Диапазон измерений от 0

– 2 до 0 – 1000 сП
Класс точности 1,5 – 2,5 (в зависимости от диапазона измерений)
КАПИЛЛЯРНЫЕ ВИСКОЗИМЕТРЫ 1 – змеевик; 2 – термостат; 3 – капилляр; Н – насос; ДМ – дифманометрДиапазон

Слайд 11ШАРИКОВЫЕ ВИСКОЗИМЕТРЫ
1 – трубка; 2 – шарик; 3,4 –

ограничительные сетки; 5,6 – формирователи импульсов;
7 – измеритель временных интервалов;
Н

– насос

До 100 Па·с с погрешностью не выше ± 2%.

ШАРИКОВЫЕ ВИСКОЗИМЕТРЫ 1 – трубка; 2 – шарик; 3,4 – ограничительные сетки; 5,6 – формирователи импульсов;7 –

Слайд 12РОТАЦИОННЫЕ
ВИСКОЗИМЕТРЫ
ВИБРАЦИОННЫЕ
ВИСКОЗИМЕТРЫ

РОТАЦИОННЫЕ ВИСКОЗИМЕТРЫ ВИБРАЦИОННЫЕ ВИСКОЗИМЕТРЫ

Слайд 13ИЗМЕРЕНИЕ ВЛАЖНОСТИ

ВЛАГОМЕРЫ:

кондуктометрические;
диэлькометрические (ёмкостные);
сверхвысокочастотные
Влагосодержание:
Влажность:


ЖИДКОСТИ

ГАЗЫ

Абсолютная влажность газа масса водяного пара, содержащегося в единице объема парогазовой смеси
Относительная влажность

Температура точки росы - температура, до которой необходимо охладить влажный воздух, чтобы достичь насыщения водяного пара, сохраняя постоянным массовое содержание влаги в процессе охлаждения

ГИГРОМЕРЫ:

кулонометрические;
диэлькометрические (ёмкостные);
конденсационные

ИЗМЕРЕНИЕ ВЛАЖНОСТИ            ВЛАГОМЕРЫ: кондуктометрические; диэлькометрические (ёмкостные);

Слайд 14ДИЭЛЬКОМЕТРИЧЕСКИЙ (ЕМКОСТНОЙ) ВЛАГОМЕР
1, 9 - цилиндрические конденсаторы; 2,6 – генераторы;

3 – смеситель; 4 – преобразователь в унифицирован-ный токовый сигнал;

5 – вторичный прибор; 7 – блок осушки; 8 – емкость; 10 - трубопровод

Диапазон измерения от 0 – 3 до 0 – 60% об

ДИЭЛЬКОМЕТРИЧЕСКИЙ (ЕМКОСТНОЙ) ВЛАГОМЕР1, 9 - цилиндрические конденсаторы; 2,6 – генераторы; 3 – смеситель; 4 – преобразователь в

Слайд 15КОНДУКТОМЕТРИЧЕСКИЕ ВЛАГОМЕРЫ
СВЕРХВЫСОКОЧАСТОТНЫЕ ВЛАГОМЕРЫ
1 – генератор СВЧ;
2, 5 – волноводы;


3, 4 – антенны;
6 – измерительный блок
Диапазон измерения 0 –

100%
КОНДУКТОМЕТРИЧЕСКИЕ ВЛАГОМЕРЫСВЕРХВЫСОКОЧАСТОТНЫЕ ВЛАГОМЕРЫ1 – генератор СВЧ; 2, 5 – волноводы; 3, 4 – антенны;6 – измерительный блокДиапазон

Слайд 16КУЛОНОМЕТРИЧЕСКИЕ ГИГРОМЕТРЫ
Диапазон измерений от 10-5 до 0,1%.
1 – корпус;


2 – электрод родиевый общий;
3 – электрод родиевый рабочей

части чувствительного элемента;
4 – электрод родиевый контрольной части чувствительного элемента; 5 – источник питания;
6 – отсчетное устройство
КУЛОНОМЕТРИЧЕСКИЕ ГИГРОМЕТРЫДиапазон измерений от 10-5 до 0,1%. 1 – корпус; 2 – электрод родиевый общий; 3 –

Слайд 17ДИЭЛЬКОМЕТРИЧЕСКИЙ ГИГРОМЕТР
1 – измерительная камера;
2 – алюминиевый стержень с нарезкой

(Al2O3);
3 – никелевая проволока;
4 – вторичный прибор (вольтметр)
Диапазон измерения относительной

влажности
20 – 100%
ДИЭЛЬКОМЕТРИЧЕСКИЙ ГИГРОМЕТР1 – измерительная камера;2 – алюминиевый стержень с нарезкой (Al2O3);3 – никелевая проволока;4 – вторичный прибор

Слайд 18ОПРЕДЕЛЕНИЕ ТЕМПЕРАТУРЫ ТОЧКИ РОСЫ ПО ВОДЕ И УГЛЕВОДОРОДАМ
Осложняющие факторы
Температура точки

росы (ТТР) по воде – значение отклонения термодинамического состояния водяного

пара, содержащегося в газе, от его предельного, насыщенного состояния
ОПРЕДЕЛЕНИЕ ТЕМПЕРАТУРЫ ТОЧКИ РОСЫ ПО ВОДЕ И УГЛЕВОДОРОДАМОсложняющие факторыТемпература точки росы (ТТР) по воде – значение отклонения

Слайд 19КОНДЕНСАЦИОННАЯ ТЕХНОЛОГИЯ

КОНДЕНСАЦИОННАЯ ТЕХНОЛОГИЯ

Слайд 20АЛГОРИТМ ИЗМЕРЕНИЯ
Относительно быстрое снижение температуры зеркала до образования пленки конденсата

с последующим удержанием ее заданной толщины (при этом точка росы

– температура удержания пленки)

Медленное охлаждение температуры зеркала с заданной скоростью (не более 1…2 0С/мин) с последующей регистрацией температуры образования пленки конденсата (при этом точка росы – температура образования пленки)

АЛГОРИТМ ИЗМЕРЕНИЯОтносительно быстрое снижение температуры зеркала до образования пленки конденсата с последующим удержанием ее заданной толщины (при

Слайд 21АНАЛИЗАТОР ТЕМПЕРАТУРЫ ТОЧКИ РОСЫ УГЛЕВОДОРОДОВ И ВОДЫ CONDUMAX
Основные технические

характеристики:
Диапазон измерений ТТР углеводородов: до –34 °С при температуре окружающего воздуха

+21 °С.
Погрешность измерений: ±0,5 °С точки росы углеводородов во всём диапазоне
Диапазон измерений температуры точки росы воды: -100…+20 °С точки росы
Погрешность измерений: ±1 °С в диапазоне –60…+20 °С; ±2 °С в диапазоне –100…-60 °С
Дискретность отображения:0,01 для всех единиц

Интеграция с системой управления
Аналоговые выходы 4…20 мА (2 шт.)
Цифровой порт RS-485 (протокол Modbus RTU)

Технология «темного пятна»

АНАЛИЗАТОР ТЕМПЕРАТУРЫ ТОЧКИ РОСЫ УГЛЕВОДОРОДОВ И ВОДЫ CONDUMAX Основные технические характеристики:Диапазон измерений ТТР углеводородов:	до –34 °С при

Слайд 22ТЕХНОЛОГИЯ «ТЕМНОГО ПЯТНА»
Типичная зависимость количества углеводородного конденсата от температуры газа

ТЕХНОЛОГИЯ «ТЕМНОГО ПЯТНА»Типичная зависимость количества углеводородного конденсата от температуры газа

Слайд 23ИМПЕДАНСНАЯ ТЕХНОЛОГИЯ

ИМПЕДАНСНАЯ ТЕХНОЛОГИЯ

Обратная связь

Если не удалось найти и скачать доклад-презентацию, Вы можете заказать его на нашем сайте. Мы постараемся найти нужный Вам материал и отправим по электронной почте. Не стесняйтесь обращаться к нам, если у вас возникли вопросы или пожелания:

Email: Нажмите что бы посмотреть 

Что такое TheSlide.ru?

Это сайт презентации, докладов, проектов в PowerPoint. Здесь удобно  хранить и делиться своими презентациями с другими пользователями.


Для правообладателей

Яндекс.Метрика