Разделы презентаций


Модернизация трансформаторной подстанции ПС №8О Чудская

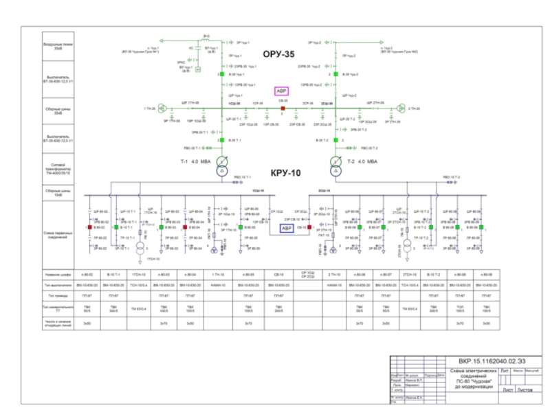
Схема электрических соединений 110-35 кВ ПО Северные ЭС для нормального режима на 2015год

Слайды и текст этой презентации

Слайд 1Модернизация трансформаторной подстанции ПС №8О «Чудская»
Группа: 1024-02С
Студент: Иванов В.П.

Руководитель: Маркевич А.И.

Модернизация трансформаторной подстанции  ПС №8О «Чудская» Группа: 1024-02ССтудент: Иванов В.П. Руководитель: Маркевич А.И.

Слайд 2Схема электрических соединений 110-35 кВ ПО Северные ЭС для нормального

режима на 2015год

Схема электрических соединений 110-35 кВ ПО Северные ЭС для нормального режима на 2015год

Слайд 5Внешний вид выключателей 35 кВ ДО РЕКОНСТРУКЦИИ

ПОСЛЕ РЕКОНСТРУКЦИИ
Внешний вид выключателей 35 кВ  ДО РЕКОНСТРУКЦИИ

Слайд 7Шкаф защиты трансформатора ШЭ2607
Шкаф состоит из двух комплектов.
Комплект 1

реализует функции основных и резервных защит трансформатора и содержит:
-

дифференциальную токовую защиту трансформатора (ДЗТ) от всех видов КЗ внутри бака трансформатора,
- токовую защиту нулевой последовательности стороны ВН (ТЗНП),
- максимальную токовую защиту стороны высокого напряжения с пуском по напряжению (МТЗ ВН),
- максимальную токовую защиту стороны среднего напряжения с пуском по напряжению (МТЗ СН),
- максимальную токовую защиту стороны низкого напряжения первой секции с пуском по напряжению (МТЗ НН1),
- максимальную токовую защиту стороны низкого напряжения второй секции с пуском по напряжению (МТЗ НН2),
- защиту от перегрузки (ЗП),
- реле тока для блокировки РПН при перегрузке,
- токовые реле для пуска автоматики охлаждения,
- реле минимального напряжения сторон СН, НН1 и НН2, реагирующие на понижение междуфазного напряжения для пуска по напряжению МТЗ ВН, МТЗ СН, МТЗ НН1, МТЗ НН2,
- реле минимального междуфазного напряжения сторон СН, НН1 и НН2, для блокировки РПН,
- реле максимального напряжения обратной последовательности сторон СН, НН1 и НН2 для пуска по напряжению МТЗ ВН, МТЗ СН, МТЗ НН1, МТЗ НН2,
УРОВ стороны ВН трансформатора.
Комплект 2 обеспечивает прием сигналов от отключающих ступеней газовых защит Т, РПН и действует на отключение через две группы отключающих реле.
Шкаф защиты трансформатора ШЭ2607Шкаф состоит из двух комплектов. Комплект 1 реализует функции основных и резервных защит трансформатора

Слайд 8Распределительное устройство 10 кВ

Распределительное устройство 10 кВ

Слайд 9Трансформаторы напряжения НАМИТ-10кВ
В НАМИТ-10 прекращение феррорезонанса достигается введением в первичную

цепь, связанную с землей, индуктивного сопротивления в виде трансформатора нулевой

последовательности (ТНП). Введение этого сопротивления выполняется путем дешунтирования его вторичной обмотки с помощью релейной схемы, реагирующей на повышение напряжения нулевой последовательности на зажимах дополнительной вторичной обмотки ТН.
Трансформаторы напряжения НАМИТ-10кВВ НАМИТ-10 прекращение феррорезонанса достигается введением в первичную цепь, связанную с землей, индуктивного сопротивления в

Слайд 10Заземление и грозозащита на ПС
Зона защиты двойного стержневого молниеотвода
Расчётная модель

заземлителя

Заземление и грозозащита на ПСЗона защиты двойного стержневого молниеотводаРасчётная модель заземлителя

Слайд 11Микропроцессорные блоки РЗиА БЭМП
Типовые функциональные схемы позволяют использовать БЭМП в

качестве:

защиты кабельных и воздушных линий;
защиты вводных и

секционных выключателей;
защиты синхронных и асинхронных двигателей;
устройства контроля напряжения секции шин;
устройства автоматической частотной разгрузки;
устройства быстрого автоматического ввода резерва и другие.
Микропроцессорные блоки РЗиА БЭМПТиповые функциональные схемы позволяют использовать БЭМП в качестве: защиты кабельных и воздушных линий;

Слайд 12Защита линии 10кВ с микропроцессорным блоком защиты БЭМП и вакуумным

выключателем

Защита линии 10кВ с микропроцессорным блоком защиты БЭМП и вакуумным выключателем

Слайд 13Основные технико-экономические показатели

Основные технико-экономические показатели

Слайд 14Спасибо за внимание !

Спасибо за внимание !

Обратная связь

Если не удалось найти и скачать доклад-презентацию, Вы можете заказать его на нашем сайте. Мы постараемся найти нужный Вам материал и отправим по электронной почте. Не стесняйтесь обращаться к нам, если у вас возникли вопросы или пожелания:

Email: Нажмите что бы посмотреть 

Что такое TheSlide.ru?

Это сайт презентации, докладов, проектов в PowerPoint. Здесь удобно  хранить и делиться своими презентациями с другими пользователями.


Для правообладателей

Яндекс.Метрика