Разделы презентаций


Лекция № 8 Т ема 2.2. Бортовые системы контроля и индикации работы

Содержание

2.2.1. Бортовая система контроля работы авиадвигателей БСКД-90: назначение, состав, основные технические данные19 В настоящее время отдельные приборы и системы контроля работы двигателя (манометры, тахометры, термометры, измерители вибрации) объединяют в единый комплекс

Слайды и текст этой презентации

Слайд 1

Лекция № 8 Тема 2.2. Бортовые системы контроля и

индикации работы авиадвигателей 2.2.1. Бортовая система контроля работы авиадвигателей БСКД-90: назначение, состав, основные технические данные 2.2.2. Схема связи БСКД-90 с системами самолета 2.2.3. Электрическая структурная схема БСКД-90
Лекция № 8

Слайд 2 2.2.1. Бортовая система контроля работы авиадвигателей БСКД-90: назначение, состав,

основные технические данные
19
В настоящее время отдельные приборы и системы контроля

работы двигателя (манометры, тахометры, термометры, измерители вибрации) объединяют в единый комплекс контроля работы двигателя. При этом обработка информации ведется в цифровом виде с помощью специализированной БЦВМ.
К такому комплексу контроля работы двигателя можно отнести бортовую систему контроля двигателя БСКД-90, которая устанавливается на самолете Ту-204-300.
КИСС – комплексная информационная система сигнализации
МСРП – магнитная система регистрации параметров полета
РЭД – регулятор электронный двигателя
АСК – автоматизированная система контроля
САС – система аварийной сигнализации
ЧР - режим повышенной тяги двигателя
ВНА - входной направляющий аппарат компрессора
KПB КВД - промежуточный корпус компрессора высокого давления
ЗПВ ПС – положение заслонок подпорных ступеней компрессора
ИЦС5-1 – индикатор уровня масла
2.2.1. Бортовая система контроля работы авиадвигателей БСКД-90: назначение, состав, основные технические данные19	В настоящее время отдельные приборы

Слайд 3Назначение и основные технические данные БСКД-90
18
Бортовая

система контроля двигателя БСКД-90 предназначена для выполнения следующих функций:
-

прием информации с датчиков, сигнализаторов и систем, установленных на двигателе и самолете;
- нормализацию и преобразование аналоговой и дискретной информации в цифровой код;
- обработку полученной от датчиков информации по заданным алгоритмам;
- выдачу информации в системы самолета.
БСКД-90 имеет основной и резервный каналы.
Основной канал формирует и выдает в самолетные системы информацию по контролю двигателя в полном объеме.
Резервный канал осуществляет дублирование контроля основных параметров (nВ, nКВД и ТГ) и обеспечивает выдачу этих параметров и параметров вибрации, а также сигналов «Т ГАЗА ВЕЛИКА» и «ОБОРОТЫ ПРЕДЕЛ» на средства сигнализации и регистрации при отказе основного канала, в том числе и на аварийном электропитании.
Назначение и основные технические данные      БСКД-9018	Бортовая система контроля двигателя БСКД-90 предназначена для

Слайд 4Назначение и основные технические данные БСКД-90
17

БСКД имеет встроенные средства контроля, которые обеспечивают:
- отключение неисправных

каналов информации;
- переключение на прием и использование информации от РЭД;
- предполетный контроль системы на земле от кнопки БСКД KОHTP, расположенной на щитке контроля РЭД;
- выдачу в системы КИСС, МСРП сигналов об отказавшем элементе системы или взаимодействующего датчика.
Назначение и основные технические данные      БСКД-9017	 БСКД имеет встроенные средства контроля, которые

Слайд 5Назначение и основные технические данные БСКД-90
16

БСКД обеспечивает выполнение следующих основных функций по контролю двигателя и

его систем:
- допусковый контроль измеренных параметров и выдачу в КИСС, МСРП, АСК и САС сигналов неисправности при достижении параметрами предельных значений;
- контроль работы механизации компрессора (ВНА, KПB КВД, ЗПВ ПС);
- контроль работы системы охлаждения турбины;
- формирование сигнала на выключение двигателя и выдачу его в СAС на табло красного цвета ВЫКЛЮЧИ ДВ1(2) на пульте пилотов среднем и в КИСС в кадры ДВ/СИГН, СИГН в виде текста ДВ1(2) ВЫКЛЮЧИ ДВИГАТЕЛЬ красного цвета;
- формирование и выдачу сигнала желтого цвета ДВ1(2) ПЕРЕГРЕВ в кадры ДВ/СИГН КИСС и ДВ1(2) ПЕРЕГР на табло на щитке ПОЖАРНАЯ ЗАЩИТА;

Назначение и основные технические данные      БСКД-9016	 БСКД обеспечивает выполнение следующих основных функций

Слайд 6Назначение и основные технические данные БСКД-90
15
-

контроль уровней вибрации в узлах подвески двигателя в районе разделительного

корпуса (РК) и задней подвески (ЗП) по ротору вентилятора и ротору КВД, формирование и выдачу сигналов:
- желтого цвета ВИБР ВЕЛИКА на табло САС и ДВ1(2) ВИБР ВЕЛИКА в КИСС в кадры ДВ/СИГН, СИГН при уровнях вибрации РК и/или ЗП 60 мм/с по ротору вентилятора и 50 мм/с по ротору КВД;
- красного цвета ДВ1(2) ВИБР ОПАСНАЯ в КИСС в кадры ДВ/СИГН, СИГН при уровнях вибрации РК и/или ЗП 90 мм/с по ротору вентилятора и 70 мм/с по ротору КВД;
- контроль положений и исправности реверсивного устройства;
- подсчет времени работы двигателя на режиме ЧР;
- контроль часового расхода масла за полет;
- подсчет времени запуска и контроль времени выбега роторов двигателя;
Назначение и основные технические данные      БСКД-9015	- контроль уровней вибрации в узлах подвески

Слайд 7Назначение и основные технические данные БСКД-90
14

- подсчет наработки двигателя и выдачу результатов подсчета в МСРП

после окончания полета;
- формирование признаков работающего и неработающего двигателя и выдачу их (сигналы напряжением +27 В) в системы самолета: в гидросистему (для ВД, НС), в СЭС, а также в КИСС и в РИ (речевой информатор) сигнала ДВ1(2) НЕ РАБОТАЕТ;
- выдачу информации от РЭД о параметрах двигателя и отказах РЭД в КИСС, МСРП;
- формирование дискретного сигнала ЧР по информации от РЭД и выдачу его в РИ;
- анализ тенденций изменения основных параметров двигателя в течение полета;
- контроль уровня масла при заправке.
На самолете установлены два автономных комплекта БСКД.
Назначение и основные технические данные      БСКД-9014	 - подсчет наработки двигателя и выдачу

Слайд 8Состав БСКД-90: БППД2-1, БППД3-1, ЦВМ80-401,МВ-06-1, БЭ-45, ИЦС5-1, ДРТ5-3А, ДМК3-2, УПС4-1,

ДКТ1-1
13
Каждый комплект системы включает агрегаты, установленные на двигателе и

самолете.
На двигателе установлены:
- блок БППД2-1 преобразования параметров двигателя ;
- ДМК3-2 - датчик уровня масла в баке;
- ДРТ5 - датчик расхода топлива через камеры сгорания;
- MB-06 - два датчика вибрации разделительного корпуса и задней подвески по вертикальной оси.
На самолете в техотсеке №3 установлены:
- блок БППД3-1 преобразования параметров двигателя (резервного канала БСКД) ;
- ЦВМ80-401М - цифровая вычислительная машина;
- БЭ-45 - электронный блок аппаратуры вибрации;
- ДКТ1-1 - термокомпенсационная колодка;
- УПС-4 - блок подгрузки сигнализаторов.


Состав БСКД-90: БППД2-1, БППД3-1, ЦВМ80-401,МВ-06-1, БЭ-45, ИЦС5-1, ДРТ5-3А, ДМК3-2,  УПС4-1, ДКТ1-1 13Каждый комплект системы включает агрегаты,

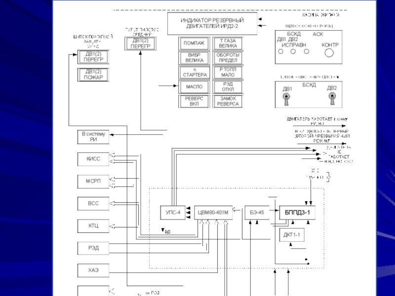
Слайд 92.2.2. Схема связи БСКД-90 с системами самолета
12
Взаимосвязь блоков БСКД с

системами самолета осуществляется следующим образом.
ЦВМ80-401М принимает информацию от РЭД-90

и выдает информацию о работе двигателя в системы КИСС, MCРП, KTЦ и ВСС (данные о расходе топлива), РИ, ВД, НС, СЭС, САС (на табло ВЫКЛЮЧИ ДВ1(2)), а также выдает дискретный сигнал о включении ЧР (чрезвычайного режима) в блок БППД3-1.
БППД3-1 получает сигналы :
- "Опора обжата" от системы шасси,
- "ПОС в/з включена" – от противообледенительной системы,
- сигнал запуска – от системы запуска,
- сигнал "ЧР"– от ЦВМ80-401М
и выдает сигналы напряжением +27 В на табло САС Т ГАЗА ВЕЛИКА, ОБОРОТЫ ПРЕДЕЛ, в РИ для формирования речевого сообщения "ДВИГАТЕЛЬ ПЕРВЫЙ (ВТОРОЙ) ЧРЕЗВЫЧАЙНЫЙ РЕЖИМ".

2.2.2. Схема связи БСКД-90 с системами самолета12	Взаимосвязь блоков БСКД с системами самолета осуществляется следующим образом. 	ЦВМ80-401М принимает

Слайд 122.2.2. Схема связи БСКД-90 с системами самолета
10
Взаимосвязь элементов внутри БСКД

осуществляется следующим образом.
Блок преобразования параметров двигателя БППД2-1 получает информацию

от датчиков, установленных на двигателе, преобразует ее в код и выдает в ЦВМ80-401М. Блок БППД3-1 получает информацию от отдельных датчиков, установленных на двигателе, и от блока БЭ-45, преобразует в код и выдает в ЦВМ80-401М.
Блок БЭ-45 получает информацию от датчиков вибрации, установленных на двигателе, преобразует и выдает в БППД3-1.
БСКД включается выключателем БСКД ДВ1 (ДВ2), расположенным на щитке включения систем в кабине экипажа. При этом включается непрерывный контроль системы от ВСК.
При неработающем двигателе проверяются только те датчики, параметры которых находятся в рабочем диапазоне. Контроль остальных датчиков начинается при запуске двигателя.
При отказе ЦВМ80-401М информация в самолетные системы КИСС, МСРП, на табло выдается с блока БППД3-1, а выдача информации в КТЦ и BCС прекращается.
2.2.2. Схема связи БСКД-90 с системами самолета10	Взаимосвязь элементов внутри БСКД осуществляется следующим образом. 	Блок преобразования параметров двигателя

Слайд 13Взаимодействующие датчики и сигнализаторы
Основной канал БСКД принимает, использует в

обработке и передает в системы самолета информацию о текущих значениях

параметров nв, nвд, Тг, Рвх, Рк, Твх, руд,вна, полученных в кодовом виде от основного и (при отказе основного) дублирующего канала РЭД-90. При отсутствии или недостоверности информации, полученной от РЭД, основной канал БСКД переключается на прием информации от блока БППД2-1 по параметрам nв, nвд, Тг, Рвх,Твх.
Кроме датчиков уровня масла – ДМК-3, расхода топлива – ДРТ5, вибрации МВ-06 и температуры – ДКТ1-1 информацию о параметрах работы двигателя в БППД2-1 предоставляют:
- датчик температуры газа за турбиной низкого давления Т-99;
- датчики частоты вращения роторов вентилятора и КВД;
- датчик давления топлива на входе в насос-регулятор Рвх;
- датчик температуры топлива на входе в насос-регулятор Твх.

9

Взаимодействующие датчики и сигнализаторы	 Основной канал БСКД принимает, использует в обработке и передает в системы самолета информацию

Слайд 14Взаимодействующие датчики и сигнализаторы
Светосигнальные табло:

- ПОМПАЖ загорается при

помпаже двигателя, выдается из РЭД.
- ВИБР ВЕЛИКА при уровнях

вибрации РК и/или ЗП 60 мм/с по ротору вентилятора и 50 мм/с по ротору КВД, выдается из блока БЭ-45;
- Т ГАЗА ВЕЛИКА загорается при температуре газа за турбиной низкого давления, равной или большей 660ºС, на всех режимах работы двигателя, кроме режима ЧР, на режиме ЧР – при значении равном или большем 720ºС, выдается из блока БППД3-1;
- ОБОРОТЫ ПРЕДЕЛ загорается при частоте вращения ротора КВД, равной или большей 12240 об/мин (98%), или частоте вращения ротора вентилятора, равной или большей 4700 об/мин (100,2%), на всех режимах работы двигателя, кроме ЧР, на режиме ЧР – при n2 ≥ 12540 об/мин (100,4%) или n1 ≥ 4840 об/мин (103,2%), выдается из блока БППД3-1;

8

Взаимодействующие датчики и сигнализаторы	 Светосигнальные табло: 	- ПОМПАЖ загорается при помпаже двигателя, выдается из РЭД. 	- ВИБР

Слайд 15 Помпа́ж (фр. pompage) — срывной режим работы авиационного турбореактивного двигателя, нарушение газодинамической устойчивости его работы, сопровождающийся

хлопками в воздухозаборнике из-за противотока газов, дымлением выхлопа двигателя, резким

падением тяги и мощной вибрацией, которая способна разрушить двигатель. Воздушный поток, обтекающий лопатки рабочего колеса, резко меняет направление, и внутри турбины возникают турбулентные завихрения, а давление на входе компрессора становится равным или бо́льшим, чем на его выходе.
В зависимости от типа компрессора помпаж может возникать вследствие мощных срывов потоков воздуха с передних кромок лопаток рабочего колеса и лопаточного диффузора или же срыва потока с лопаток рабочего колеса и спрямляющего аппарата.
Одним из первых термин «помпаж» по отношению к реактивному двигателю применил академик Б. С. Стечкин в 1946 году[1].
Помпа́ж (фр. pompage) — срывной режим работы авиационного турбореактивного двигателя, нарушение газодинамической устойчивости его работы, сопровождающийся хлопками в воздухозаборнике из-за противотока газов, дымлением

Слайд 17 Взаимодействующие датчики и сигнализаторы
Светосигнальные табло:
- МАСЛО

загорается при срабатывании сигнализаторов в случае:
- при давлении

масла в нагнетающей магистрали равном или меньшем (1,6 ± 0,3) кгс/см2;
- при давлении в суфлирующих полостях равном или большем (0,6 ± 0,2) кгс/см2;
- при уровне масла в маслобаке равном или меньшем 5 л;
- при наличии стружки в масле;
- Р ТОПЛИВА МАЛО загорается при давлении топлива перед НР-90 (насосы-регуляторы) равном или меньшем (2,8 ± 0,25) кгс/см2 по сигналу с сигнализатора;
- n СТАРТЕР загорается при частоте вращения n2 = (56,8 ± 2,8)%,сигнал выдается из САУ-90;
- ЗАМОК РЕВЕРСА загорается при открытии замка реверса по сигналу с сигнализатора;
- РЕВЕРС ВКЛ загорается при установке створок реверса в положение «ОБРАТНАЯ ТЯГА» по сигналу с сигнализатора;

7

Взаимодействующие датчики и сигнализаторы	 Светосигнальные табло: 	 - МАСЛО загорается при срабатывании сигнализаторов в случае:

Слайд 18 Суфлеры предназначены для выпуска воздуха и газов из масляных полостей

двигателя в атмосферу, для отделения от потока воздуха и газа

частичек масла и для поддержания заданного избыточного давления в суфлируемых полостях.
Избыточное давление в суфлируемых полостях поддерживается тарельчатым клапаном в пределах 0,01–0,03МПа. При увеличении давления сверх допустимого этот клапан открывается и перепускает воздух в атмосферу.
Конструктивно центробежный суфлер представляет собой вращающуюся с большой скоростью крыльчатку, расположенную в корпусе. При работе двигателя в полость крыльчатки поступает воздух, содержащий небольшое количество паров и мелких капель масла. Под действием центробежных сил частички масла отбрасываются на стенку корпуса, откуда по специальным канавкам накопившееся масло сливается в картер двигателя. При этом уменьшаются безвозвратные потери масла. Воздух, очищенный от масла, через полый вал крыльчатки выводится в атмосферу.
Вращающаяся крыльчатка имеет определенное гидросопротив-ление, благодаря чему в суфлируемых полостях создается избыточное давление, обеспечивающее нормальную работу откачивающих насосов и уплотнений масляных полостей опор ротора двигателя.
Суфлеры предназначены для выпуска воздуха и газов из масляных полостей двигателя в атмосферу, для отделения от потока

Слайд 19Взаимодействующие датчики и сигнализаторы
Светосигнальные табло:
- ВЫКЛЮЧИ ДВИГАТЕЛЬ загорается

при формировании в ЦВМ80 интегрального сигнала неисправности двигателя по следующим

комбинациям сигналов:
- «Вибрация велика» и «Стружка в масле»;
- «Давление масла мало» и «Масла мало»;
- «Стружка в масле» и «Давление масла мало»;
- «Вибрация велика» и «Опасная температура газа»;
- «Помпаж» и «Вибрация велика»;
- «Предельная температура масла на входе» и «Стружка в масле»;
- «Предельная температура масла на выходе» и «Повышенная вибрация»;
- «Стружка в масле» и «Масла мало».
Выдается из УПС4-1. Табло загорается также при наличии сигнала «Пожар» и при срабатывании СЗРТ.
Светодиод 3Л314Г исправности БСКД.

6

Взаимодействующие датчики и сигнализаторы	 Светосигнальные табло: 	- ВЫКЛЮЧИ ДВИГАТЕЛЬ загорается при формировании в ЦВМ80 интегрального сигнала неисправности

Слайд 21Взаимодействующие датчики и сигнализаторы
Сигнализаторы.
Сигнализатор давления МСТ-100А предназначен для

выдачи сигнала при повышении давления более 100 кгс/см2 в гидросистеме

за краном управления реверсом КР-90 после перевода рычага крана КР-90 в положение обратной тяги.
Система сигнализации положения РУ состоит из двух сигнализаторов положения замка и двух сигнализаторов обратной тяги типа ПКТ-6М. Сигнализаторы замка установлены на корпусе замка, сигнализаторы обратной тяги установлены на неподвижном силовом корпусе РУ двигателя. Один сигнализатор замка и один сигнализатор обратной тяги выдают сигналы в бортовую систему контроля двигателя БСКД-90, которая выдает в КИСС на экран информацию о положении элементов РУ и их неисправности.
Второй сигнализатор замка выдает сигналы в электрическую систему управления реверсом тяги, в систему САС на табло «ЗАМОК РЕВЕРСА».
Второй сигнализатор обратной тяги выдает сигнал в САС на табло «РЕВЕРС ВКЛ».

5

Взаимодействующие датчики и сигнализаторы	 Сигнализаторы.	 Сигнализатор давления МСТ-100А предназначен для выдачи сигнала при повышении давления более 100

Слайд 22Отображение информации на ИМ (кадр ДВ/СИГН)
1 Рамка для отображения сигналов,

формирующих интегральный сигнал НЕ ГОТОВ ВЗЛЕТУ.
2 Сигнализация о включении реверса

двигателя №1 или открытом положении замка реверса двигателя №1.
3 Счетчик температуры наружного воздуха ТН .
4 Сигнализация о включении реверса двигателя №2 или открытом положении замка реверса двигателя №2.
5 Шкала оборотов N1 двигателя №2.
6 Сигнализация ЗПВ ПС 2 группы двигателя №2.
7 Сигнализация положения клапана перепуска КП1 двигателя №2.
8 Шкала оборотов N2 двигателя №2.
9 Сигнализация положения клапана перепуска КП2 двигателя №2.
10 Шкала температуры выходящих газов ТГ двигателя №2.
11 Счетчик положения РУД двигателя №2.
12 Счетчик положения РУД двигателя №1.
13 Рамка – признак наличия подсказки к сигналу (сигналам),отображаемым в кадре ДВ/СИГН.
14 Счетчик таймера, формируемый КИСС.

ЗПВ ПС – положение заслонок подпорных ступеней компрессора

Отображение информации на ИМ (кадр ДВ/СИГН)1 Рамка для отображения сигналов, формирующих интегральный сигнал НЕ ГОТОВ ВЗЛЕТУ.2 Сигнализация

Слайд 23Взаимодействующие датчики и сигнализаторы
Контроль состояния двигателя в процессе эксплуатации производится:


– визуально по информации о параметрах, выдаваемой на экраны КИСС,

резервный индикатор, сигнальные табло и светосигнализаторы;
– путем послеполетной обработки информации, регистрируемой на МСРП и АСК-90.

Индикатор ИРД2-2 предназначен для контроля и отображения основных параметров двух двигателей ПС-90А самолета, в дополнение к основным средствам контроля, контролируемых на всех этапах его эксплуатации экипажем и наземным персоналом.
На самолете установлен один индикатор ИРД2-2 для двух двигателей.

4

Взаимодействующие датчики и сигнализаторы	Контроль состояния двигателя в процессе эксплуатации производится: – визуально по информации о параметрах, выдаваемой

Слайд 24Взаимодействующие датчики и сигнализаторы
Резервный индикатор параметров двигателей ИРД2-2 осуществляет прием,

обработку и отображение информации об основных параметрах двух двигателей ПС-90А:


– частот вращения роторов вентилятора - N1, и КВД – N2;
– температуры газов за турбиной низкого давления Тг;
– верхнее табло, предназначено для отображения параметра, характеризующего тягу двигателя, не используется.
Индикатор представляет собой моноблок с микропроцессорны-ми устройствами, имеющий два жидкокристаллических модуля индикации. ИРД2-2 имеет два независимых канала измерения: для левого и правого двигателей и общий блок питания.
К датчикам параметров N1, N2 и Тг двигателей индикатор подключен параллельно с системой БСКД. Отображение параметров N1, N2 и Тг на жидкокристаллических индикаторах - в цифровом виде.

3

Взаимодействующие датчики и сигнализаторы	Резервный индикатор параметров двигателей ИРД2-2 осуществляет прием, обработку и отображение информации об основных параметрах

Слайд 252.29. Электрическая структурная схема БСКД-90
Резервный канал БСКД подключен к аварийным

шинам переменного тока, которые питаются от ПТС.
По постоянному току резервный

канал запитывается от шин, подключенных к аккумуляторам.
Аппаратура вибрации получает электропитание от основных шин переменного тока и от шин постоянного тока, подключенным к аккумуляторам.
Потребляемая мощность БСКД от самолетной бортсети переменного тока 115В 400Гц – не более 15ВА, из них от аварийного источника – не более 50ВА. От сети постоянного тока 27 В – не более 115 Вт.
Мощность, потребляемая БСКД от аккумуляторных шин в аварийном режиме – не более 45 Вт.

2

БСКД включается выключателем БСКД ДВ1 (ДВ2), расположенным на щитке включения систем в кабине экипажа. При этом включается непрерывный контроль системы от ВСК.
Основной канал БСКД получает электропитание от основных шин переменного тока и от отключаемых шин постоянного тока.

2.29. Электрическая структурная схема БСКД-90	Резервный канал БСКД подключен к аварийным шинам переменного тока, которые питаются от ПТС.	По

Слайд 262.2.3. Электрическая структурная схема БСКД-90
При неработающем двигателе проверяются только те

датчики, параметры которых находятся в рабочем диапазоне.
Контроль остальных датчиков

начинается при запуске двигателя.
При отказе ЦВМ80-401М информация в самолетные системы КИСС, МСРП, на табло выдается с блока БППД3-1, а выдача информации в КТЦ и BCС прекращается.
При переходе электропитания борта на аварийное питание система обеспечивает выдачу информации только в КИСС.
Информация об отказе системы выдается в КИСС в виде сигнала БСКД ДВ1 (ДВ2) ОТКАЗ сразу после возникновения отказа.
При поиске неисправного элемента на земле при нажатии кнопки БЛОКИ на пульте ПУИ1 КИСС на экран выдается код неисправного элемента.

1

2.2.3. Электрическая структурная схема БСКД-90	При неработающем двигателе проверяются только те датчики, параметры которых находятся в рабочем диапазоне.

Обратная связь

Если не удалось найти и скачать доклад-презентацию, Вы можете заказать его на нашем сайте. Мы постараемся найти нужный Вам материал и отправим по электронной почте. Не стесняйтесь обращаться к нам, если у вас возникли вопросы или пожелания:

Email: Нажмите что бы посмотреть 

Что такое TheSlide.ru?

Это сайт презентации, докладов, проектов в PowerPoint. Здесь удобно  хранить и делиться своими презентациями с другими пользователями.


Для правообладателей

Яндекс.Метрика