Разделы презентаций


Организационные защитные мероприятия от поражения электрическим током

Содержание

Организационные защитные мероприятия от поражения электрическим токомобучениеаттестация (проверка знаний, присвоение квалификационной группы по электробезопасности I-V )инструктажипроверки

Слайды и текст этой презентации

Слайд 1
Защитные мероприятия от поражения человека электрическим током
1. Организационные
2. Технические:
основные

дополнительные

Защитные мероприятия от поражения человека электрическим током1. Организационные2. Технические: основные дополнительные

Слайд 2
Организационные защитные мероприятия от поражения электрическим током
обучение
аттестация (проверка знаний, присвоение

квалификационной группы по электробезопасности I-V )
инструктажи
проверки

Организационные защитные мероприятия от поражения электрическим токомобучениеаттестация (проверка знаний, присвоение квалификационной группы по электробезопасности I-V )инструктажипроверки

Слайд 3
Технические защитные мероприятия от поражения электрическим током

♦  Уменьшение вероятности прикосновения к

токоведущим частям.

♦  Уменьшение вероятности выноса напряжения сети на нетоковедущие части

♦  Уменьшения величины

напряжения прикосновения

♦  Уменьшения длительности протекания через тело человека опасного по величине тока

Технические защитные мероприятия от поражения электрическим током♦  Уменьшение вероятности прикосновения к токоведущим частям.♦  Уменьшение вероятности выноса напряжения сети на

Слайд 4Выбор вида технических средств защиты зависит от:

∙      степени опасности поражения

электрическим током, определяемой:

а) параметрами электрической сети
б) уровнем квалификации персонала
в) условиями размещения оборудования

∙      требований к обеспечению непрерывности питания электроприемников

∙      экономических соображений.

Технические защитные мероприятия от поражения электрическим током

Выбор вида технических средств защиты зависит от:∙      степени опасности поражения электрическим током, определяемой:

Слайд 5Квалификация персонала:

электротехнический персонал
производственный персонал


население


Категории помещений
по степени опасности поражения
электрическим

током
без повышенной опасности
с повышенной опасностью
особо опасные



Квалификация персонала: электротехнический персонал    производственный персонал     населениеКатегории помещений по степени

Слайд 6Признаки повышенной опасности :

а) сырость (

влажность воздуха длительно более 75%);

б) наличие токопроводящей

пыли;

в) высокая температура (длительно более 35 С);

г) токопроводящие полы;

д) возможность прикосновения человека одновременно к металлическому корпусу прибора и к имеющим соединение с землей металлоконструкциями

Признаки повышенной опасности :    а) сырость ( влажность воздуха длительно более 75%);

Слайд 7 Признаки особой опасности помещений :

а) особая сырость (относительная влажность воздуха близка к 100%);

б) химически активная (агрессивная) среда;

в) одновременное наличие двух и более признаков повышенной опасности.

Признаки особой опасности помещений :   а) особая сырость (относительная влажность воздуха близка

Слайд 8
- электрическая изоляция токоведущих частей
расположение токоведущих частей вне

зон досягаемости
корпуса устройств, ограждения, барьеры
блокировки
сигнализации, маркировка (организационно-технические)
низковольтные (безопасные)

источники напряжения

Основные технические мероприятия по защите от поражения электрическим током

- электрическая изоляция токоведущих частей расположение токоведущих частей вне зон досягаемости корпуса устройств, ограждения, барьеры блокировкисигнализации,

Слайд 9 ИЗОЛЯЦИЯ ТОКОВЕДУЩИХ ЧАСТЕЙ

двойная изоляция





Изоляция токоведущей жилы
Изоляционная оболочка


ИЗОЛЯЦИЯ ТОКОВЕДУЩИХ ЧАСТЕЙ двойная изоляция   Изоляция токоведущей жилыИзоляционная оболочка

Слайд 10
Расположение токоведущих частей вне зон досягаемости

Расположение токоведущих частей вне зон досягаемости

Слайд 11ГОСТ 14254-96 (МЭК 529-89)
СТЕПЕНИ ЗАЩИТЫ, ОБЕСПЕЧИВАЕМЫЕ ОБОЛОЧКАМИ

(КОД IP)
Буквы кода

I P 2 3
(Международная защита)
(International Protection)
Защита людей от доступа к опасным частям
и от проникновения внешних твердых предметов
(цифры от 0 до 6)
защиты оборудования от вредного воздействия
в результате проникновения воды
(цифры от 0 до 8)

Корпуса устройств

ГОСТ 14254-96  (МЭК 529-89)  СТЕПЕНИ ЗАЩИТЫ, ОБЕСПЕЧИВАЕМЫЕ ОБОЛОЧКАМИ   (КОД IP) Буквы кода

Слайд 12
Защита от попадания твердых частиц

0 – никакой защиты

1 – Защита

от твердых предметов диаметром более 50 мм

2 - Защита

от предметов диаметром более 12,5 мм

3 - Защита от предметов диаметром более 2,5 мм

4 - Защита от тел (провода) диаметром более 1 мм

5 - Полная защита от соприкосновения с токоведущими частями; частичная защита оборудования от пыли.

6 - Полная защита от соприкосновения с токоведущими частями и попадания пыли.

Защита от попадания твердых частиц0 – никакой защиты1 – Защита от твердых предметов диаметром более 50 мм

Слайд 13Защита от попадания воды

0 - защита отсутствует
1

- защита от падающих сверху капель конденсата
2 - защита

от капель воды, падающих под углом 150
3 - защита от дождя (распыление по углом 600 от вертикали)
4 - защита от брызг
5 - защита от водяных струй
6 - защита от захлестывания волной
7 - защита при кратковременном погружении в воду
8 - защита при длительном погружении в воду

Защита от попадания воды  0 - защита отсутствует 1 - защита от падающих сверху капель конденсата

Слайд 14Для наружных установок IP44

Лабораторное оборудование IP20.

Для наружных установок  IP44Лабораторное оборудование  IP20.

Слайд 15БЛОКИРОВКА
 
Блокировка предотвращает ошибочные действия оператора и исключает

возможность доступа к токоведущим частям, находящимся под напряжением.

БЛОКИРОВКА    Блокировка предотвращает ошибочные действия оператора и исключает возможность доступа к токоведущим частям, находящимся под

Слайд 17 Для световых сигналов должны применяться следующие цвета:

красный - запрещающие и аварийные сигналы;

желтый - привлечение внимания (предупреждающий);

зеленый - сигнализация безопасности (нормальный режим работы, разрешение на начало действия и т.п.);

СИГНАЛИЗАЦИЯ

ГОСТ Р 12.4.026-2001 ССБТ. Цвета сигнальные, знаки безопасности и разметка сигнальная. Назначение и правила применения. Общие технические требования и характеристики.

Для световых сигналов должны применяться следующие цвета:   красный - запрещающие и аварийные

Слайд 22МАРКИРОВКА

ГОСТ Р 50462 «Идентификация проводников по цветам или цифровым

обозначениям».

МАРКИРОВКА ГОСТ Р 50462 «Идентификация проводников по цветам или цифровым обозначениям».

Слайд 23Проводники защитного заземления,
а также нулевые защитные проводники
буквенное обозначение

: РЕ
цветовое обозначение:
полосами желтого и зеленого цветов.

Нулевые рабочие

проводники.
буквенное обозначение : N
цветовое обозначение: голубой цвет

Совмещенные нулевые защитные и
нулевые рабочие проводники.
буквенное обозначение : PEN
цветовое обозначение:
голубой цвет по всей длине
и желто-зеленые полосы на концах.

Проводники защитного заземления, а также нулевые защитные проводники буквенное обозначение : РЕ цветовое обозначение: полосами желтого и

Слайд 24Шины должны быть обозначены:
при переменном трехфазном токе:
фаза А

- желтый
фаза В - зеленый
фаза С - красный

2)

при переменном однофазном токе:
шина В (конец обмотки питания) - красный
шина А (начало обмотки питания) – желтый

3) при постоянном токе:
положительная шина (+) - красный,
отрицательная (-) - синий,
нулевая рабочая (М ) - голубой.

Шины должны быть обозначены:при переменном трехфазном токе: 					 фаза А - желтый					 фаза В - зеленый					 фаза

Слайд 25Международная классификация электрических сетей (в соответствии с ГОСТ Р 50571-94)



I - isolato (изолированный);
T - terra (земля);
C -

commune (общий);
S - separate (раздельный);
N - neutral (нейтральный).

T N – C


Отношение нейтрали к земле
Отношение корпуса приёмника к земле
Выполнение защитного проводника

Международная классификация электрических сетей (в соответствии с ГОСТ Р 50571-94) I - isolato (изолированный); T - terra

Слайд 30

ПРИМЕНЕНИЕ МАЛЫХ НАПРЯЖЕНИЙ
 
Дополнительная защита от прямого прикосновения не требуется, если

наибольшее рабочее напряжение не
превышает

~ , 50Гц =
в помещениях без повышенной опасности 25 В 60 В

в помещениях с повышенной опасностью,
особо опасных и в наружных установках 6 В 15 В


ПРИМЕНЕНИЕ МАЛЫХ НАПРЯЖЕНИЙ Дополнительная защита от прямого прикосновения не требуется, если наибольшее рабочее напряжение непревышает

Слайд 31
Честные, с точки зрения электробезопасности, способы получения малых напряжений.

независимые низковольтные источники питания
- получение малых напряжений от высоковольтных источников,

с помощью гальванически развязанных цепей
Честные, с точки зрения электробезопасности, способы получения малых напряжений. независимые низковольтные источники питания- получение малых напряжений от

Слайд 32
Нечестные способы
1. Получение малого напряжения с помощью гасящего резистора

~
U



Rгас.



Нечестные способы1. Получение малого напряжения с помощью гасящего резистора~URоRгас.

Слайд 33
2. Получение малого напряжения с помощью автотрансформатора

~
U










2. Получение малого напряжения с помощью автотрансформатора~URо

Слайд 34


~
U






Сб
3. Беcтрансформаторные блоки питания

~URоRнСб3. Беcтрансформаторные блоки питания

Слайд 35


~

U


Rh
R1
R2

4. Гальванически связанный цепи

~URhR1R24. Гальванически связанный цепи

Слайд 36





~
U

R1
R2


Дополнительные технические мероприятия по защите от поражения электрическим током
ЗАЩИТНОЕ ЗАЗЕМЛЕНИЕ

~UR1R2Дополнительные технические мероприятия по защите от поражения электрическим токомЗАЩИТНОЕ ЗАЗЕМЛЕНИЕ

Слайд 37

~
U

R1
R2
R1 = R2 = Rh = 1кОм
U = 220 В

Uh ≈ 73В

R1 = R2 = Rh = 1кОм
U =

220 В; Rз = 4 Ом


Uh ≈ 0В

~UR1R2R1 = R2 = Rh = 1кОмU = 220 В Uh ≈ 73ВR1 = R2 = Rh

Слайд 38
























RA
RB
Rc
Rh




UA
UB
UC
0
01
Uh
UC01
UB01
Rз ↓

UA
UB
UC
0
01
Uh
UC01
UB01
Rз ↑

RARBRcRhRзUAUBUC001UhUC01UB01Rз ↓UAUBUC001UhUC01UB01Rз ↑

Слайд 39НЕЭФФЕКТИВНОСТЬ РАБОТЫ ЗАЩИТНОГО ЗАЗЕМЛЕНИЯ
В СЕТЯХ С

ЗАЗЕМЛЕННЫМ НУЛЕВЫМ ПРОВОДОМ


НЕЭФФЕКТИВНОСТЬ РАБОТЫ ЗАЩИТНОГО ЗАЗЕМЛЕНИЯ    В СЕТЯХ С ЗАЗЕМЛЕННЫМ НУЛЕВЫМ ПРОВОДОМ

Слайд 40

~




R0
Rh

UA
UB
UC
0
01
Uh
UC01
UB01
Rз R0

~UфRзR0RhUAUBUC001UhUC01UB01Rз R0

Слайд 41ОПАСНОСТЬ ИСПОЛЬЗОВАНИЯ ВОДОПРОВОДНЫХ ТРУБ И ПОДОБНЫХ МЕТАЛЛОКОНСТРУКЦИЙ
ДЛЯ ЗАЩИТНОГО ЗАЗЕМЛЕНИЯ



Использование металлоконструкций, связанных с землей, в целях заземления корпусов электротехнических

изделий
в сетях с глухозаземленной нейтралью
ЗАПРЕЩЕНО ПУЭ
ОПАСНОСТЬ ИСПОЛЬЗОВАНИЯ ВОДОПРОВОДНЫХ ТРУБ И ПОДОБНЫХ МЕТАЛЛОКОНСТРУКЦИЙ ДЛЯ ЗАЩИТНОГО ЗАЗЕМЛЕНИЯ Использование металлоконструкций, связанных с землей, в целях

Слайд 42
Защитное заземление
в высоковольтных сетях
с глухозаземленной нейтралью
Iзам = Uф/(Rзаз+Ro)

Rзаз

≈ Ro < 0.5 Om

Uф > 1000 В

Iзам >1000 A

> Iпотр

Отключение

Защитное заземление в высоковольтных сетях с глухозаземленной нейтральюIзам = Uф/(Rзаз+Ro)Rзаз ≈ Ro < 0.5 OmUф > 1000

Слайд 43 ОБЛАСТИ ПРИМЕНЕНИЯ ЗАЩИТНОГО ЗАЗЕМЛЕНИЯ
Защитное

заземление применяется:
   - в СИН

U ≥ 380 В, 50 Гц
- в изолированных сетях ПТ
U ≥ 440 В
- во взрывоопасных зонах
независимо от U
- в СИН
U ≥ 50 (25, 12) В, 50 Гц
- в изолированных сетях ПТ
U ≥ 120 (60, 30) В


- в электроустановках с глухозаземленной нейтралью при напряжении более 1000 В - всегда


всегда


как вариант защиты

ОБЛАСТИ ПРИМЕНЕНИЯ ЗАЩИТНОГО ЗАЗЕМЛЕНИЯЗащитное заземление применяется:     - в СИН

Слайд 44
Зануление
- намеренное электрическое соединение металлических нетоковедущих частей с многократно заземленным

нулевым проводом питающей сети.
 






















N
PE


R0



Зануление- намеренное электрическое соединение металлических нетоковедущих частей с многократно заземленным нулевым проводом питающей сети. NPER0

Слайд 45ГОСТ 12.1.038-89
∙    при аварийном режиме производственных

электроустановок


tоткл ≤ 100 - 200 мс

ГОСТ 12.1.038-89 ∙       при аварийном режиме производственных электроустановок tоткл ≤ 100 - 200 мс

Слайд 46РАСЧЕТ ЗАНУЛЕНИЯ
Выбор автомата или предохранителя:
а) по Iн
б) по Iоткл
t,

сек
1,1 -1,5

3 - 20
0,1
3600
1

РАСЧЕТ ЗАНУЛЕНИЯ Выбор автомата или предохранителя:а) по Iнб) по Iотклt, сек1,1 -1,53 - 200,136001

Слайд 47t, сек
1
1,1 -1,5

3 - 20
0,1
3600
- Iпуск= k· Iном , k

=1.2 – для активной нагрузки

k = 5 ~ 6 – для электродвигателя

B → Iкз= (3 – 5)Iн С → Iкз= (5 – 10)Iн D → Iкз= (10 – 20)Iн

t, сек11,1 -1,53 - 200,13600- Iпуск= k· Iном , k =1.2 – для активной нагрузки

Слайд 49


















N
PE


R0




Rфп

Rнп

Rзз
2. Расчет тока КЗ:
3. Расчет сопротивления проводника защитного зануления :

NPER0RфпRнпRзз2. Расчет тока КЗ:3. Расчет сопротивления проводника защитного зануления :

Слайд 50
Выбор провода по условиям механической прочности S >Smin

Выбор провода по условиям механической прочности S >Smin

Слайд 51 ОБЛАСТИ ПРИМЕНЕНИЯ ЗАЩИТНОГО ЗАНУЛЕНИЯ

Защитное

зануление применяется:
   - в СГЗН

U ≥ 380 В, 50 Гц
- в сетях ПТ с заземленным полюсом (ср. точкой)
U ≥ 440 В

- в СГЗН
U ≥ 50 (25, 12) В, 50 Гц
- в сетях ПТ
U ≥ 120 (60, 30) В




всегда


как вариант защиты

ОБЛАСТИ ПРИМЕНЕНИЯ ЗАЩИТНОГО ЗАНУЛЕНИЯЗащитное зануление применяется:     - в СГЗН

Слайд 52

ПРОБЛЕМЫ В СИСТЕМЕ ЗАНУЛЕНИЯ
1. Несоответствие уставок срабатывания параметрам защищаемых

цепей.

















N
PE


R0



Uh

ПРОБЛЕМЫ В СИСТЕМЕ ЗАНУЛЕНИЯ1. Несоответствие уставок срабатывания  параметрам защищаемых цепей.NPER0Uh

Слайд 53

Rh
Rh >> R0
Rнп ≈ Rфп → Uh ≈ Uф/2
Rнп

< Rфп → Uh < Uф/2
Rфп, Rнп

RhRh >> R0 Rнп ≈ Rфп → Uh ≈ Uф/2Rнп < Rфп → Uh < Uф/2Rфп, Rнп

Слайд 54



















N
PE


R0



Uh



R0п

NPER0UhR0п

Слайд 55


~


Rфп
Rнп
Rh

R0

Rh >> R0, R0п

Rфп, Rнп

~UфRфпRнпRhR0Rh >> R0, R0п Rфп, Rнп

Слайд 56















R0


Rнп1

Rнп2
Uh
L
Uф/2
Uф/4
К1
К2
К3
К1
К2
К3

R0Rнп1Rнп2UhLUф/2Uф/4К1К2К3К1К2К3

Слайд 57
L















2. Обрыв нулевого провода
PEN

К1
К2
К3
К4

L2. Обрыв нулевого проводаPENК1К2К3К4

Слайд 58

~


R0п
R0

L















R0

R0п

К1
К2
К3
К4

~UфR0пR0LR0R0пК1К2К3К4

Слайд 59 Установка коммутационных аппаратов не в фазном, а в нулевом

рабочем проводе.


Uh ≈ Uф


















PEN




R0








Установка коммутационных аппаратов не в фазном, а в нулевом рабочем проводе.Uh ≈ Uф PENR0RнUф

Слайд 61











PEN

Uh ≈ Uф

RнPENUh ≈ Uф

Слайд 64

~



R0
















R0




3. Корпуса одних приемников занулены, а других - заземлены.
К1
К2
К3

~UфRзR0R0Rз3. Корпуса одних приемников занулены, а других - заземлены.К1К2К3

Слайд 65













3. Обрыв цепи заземления нейтрали

3. Обрыв цепи заземления нейтрали

Слайд 66














R0









ZA
ZB
Zc



R0ZAZBZc

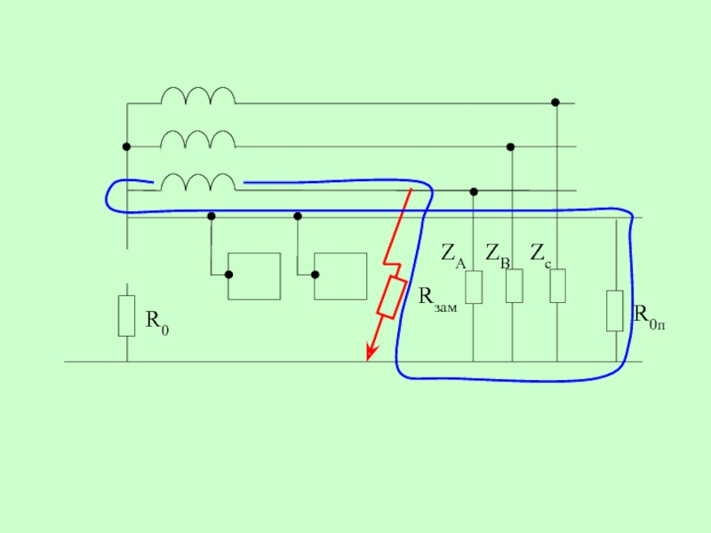
Слайд 68
~


Rзам
R0п

~UфRзамR0п

Обратная связь

Если не удалось найти и скачать доклад-презентацию, Вы можете заказать его на нашем сайте. Мы постараемся найти нужный Вам материал и отправим по электронной почте. Не стесняйтесь обращаться к нам, если у вас возникли вопросы или пожелания:

Email: Нажмите что бы посмотреть 

Что такое TheSlide.ru?

Это сайт презентации, докладов, проектов в PowerPoint. Здесь удобно  хранить и делиться своими презентациями с другими пользователями.


Для правообладателей

Яндекс.Метрика