Разделы презентаций


Лабораторная работа Определение показателей МАНЕВРЕННОСТИ при проведении

Содержание

НОРМАТИВНЫЕ ДОКУМЕНТЫГОСТ 27257-87 (ИСО 7457-83) Машины землеройные. Методы определения параметров поворота колесных машин.ГОСТ Р ИСО 5010-2010 Машины землеройные. Система рулевого управления колесных машин.

Слайды и текст этой презентации

Слайд 1Лабораторная работа Определение показателей МАНЕВРЕННОСТИ при проведении испытаний
Секция Эксплуатации и

сервиса ДСМ
Доцент, к.т.н. Сабуренков С.Е.

Лабораторная работа  Определение показателей МАНЕВРЕННОСТИ  при проведении испытанийСекция Эксплуатации и сервиса ДСМДоцент, к.т.н. Сабуренков С.Е.

Слайд 2НОРМАТИВНЫЕ ДОКУМЕНТЫ
ГОСТ 27257-87 (ИСО 7457-83) Машины землеройные. Методы определения параметров

поворота колесных машин.
ГОСТ Р ИСО 5010-2010 Машины землеройные. Система рулевого

управления колесных машин.

НОРМАТИВНЫЕ ДОКУМЕНТЫГОСТ 27257-87 (ИСО 7457-83) Машины землеройные. Методы определения параметров поворота колесных машин.ГОСТ Р ИСО 5010-2010 Машины

Слайд 3ЦЕЛЬ РАБОТЫ
Изучение теоретических и экспериментальных методов определения показателей маневренности дорожно-строительных

машин путем определения минимальных радиусов и полосы поворота. Сравнение теоретических

и экспериментальных значений.
ЦЕЛЬ РАБОТЫ  Изучение теоретических и экспериментальных методов определения показателей маневренности дорожно-строительных машин путем определения минимальных радиусов

Слайд 4 ЗАДАЧИ РАБОТЫ
Определить показатели маневренности машины теоретическим и экспериментальным

методами;
Построить испытательные коридоры для машин, предназначенных для передвижения по

дорогам общего пользования.

ЗАДАЧИ РАБОТЫ  Определить показатели маневренности машины теоретическим и экспериментальным методами; Построить испытательные коридоры для

Слайд 6 ТЕОРЕТИЧЕСКИЕ ЗАВИСИМОСТИ ОПРЕДЕЛЕНИЯ ПОКАЗАТЕЛЕЙ МАНЕВРЕННОСТИ МАШИН
Вводимые обозначения:
АС – Lпер

(переменная база);
АD – L1; DC – L2; ОА и ОС

–Rто (теоретический радиус поворота)


ТЕОРЕТИЧЕСКИЕ ЗАВИСИМОСТИ ОПРЕДЕЛЕНИЯ ПОКАЗАТЕЛЕЙ МАНЕВРЕННОСТИ МАШИНВводимые обозначения:АС – Lпер (переменная база);АD – L1; DC – L2;

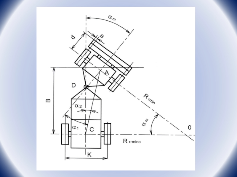
Слайд 7 ОПРЕДЕЛЕНИЕ УГЛОВ 1 и 2

ОПРЕДЕЛЕНИЕ УГЛОВ 1 и 2

Слайд 8
Максимальный угол поворота

Максимальный угол поворота

Слайд 9 ТЕОРЕТИЧЕСКИЙ РАДИУС ПОВОРОТА Rто .

ТЕОРЕТИЧЕСКИЙ РАДИУС ПОВОРОТА Rто    .

Слайд 10 ТЕОРЕТИЧЕСКИЙ МИНИМАЛЬНЫЙ РАДИУС ПОВОРОТА RТmin

ТЕОРЕТИЧЕСКИЙ МИНИМАЛЬНЫЙ РАДИУС ПОВОРОТА RТmin

Слайд 11 ТЕОРЕТИЧЕСКИЙ ВНЕШНИЙ ГАБАРИТНЫЙ РАДИУС ПОВОРОТА RТГmax

ТЕОРЕТИЧЕСКИЙ ВНЕШНИЙ ГАБАРИТНЫЙ РАДИУС ПОВОРОТА  RТГmax

Слайд 12ТЕОРЕТИЧЕСКИЙ ВНУТРЕННИЙ ГАБАРИТНЫЙ РАДИУС ПОВОРОТА Rтгmin

ТЕОРЕТИЧЕСКИЙ ВНУТРЕННИЙ ГАБАРИТНЫЙ РАДИУС ПОВОРОТА Rтгmin

Слайд 13 ТЕОРЕТИЧЕСКАЯ ПОВОРОТНАЯ ШИРИНА МАШИНЫ ПО СЛЕДУ КОЛЕС ВТП

ТЕОРЕТИЧЕСКАЯ ПОВОРОТНАЯ ШИРИНА МАШИНЫ ПО СЛЕДУ КОЛЕС ВТП

Слайд 14 ТЕОРЕТИЧЕСКАЯ ГАБАРИТНАЯ ПОЛОСА ДВИЖЕНИЯ ВТГ

ТЕОРЕТИЧЕСКАЯ ГАБАРИТНАЯ ПОЛОСА ДВИЖЕНИЯ ВТГ

Слайд 15 ЭКСПЕРИМЕНТАЛЬНОЕ ОПРЕДЕЛЕНИЕ ПОКАЗАТЕЛЕЙ МАНЕВРЕННОСТИ МАШИН .
В качестве экспериментального образца выбран фронтальный

колесный погрузчик с шарнирно-сочлененной рамой.
Замеры показателей маневренности начинается с определения

мгновенного центра поворота согласно схемы .
ЭКСПЕРИМЕНТАЛЬНОЕ ОПРЕДЕЛЕНИЕ ПОКАЗАТЕЛЕЙ  МАНЕВРЕННОСТИ МАШИН  .В качестве экспериментального образца выбран фронтальный колесный погрузчик

Слайд 16Схема определения экспериментальных показателей маневренности

Схема определения экспериментальных  показателей маневренности

Слайд 17 ЗАМЕРЯЕМЫЕ ПАРАМЕТРЫ
Rоmin - опытное значение минимального радиуса поворота внешнего колеса

(гусеницы) по внешнему следу, м;
Rовmin - опытное значение минимального

радиуса поворота внешнего колеса (гусеницы) по внутреннему следу, м;
Ввс - ширина полосы следа от внешнего колеса (гусеницы), м;
Ввт - ширина полосы следа от внутреннего колеса (гусеницы), м.

ЗАМЕРЯЕМЫЕ ПАРАМЕТРЫ Rоmin - опытное значение минимального радиуса поворота внешнего колеса (гусеницы) по внешнему следу, м;

Слайд 18Минимальный экспериментальный радиус поворота (Rдmin) .

Минимальный экспериментальный радиус поворота (Rдmin)  .

Слайд 19Экспериментальный внешний габаритный радиус поворота (Rдmax)

Экспериментальный внешний габаритный радиус поворота (Rдmax)

Слайд 20Экспериментальный внутренний габаритный радиус поворота (Rдгmin)

Экспериментальный внутренний габаритный радиус поворота (Rдгmin)

Слайд 21 Экспериментальная поворотная ширина машины по следу колес (Вдп)

Экспериментальная поворотная ширина машины по следу колес (Вдп)

Слайд 22Экспериментальная габаритная полоса движения (Вдг)

Экспериментальная габаритная полоса движения (Вдг)

Слайд 23 ИСПЫТАТЕЛЬНЫЕ КОРИДОРЫ ГОСТ Р ИСО 5010-2010
Испытания систем рулевого управления

проводятся в коридорах, имеющих ровную поверхность с уплотненным или твердым

покрытием и уклоном не более 3% в любом направлении.
Испытательный коридор для дорожных машин типа:
бульдозеры, погрузчики, экскаваторы-погрузчики, экскаваторы, землевозы, самоходные скреперы и автогрейдеры, оборудованные или только ручным управлением, или частично механизированным ручным управлением, или полностью механизированным ручным управлением имеет вид:
 

ИСПЫТАТЕЛЬНЫЕ КОРИДОРЫ  ГОСТ Р ИСО 5010-2010  Испытания систем рулевого управления проводятся в коридорах, имеющих

Слайд 24 Испытательный коридор, Размеры в м

Испытательный коридор,  Размеры в м

Слайд 25А — расстояние, в 1,1 раза превышающее диаметр окружности поворота

по следу колес, или 14 м (в зависимости оттого, какой

из размеров больше); В— расстояние, в 1,75 раза превышающее диаметр окружности поворота по следу колес, или 22 м (в зависимости от того, какой из размеров больше); С—расстояние, в два раза превышающее максимальную колесную базу, или 15 м (в зависимости от того, какой из размеров меньше).
а — расстояние, в 2,5 раза превышающее максимальную ширину по шинам; b — линия «Финиш 1»; с — линия «Финиш 2»; d — коридор 3; е — коридор 4; f— коридор 2; g — коридор 1; h — линия «Старт 1»; i — линия «Старт2»;j — расстояние, в 2,5 раза превышающее максимальную ширину по шинам

А — расстояние, в 1,1 раза превышающее диаметр окружности поворота по следу колес, или 14 м (в

Слайд 26 Замеряемые параметры по следу колес







Обозначения параметров взяты по схеме

определения показателей маневренности

Замеряемые параметры по следу колес Обозначения параметров взяты по схеме определения показателей маневренности

Слайд 27Определение погрешности теоретических расчетов








Птi – теоретическое значение i-го параметра

маневренности, м;
Пдi – экспериментальное значение i-го параметра маневренности, м.

Определение погрешности теоретических расчетов  Птi – теоретическое значение i-го параметра маневренности, м;Пдi – экспериментальное значение i-го

Слайд 28 Показатели маневренности .
Табл. 1

Показатели маневренности  .Табл. 1

Слайд 29 РАСЧЕТНЫЕ ПАРАМЕТРЫ
Теоретические расчеты
таблица2




Расчеты по экспериментальным данным
таблица3

РАСЧЕТНЫЕ ПАРАМЕТРЫ Теоретические расчетытаблица2Расчеты по экспериментальным даннымтаблица3

Слайд 30 ИСХОДНЫЕ ДАННЫЕ
таблица4

ИСХОДНЫЕ ДАННЫЕ таблица4

Слайд 31Данные по замерам
таблица5

Данные по замерамтаблица5

Слайд 32Таблица расчетных параметров для определения зависимости Rтmin=F(m)

Таблица расчетных параметров для определения зависимости Rтmin=F(m)

Слайд 33В работе требуется :
Определить теоретические и экспериментальные значения параметров

маневренности;
Заполнить таблицы №№1, 2, 3;
Построить испытательный коридор.
Построить

зависимость теоретического минимального радиуса поворота Rтmin от угла складывания полурам m (для пяти положений).
В работе требуется : Определить теоретические и экспериментальные значения параметров маневренности; Заполнить таблицы №№1, 2, 3; Построить

Слайд 34Литература
Рубайлов, А.В., Методические указания по определению показателей маневренности при проведении

сертификации ДСМ по курсу «Основы сертификации и лицензирования машин и

сервисных услуг»: учебное пособие / А.В. Рубайлов, С.Е. Сабуренков. - М.: МАДИ, 2011.- 35 с.

Литература Рубайлов, А.В., Методические указания по определению показателей маневренности при проведении сертификации ДСМ по курсу «Основы сертификации

Обратная связь

Если не удалось найти и скачать доклад-презентацию, Вы можете заказать его на нашем сайте. Мы постараемся найти нужный Вам материал и отправим по электронной почте. Не стесняйтесь обращаться к нам, если у вас возникли вопросы или пожелания:

Email: Нажмите что бы посмотреть 

Что такое TheSlide.ru?

Это сайт презентации, докладов, проектов в PowerPoint. Здесь удобно  хранить и делиться своими презентациями с другими пользователями.


Для правообладателей

Яндекс.Метрика